Tuesday, July 2nd, 2013 AT 12:46 AM
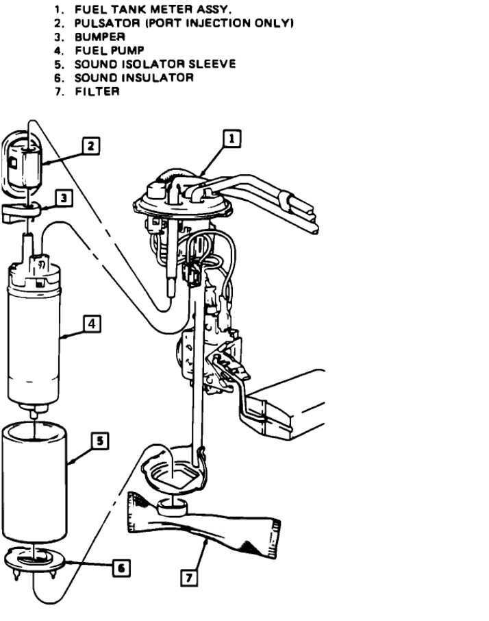
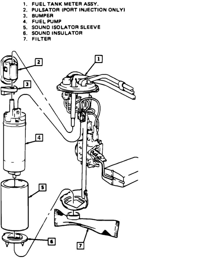
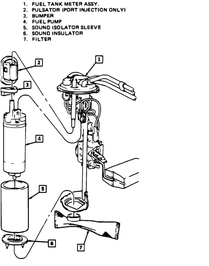
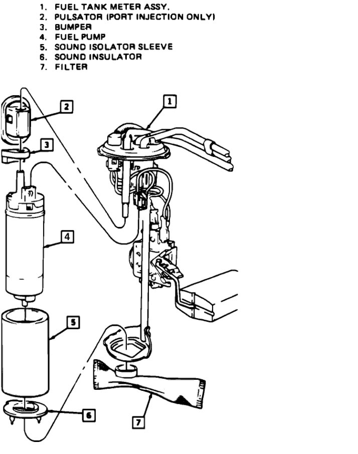
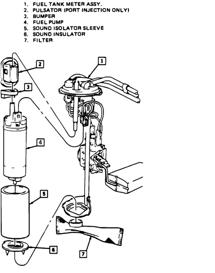
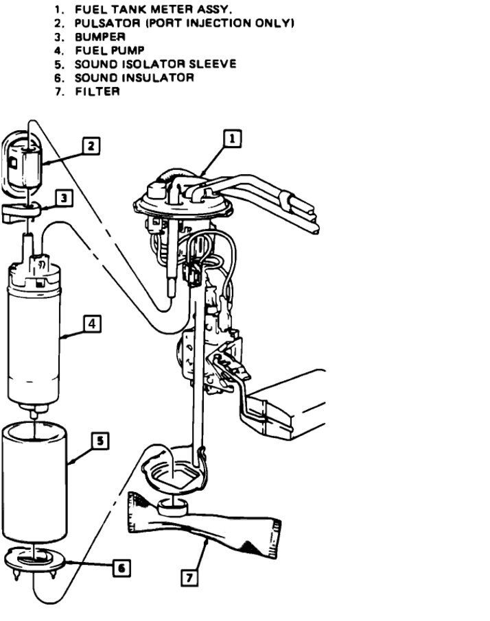
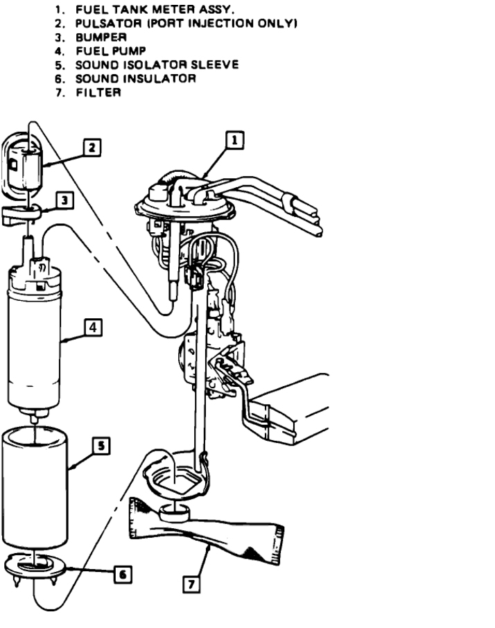
Is there an access panel to the fuel pump or do I have to go thru the gas tank? How do I replace the filter screen, wires, and pump? How do I drop the tank if I have to go that route? Do I have to drain the tank and how do I do that?


