92 Buick Century startup problem

Tiny
GRUSIAK
  • MEMBER
  • 1992 BUICK CENTURY
  • 6 CYL
  • 2WD
  • AUTOMATIC
  • 80,000 MILES
Hi. I've got a problem with my 92 Buick Century 3.3V6. I just bought it and I know that nobody has been driving it for last 6 year. Now, it couldn't start. It's choking, firing back to the air filter. There are new spark plugs, fuel pump (3, 5bar). Is it possible that the MAF sensor is broken, or MAP sensor?
Best regards - Pawel
Friday, July 1st, 2011 AT 7:35 PM

11 Replies

Tiny
JDL
  • MECHANIC
  • 16,098 POSTS
Check compression. What was the fuel pressure spec, I'm an old psi guy. Check for applicable mil codes, you can those yourself.

3.5 bar is that around 50 psi? My info shows 41--47 psi, fuel pressure.
Was this
answer
helpful?
Yes
No
Friday, July 1st, 2011 AT 7:52 PM
Tiny
GRUSIAK
  • MEMBER
  • 8 POSTS
Hi. The compression is great. Fuel pump pressure 51, 5 psi :) I hope it's not too powerfull ! Maybe fule pressure regulator is broken?
My skanner shows no codes :(
I just took off the MAF sensor and it's dirty. I hope the cleaning will help. If not, "I'll be back" :)
Was this
answer
helpful?
Yes
No
Friday, July 1st, 2011 AT 8:43 PM
Tiny
JDL
  • MECHANIC
  • 16,098 POSTS
Usually with backfiring, you have to wonder about valve timing? Let us know what you find.
Was this
answer
helpful?
Yes
No
Friday, July 1st, 2011 AT 8:57 PM
Tiny
GRUSIAK
  • MEMBER
  • 8 POSTS
I've got an idea. Maybe it would be a crank sensor?
Was this
answer
helpful?
Yes
No
Friday, July 1st, 2011 AT 9:13 PM
Tiny
GRUSIAK
  • MEMBER
  • 8 POSTS
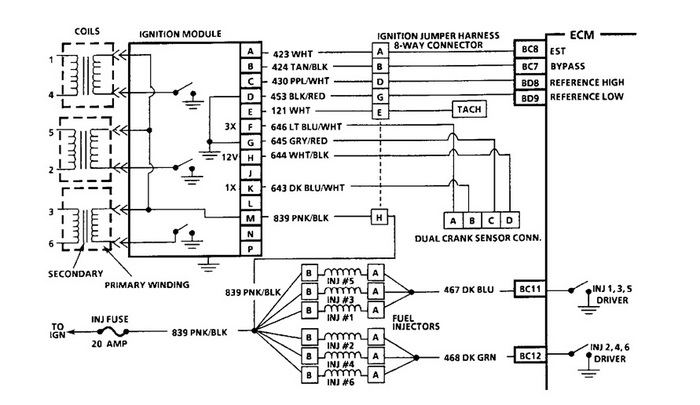
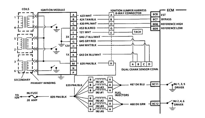
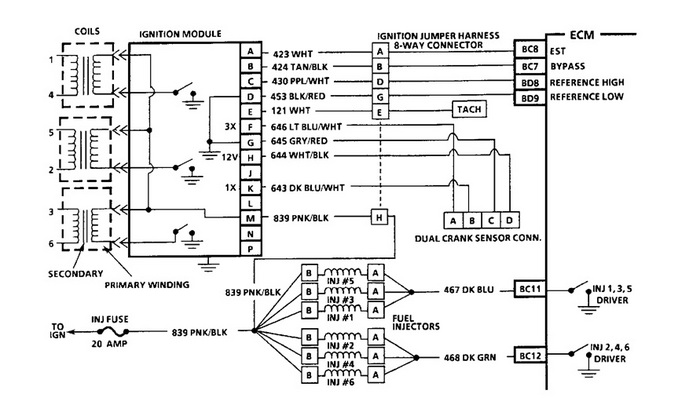
Ok. Finally the check engine shown a code 42 - direct ignition system fault or direct ignition system fault - bypass circuit open or shorted to ground or electronic spark timing circuit open or shorted to ground.
What should I do now? Is it because crank sensor is broken?
Was this
answer
helpful?
Yes
No
Saturday, July 2nd, 2011 AT 1:01 PM
Tiny
JDL
  • MECHANIC
  • 16,098 POSTS
Is the crank sensor broken? At the moment, I don't know.

If the est or bypass circuit is open or shorted, that code will set. You can examine terminals A & B, both ends, plus wiring circuit. Do continuity test.
Was this
answer
helpful?
Yes
No
Saturday, July 2nd, 2011 AT 5:39 PM
Tiny
GRUSIAK
  • MEMBER
  • 8 POSTS
Ok. I checked all wires, and it seems to be right. Any other ideas? :)
Was this
answer
helpful?
Yes
No
Monday, July 4th, 2011 AT 9:15 PM
Tiny
JDL
  • MECHANIC
  • 16,098 POSTS
From where I sit, I don't know what is causing it? I would have to look at it.
Was this
answer
helpful?
Yes
No
Tuesday, July 5th, 2011 AT 2:41 AM
Tiny
JDL
  • MECHANIC
  • 16,098 POSTS
I hate to see you throw parts at it. The crank sensor is as good as any. You could check the sensor for ref voltage--ground and signal.
Was this
answer
helpful?
Yes
No
Tuesday, July 5th, 2011 AT 3:52 PM
Tiny
GRUSIAK
  • MEMBER
  • 8 POSTS
How about EST? Where can I find it and how to diagnose it?
Was this
answer
helpful?
Yes
No
Friday, July 15th, 2011 AT 8:47 PM
Tiny
JDL
  • MECHANIC
  • 16,098 POSTS
I told you what the code means and gave you the wiring diagram. Engine cranking, do you have spark at the plugs? Also, use a noid light and check for injector pulse.
Was this
answer
helpful?
Yes
No
+1
Sunday, July 17th, 2011 AT 8:34 PM

Please login or register to post a reply.