HOME
ASK A QUESTION
REPAIR GUIDES
BECOME A MEMBER
LOG IN
Login with Facebook
OR
Remember me
NOT A MEMBER?
FORGOT PASSWORD?
CONTACT US
PRIVACY POLICY
TERMS AND CONDITIONS
☰
Home
Subaru
Loyale
Fuel System
Fuel Pump
I am not getting any electrical to the fuel pump.
JITTOKU
MEMBER
1991 SUBARU LOYALE
I am not getting any electrical to the fuel pump why not?
Wednesday, March 13th, 2013 AT 9:32 PM
3 Replies
CJ MEDEVAC
MECHANIC
11,004 POSTS
I MAY BE ABLE GET YOU SOME WIRE DIAGRAMS FROM "MITCHELL I". THEY ARE PRETTY DETAILED. THEY SHOW THE STUFF THROUGHOUT THE SYSTEMS
I NEED TO KNOW YOUR ENGINE SIZE. CARB / PFI / TBI?
THROW IN ANY OTHER INFO THAT MIGHT HELP ME!
THE MEDIC
Was this
answer
helpful?
Yes
No
Wednesday, March 13th, 2013 AT 10:14 PM
JITTOKU
MEMBER
2 POSTS
1.8 liter tbi
Was this
answer
helpful?
Yes
No
Thursday, March 14th, 2013 AT 9:32 PM
CJ MEDEVAC
MECHANIC
11,004 POSTS
SOMETHING HAS GONE WRONG AT THE SITE. EMAIL NOTIFICATIONS HAVE NOT COME THRU SINCE THE 13th
I JUST GOT NOTIFIED THAT YOU HAVE REPLIED
I HOPE THIS GETS TO YOU IN TIME
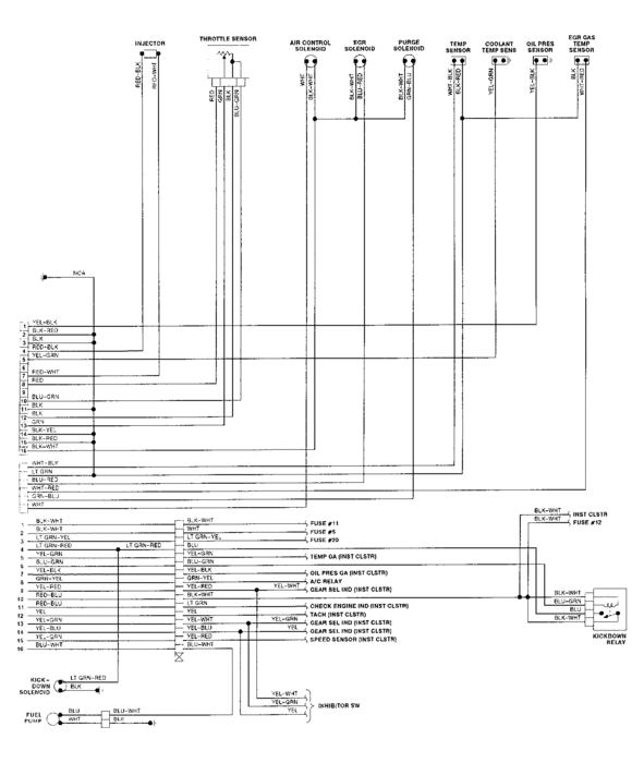
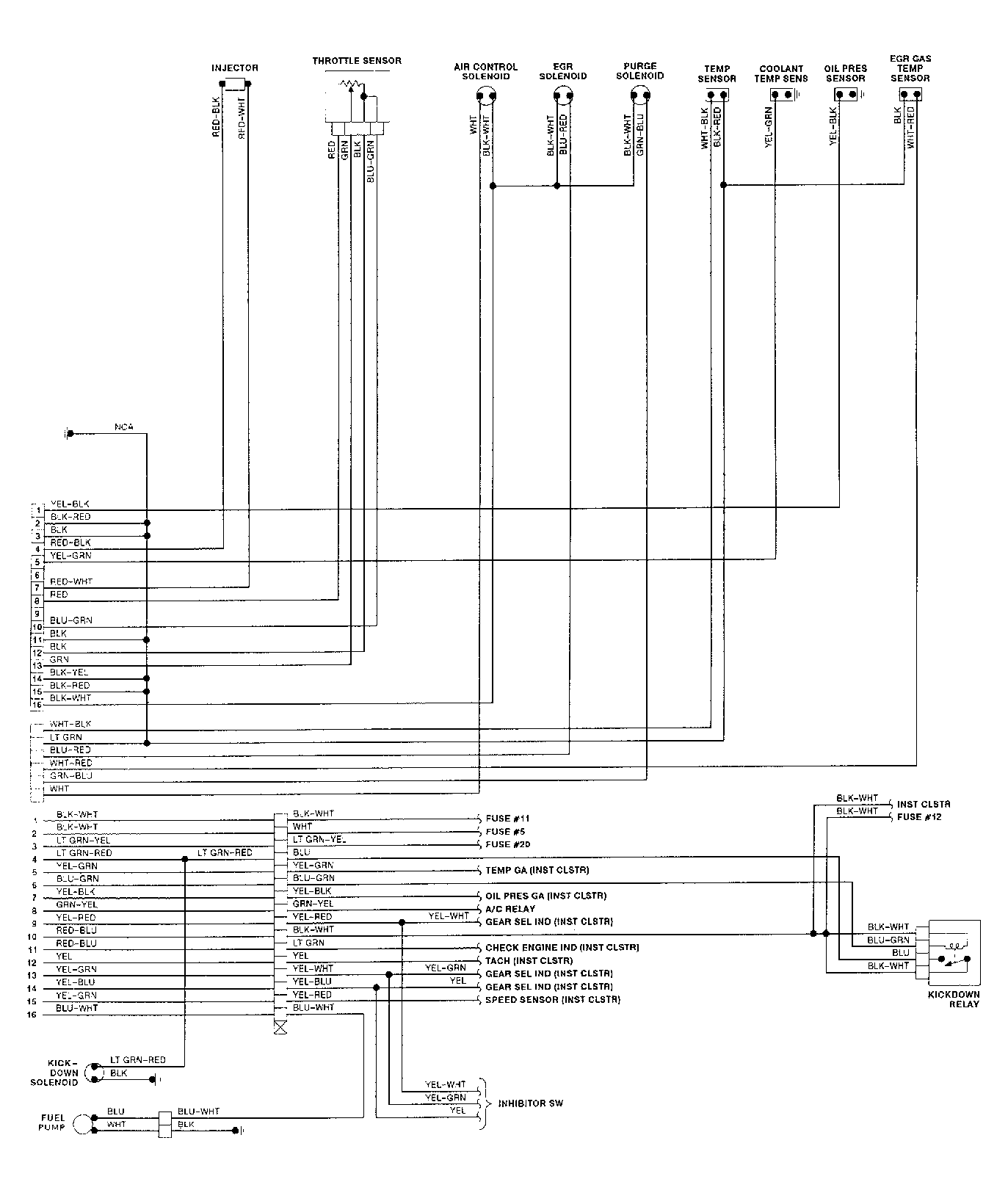
THIS IS "ENGINE PERFORMANCE" DIAGRAMS "1" AND "2"
LEMME KNOW IF THIS IS HELPS
THE MEDIC
Images (Click to make bigger)
Was this
answer
helpful?
Yes
No
Friday, March 22nd, 2013 AT 10:30 AM
Please
login
or
register
to post a reply.
Related Fuel System Fuel Pump Content
1992 Subaru Loyale Fuel Pump
Is There A Fuel Pump Malfunction If When I Take Off From Stop Signs And Lights There Is A Hesitation, Followed By A Loud Hum And A Sound...
Asked by
lesliehalsted
·
1 ANSWER
1992
SUBARU LOYALE
Ask a Car Question. It's Free!
Fuel Pump Replacement Toyota
Fuel Pump Replacement Done Right
Fuel Pump Replacement Ford