I have a 1991 Subaru Legacy Sedan and have lost power to th the windoes, seat belts sun roof and AC

Tiny
BCHICK
  • MEMBER
  • 1991 SUBARU LEGACY
  • 170,000 MILES
Checked all fuses and all seem to be good. What could this be?

Thanks :)
Saturday, September 17th, 2011 AT 9:55 PM

5 Replies

Tiny
BCHICK
  • MEMBER
  • 4 POSTS
Power Windows, Power Seat-belts, A/C, Gas Gage and Power Sun-Roof. Are not working at all.
Was this
answer
helpful?
Yes
No
Saturday, September 17th, 2011 AT 11:29 PM
Tiny
BCHICK
  • MEMBER
  • 4 POSTS
Checked fuses under the dash and 2 under the hood on the drivers side.
Was this
answer
helpful?
Yes
No
+1
Saturday, September 17th, 2011 AT 11:40 PM
Tiny
CHEV_MAN00
  • MEMBER
  • 18 POSTS
Have you checked the fuses under the hood. It may also be a loose connection
Was this
answer
helpful?
Yes
No
+1
Saturday, September 17th, 2011 AT 11:46 PM
Tiny
BCHICK
  • MEMBER
  • 4 POSTS
Yes I checked fuses under the hood they were good but replaced anyways.
Was this
answer
helpful?
Yes
No
+1
Saturday, September 17th, 2011 AT 11:51 PM
Tiny
JACOBANDNICKOLAS
  • MECHANIC
  • 110,192 POSTS
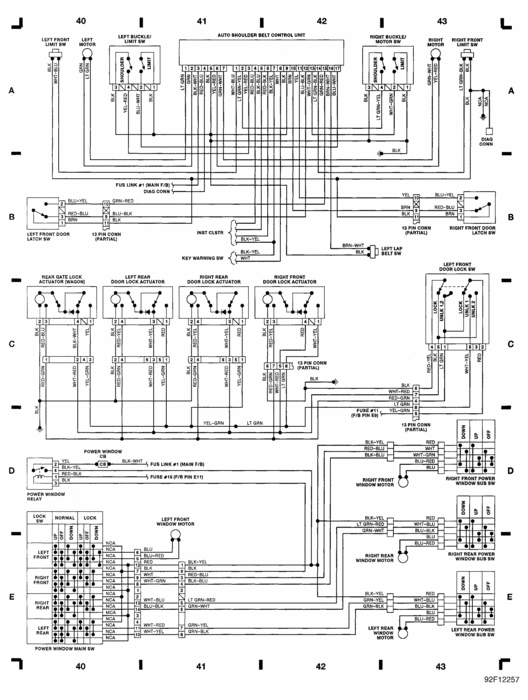
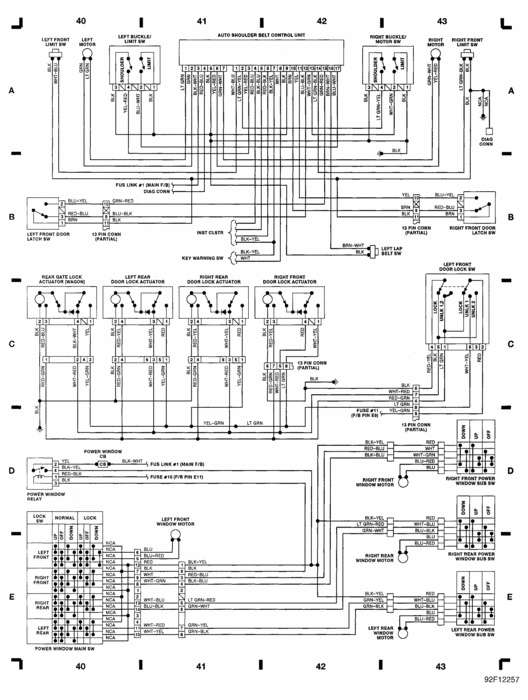
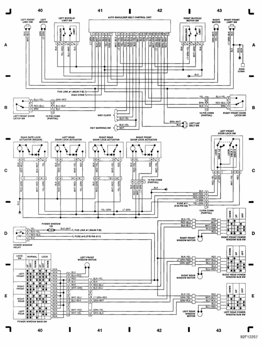
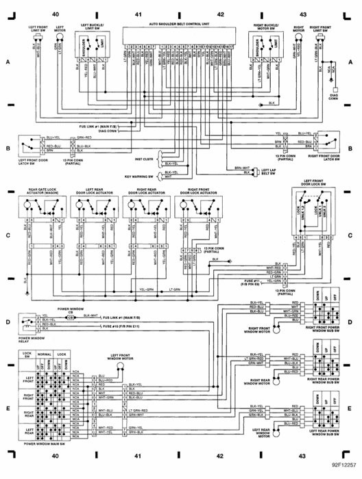
There is a fusable link to the windows. Going to the main fuse box (#1). Check for power to the window relay. These systems are tied together. I attached a schematic. Also, check for bad or weak body grounds.
Was this
answer
helpful?
Yes
No
+1
Sunday, September 18th, 2011 AT 4:51 AM

Please login or register to post a reply.