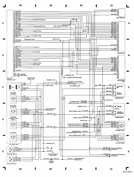
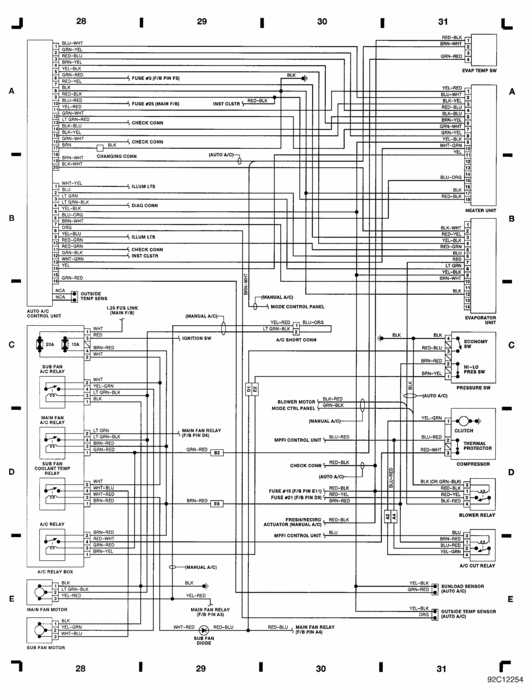
Saturday, October 22nd, 2011 AT 11:52 PM
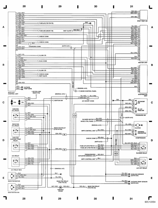
My climate control unit doesn't work. I replaced the blower motor relay checked all the fuses and the blower motor resistor. All check out good. I even purchased another climate control unit and replaced it. Among other things I checked for power coming to the climate control unit (ie the blower motor speed control) and have no power there. Any suggestions? Any way to hot wire the system to get at least the defrost to work?



