Tuesday, March 20th, 2012 AT 2:12 AM
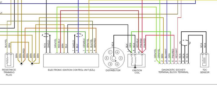
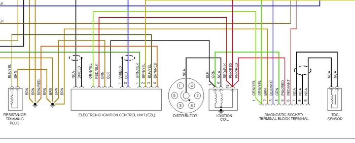
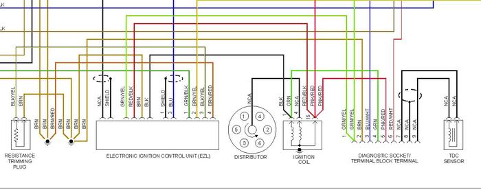
Was left to assemble ignition module without anything matchmarked, could anyone tell me which colored wire goes to which terminal inside the switch housing?




