Monday, June 27th, 2011 AT 2:08 PM
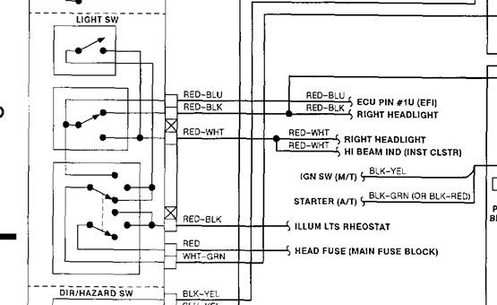
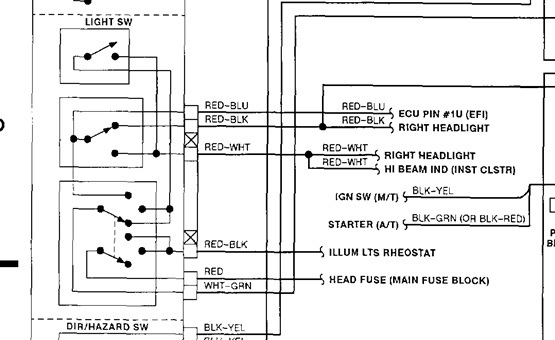
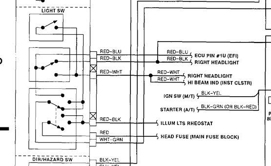
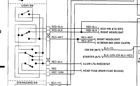
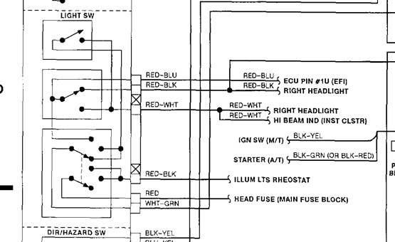
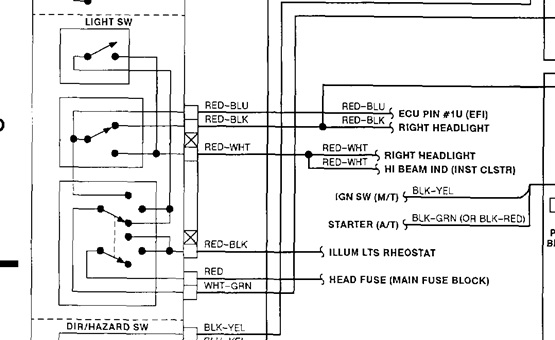
I have a 1991 Mazda b2600 SE-5. My headlight brights don't work nor does the brights indicator on the dash. If I pull the dimmer switch back then they come on, but not when the dimmer switch in the brights position. Where do I find the headlight relay switch?












