Turn signal

Tiny
WRANGLER23
  • MEMBER
  • 1991 JEEP WRANGLER
  • 4 CYL
  • 4WD
  • MANUAL
  • 182,000 MILES
I replaced the turn signal flasher on my 1991 wrangler yj and now my left signal flashes both turn signals
Wednesday, July 13th, 2011 AT 6:24 PM

5 Replies

Tiny
CJ MEDEVAC
  • MECHANIC
  • 11,005 POSTS
Why did you replace the flasher?

Detailed info is most helpful sometimes

The Medic
Was this
answer
helpful?
Yes
No
Wednesday, July 13th, 2011 AT 11:09 PM
Tiny
WRANGLER23
  • MEMBER
  • 3 POSTS
I replaced it because my turn signals stopped working.
Was this
answer
helpful?
Yes
No
Wednesday, July 13th, 2011 AT 11:51 PM
Tiny
CJ MEDEVAC
  • MECHANIC
  • 11,005 POSTS
Roger.

I am assuming all of your signals are flashing?

Are both signals equal in brightness?

Got brake lights?

Do all of your bulbs work, including side markers?

Brake lights. Left, then right turn signal activated

This being a Jeep (I've got 2, much older than yours). Have you recently experienced any H. Ell Damage?

Your hazzards, how do they perform. Sorta tell me which are working which are not, for all positions you go thru.

With your lights on, do the park lights signal also?

Maybe doing each factor sorta like this, may help:

Right turn--this works, that don't, brakes applied this happens

Left turn--"" "" ""

Brakes only--"" "" ""

Did you do anything else, while investigating the loss of signals. Did evil buddies assist in hunting for the signal loss? If so any clue to what they may have messed with?

Where did you get the flasher from?

Does it look identical to the previous?

Inspect the "feet" of the old one are they corroded, or have white stuff over the silver?

The Medic
Was this
answer
helpful?
Yes
No
Thursday, July 14th, 2011 AT 12:17 AM
Tiny
WRANGLER23
  • MEMBER
  • 3 POSTS
All lights work properly when engaged, bulbs all work and are the same brightness, the new flasher is identical to the old one and it came from napa. The only problem is when the left turn signal is engaged both rear turn signals flash, it didnt do this before.
Was this
answer
helpful?
Yes
No
Thursday, July 14th, 2011 AT 9:49 PM
Tiny
CJ MEDEVAC
  • MECHANIC
  • 11,005 POSTS
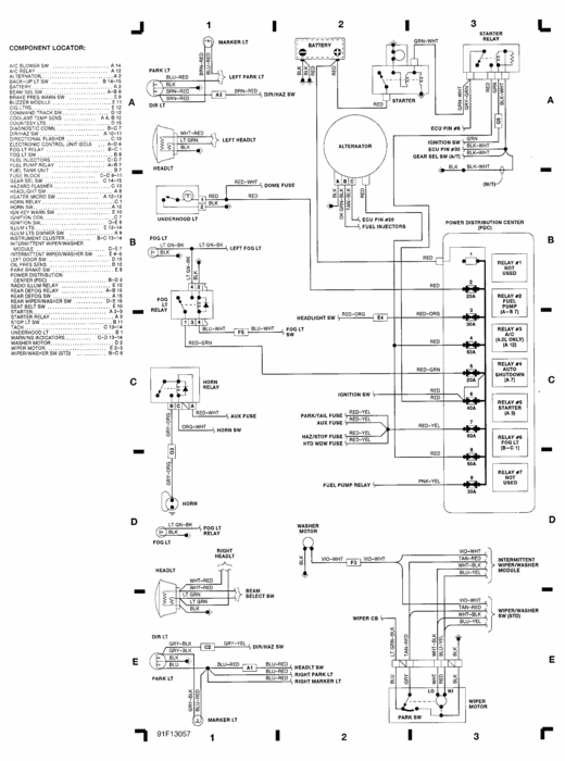
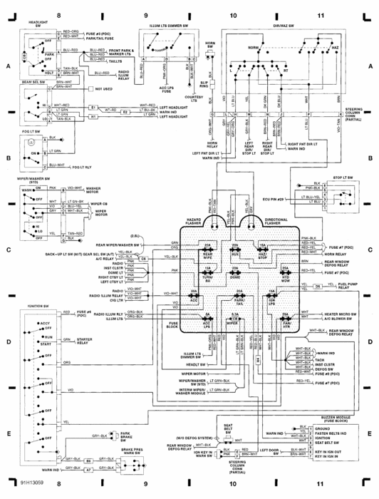
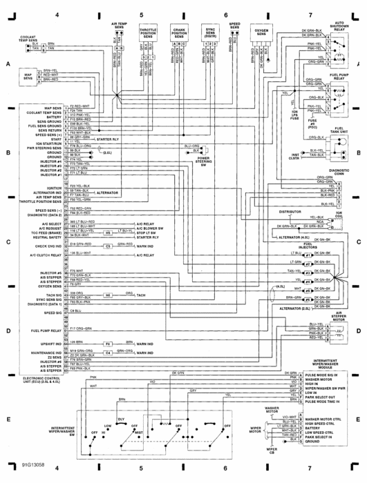
I kind don't know what your interior boxes look like or if they are labeled

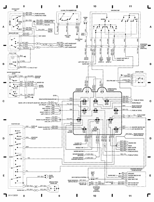
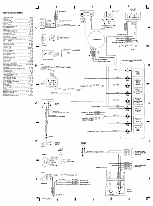
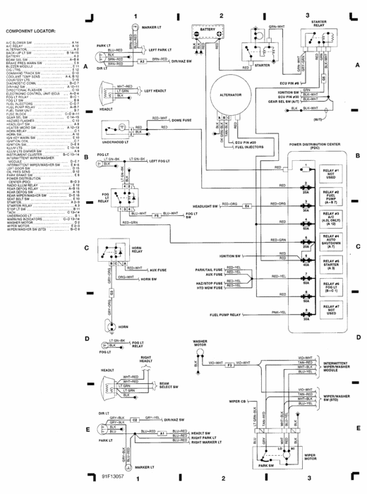
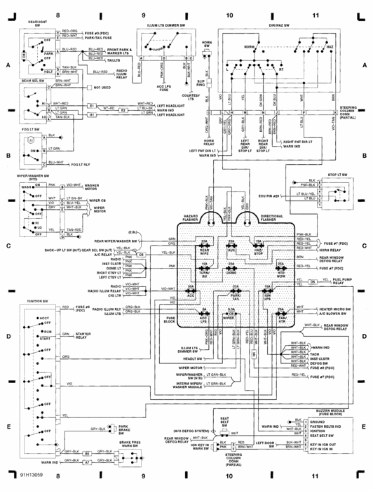
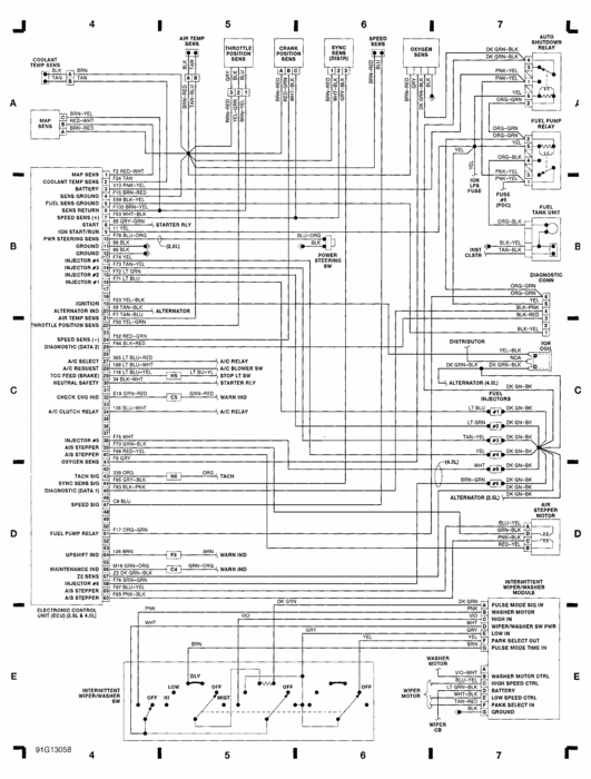
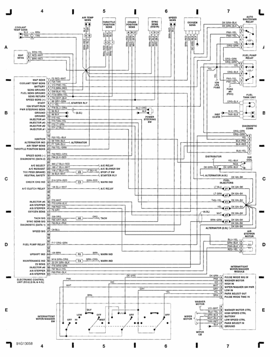
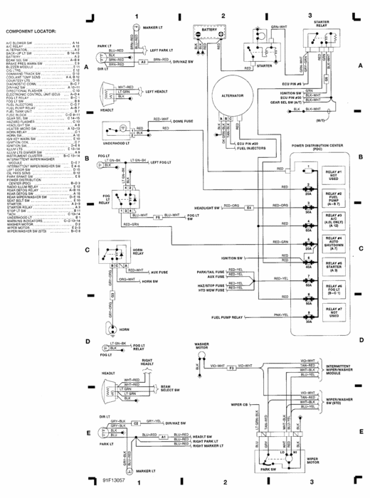
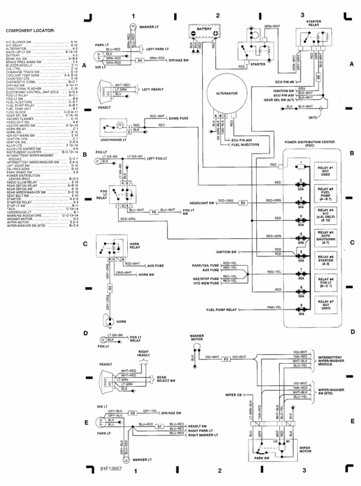
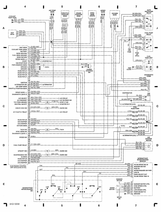
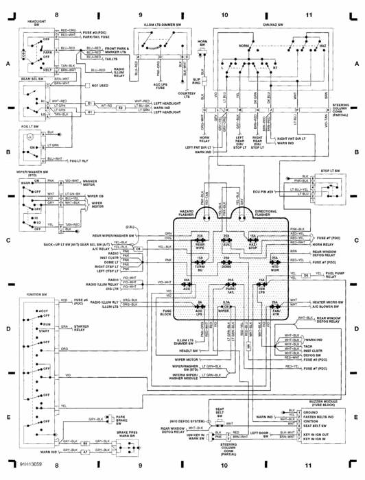
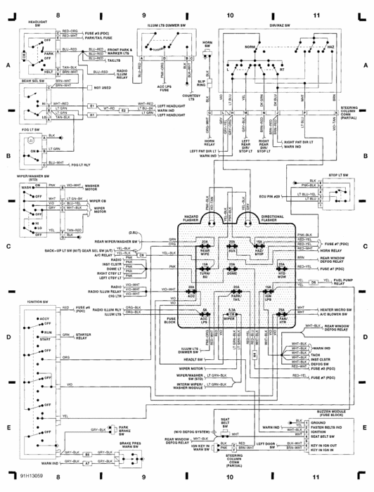
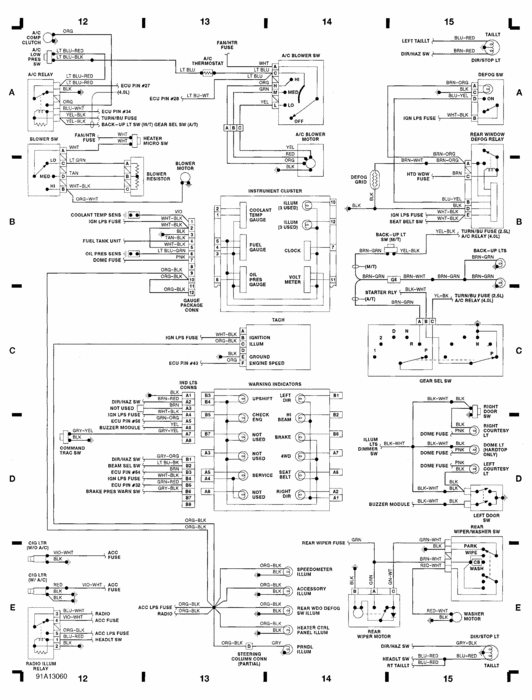
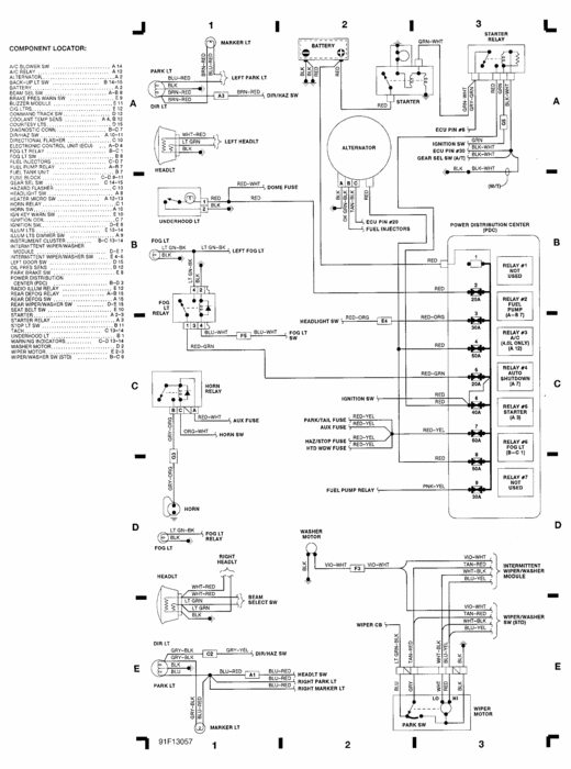
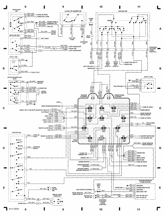
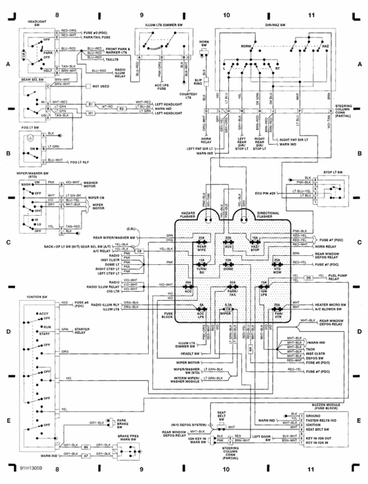
I do have your entire wire diagram load on my stuff.I can/ will post it here, and If you want, I'll initiate a Message to you, where you can safely leave your Email Address, not here on Open Forum. I can Mail them to you, they may be EZer to read. May want them for the future too!

I saw on the diagram, you have 2 flashers, sorta level with each other in the box. Are both identical? If so, can you swap 'em and check results?

Also have someone watch the lights, while you sorta "Over-pressure" (not hard, or snap it off!) Your signal arm. Up. Down. Toward. Away from you. What happens. Go beyond my positions, I'm sure you understand what/ why we are trying this!

Kinda one of those, it was working fine. Till I figgered out the dang thang was broke. It might still be a messed up switch, that you had not noticed yet!

Your Turn

The Medic
Was this
answer
helpful?
Yes
No
+2
Thursday, July 14th, 2011 AT 10:37 PM

Please login or register to post a reply.