Thursday, November 13th, 2014 AT 9:41 AM
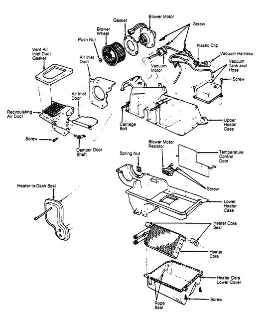
Well I, m freezing my butt off ! Anyway the heater motor works but it blows out cold air as well as luke warm but when I, m going down the road, there must be a hole somewhere under the dash on the passenger side as the cold air flow is increased SIGNIFICANTLY. And it doesnt blow very good out of panel vents. I had a mechanic work on it, and he said he had to hot glue some of the air flow routing under the dash as they had come apart and wouldnt stay together. The air conditioner doesnt work at all but need heater first so not concerned with that. As long as I do not have the heater motor on high, it will blow out a small amount of luke warm air for the defroster, IF I, m NOT moving. Once I start to move the car down the road, the cold air flow is WAY too much for the heater to compensate. I was wanting to know the heater system routing diagram, what it looks like, inside and out, all the parts that play a role for my heater, & what underneath the dash is supposed to look like on passenger side so I can find that hole & close it


















