1991 Chevrolet Truck Turning key does nothing

Tiny
TIMDMAINE
  • MEMBER
  • 1991 CHEVROLET TRUCK
  • 4.3L
  • V6
  • 4WD
  • AUTOMATIC
  • 156,000 MILES
Hello, The truck was running fine. Turned it off. Came back 10 minutes later and turned the key and nothing happens. No dash lights no click click like when the battery is low.
Headlights work ( seperate line ) Battery is fully charged.
Thanks
Thursday, February 5th, 2015 AT 8:15 AM

8 Replies

Tiny
JDL
  • MECHANIC
  • 16,098 POSTS
Are your battery connections in good shape? Did you check for voltage at fuse box? Some fuse circuits are hot all the time, some go hot with the key on. Any fuse that gets ignition feed and nothing there, may have to check ignition switch. Just pick any circuit that isn't working and we will get you a wiring diagram.
Was this
answer
helpful?
Yes
No
Thursday, February 5th, 2015 AT 9:50 AM
Tiny
JDL
  • MECHANIC
  • 16,098 POSTS
Just to add, note wiring for starter circuit. Black wire at starter, hot all the time. Purple wire goes hot with key in the crank position. Also, note the fusible link, check that.

Any testing at the starter, make sure tranny is in park or neutral and the parking brake is set.
Was this
answer
helpful?
Yes
No
+2
Thursday, February 5th, 2015 AT 10:00 AM
Tiny
TIMDMAINE
  • MEMBER
  • 4 POSTS
Battery is good. Checked volts.
The Ign fuse with key on is reading 0.008
Was this
answer
helpful?
Yes
No
+2
Thursday, February 5th, 2015 AT 12:45 PM
Tiny
JDL
  • MECHANIC
  • 16,098 POSTS
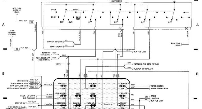
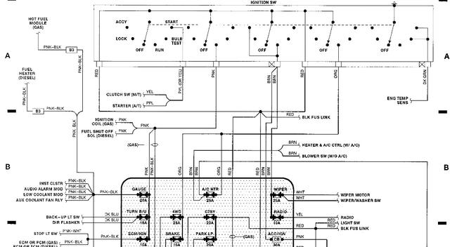
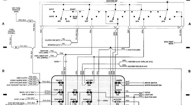
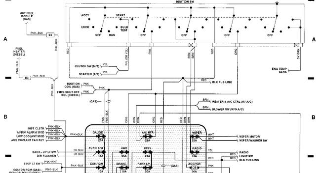
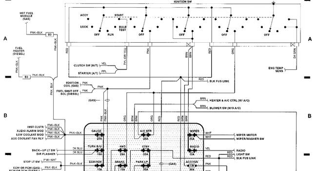
The 10 amp ecm/ign fuse, gets voltage from ignition switch. The voltage to ignition switch comes from fusible link. Note the diagram.

Could be problem with wiring--ignition switch or fusible link, in my opinion.
Was this
answer
helpful?
Yes
No
+2
Thursday, February 5th, 2015 AT 2:15 PM
Tiny
TIMDMAINE
  • MEMBER
  • 4 POSTS
Lol I really need better glasses. Can't make out that diagram for the life of me.
=) BUT
Good news. I checked the fusable links under the hood which are actually 20 amp buss fuses placed into the lines. Someone did some replacing of the fuseable links.

So the middle studd had a yellow wire coming off it with a blown fuse. I replaced the fuse and the truck started up.

Now I'm trying to figure why it blew. I set my plow up the week before (old Fisher plow, pre-minute) But all it does is connect to the battery. Solenoid that goes with the plow is between bat hot and plow motor hot.

Thanks again and any suggestions for the middle stud /yellow blown fuse would be appreciated.

Runnin to the store to get some more fuses. =)
Was this
answer
helpful?
Yes
No
+1
Wednesday, February 11th, 2015 AT 2:27 PM
Tiny
JDL
  • MECHANIC
  • 16,098 POSTS
You have to click on diagrams to enlarge. Some of my older diagrams are not as easy to read. If our wiring diagrams are not correct or wiring is not factory, I couldn't track it.

After clicking on the image, You may be able to hit control and plus on your key pad, to enlarge, bigger?
Was this
answer
helpful?
Yes
No
Wednesday, February 11th, 2015 AT 3:07 PM
Tiny
TIMDMAINE
  • MEMBER
  • 4 POSTS
Thanks the ctrl plus helped.
I still can't see where the fusable links under the hood/firewall/pas side with the 5 studs would be on the diagram.

The wiring is the same, they just replaced the fusable links with inline 20 amp fuses.
So it's the middle stud on the firewall that blew.
Was this
answer
helpful?
Yes
No
+1
Wednesday, February 11th, 2015 AT 4:48 PM
Tiny
JDL
  • MECHANIC
  • 16,098 POSTS
I found this for your junction block.
Was this
answer
helpful?
Yes
No
Thursday, February 12th, 2015 AT 9:51 AM

Please login or register to post a reply.