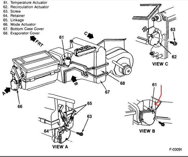
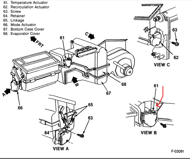
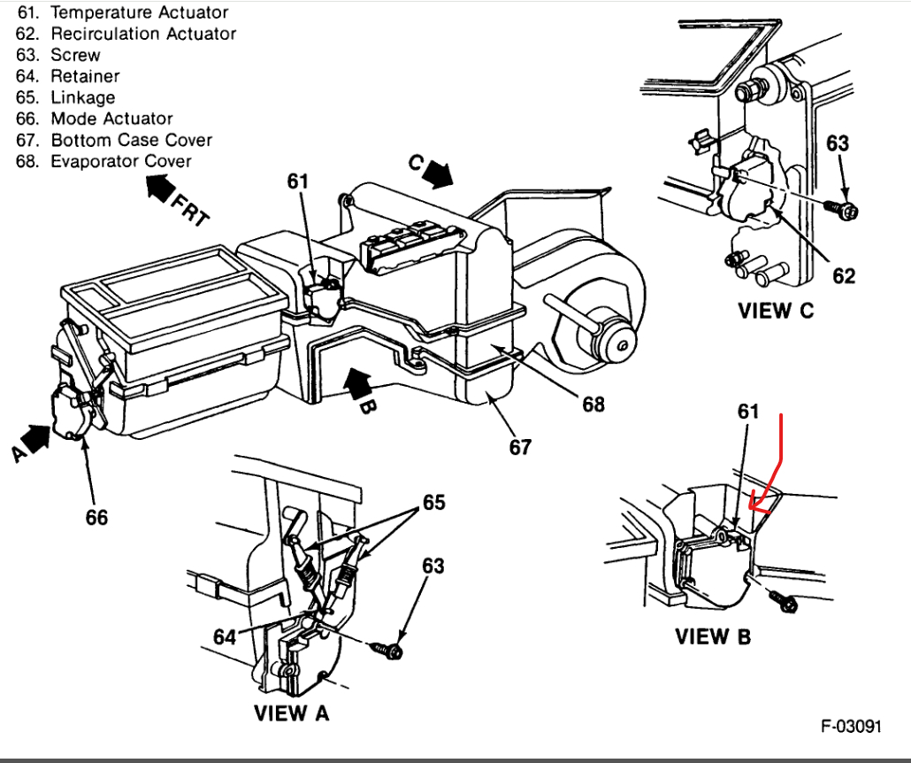
Sunday, January 25th, 2015 AT 8:02 AM
The fan blows / the doors change from defrost to dash vents to floor but when I try to change the temp setting hotter or colder it starts flashing arrows all the way across the temp setting and stays until I shut the power off when I turn it back on everything looks normal


