Check engine codes 26 and 41

1991 BUICK PARK AVENUE
106,000 MILES • 3.8L • V6 • 2WD • AUTOMATIC
Avatar
KCHRISTNER
  • MEMBER
  • 1 POST
I am getting a code 26 and 41 for my car. Code 26 seems to be a Quad Driver Module Error (QDM A error). What are the steps to determine the repair for the Quad Driver Module? Am I correct in thinking that since the car starts and drives that code 41 seems to most likely be an issue with the camshaft sensor circuit? The car starts a little rough and doesn't idle great, but drives fine at speed.
Dec 28, 2018 at 9:34 PM
Repair Safety Notice: This information is for general instructional purposes only. Vehicle repair can be dangerous. Verify all information, follow manufacturer service procedures, use proper tools and safety equipment, and consult a qualified repair shop when needed.
Advertisement
Avatar
ASEMASTER6371
  • CAR REPAIR CONTRIBUTOR
  • 52,796 POSTS
Good morning,

Code 26 is for the quad drivers inside the ECM. in most cases, it is the ECM that is the issue but must be confirmed.

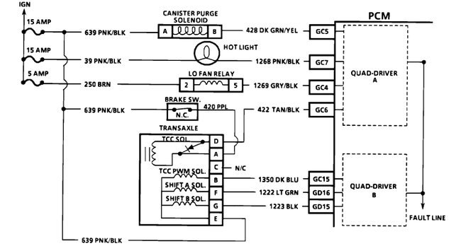
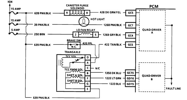
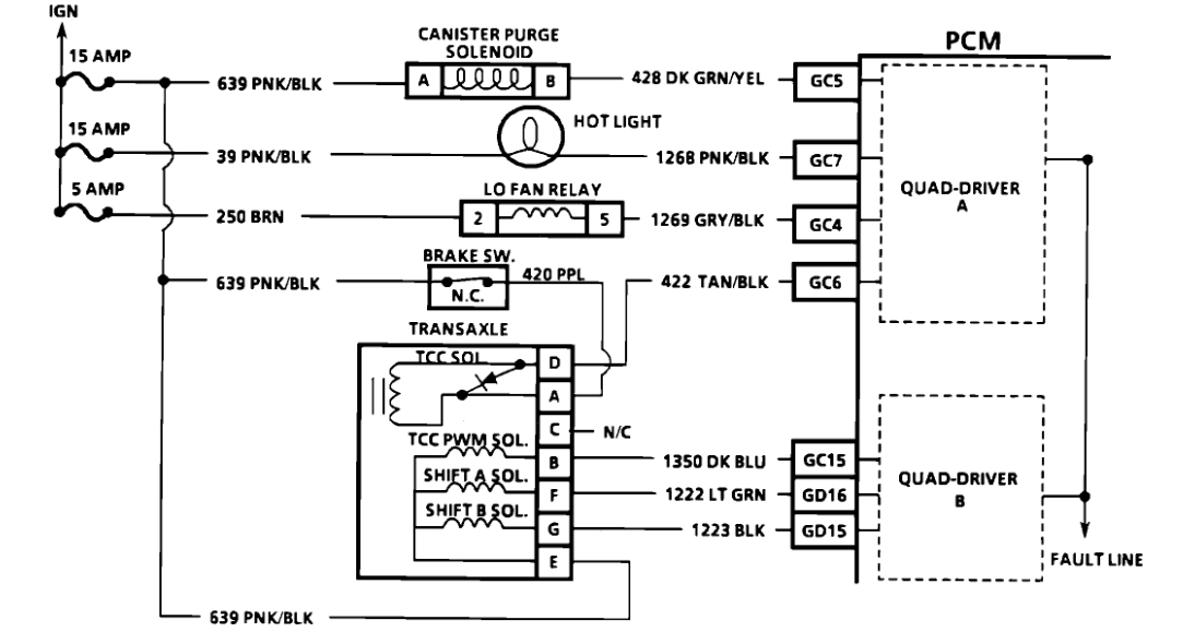
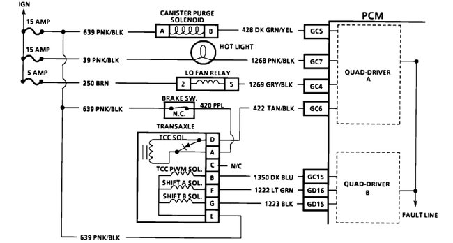
I attached a wiring diagram for you as well. verify power to the fuses on both sides for the ECM.

Roy

CIRCUIT DESCRIPTION:


The PCM is used to control several components such as those in the wiring diagram above. The PCM controls these devices through the use of a quad-driver module (QDM). When the PCM is commanding a component "ON," the voltage potential of the output circuit will be "low" (near 0 volts). When the PCM is commanding the output circuit to a component "OFF," the voltage potential of the circuit will be "high." (Near battery voltage.)

The primary function of the QDM is to supply the ground for the component being controlled. Each QDM has a fault line which is monitored by the PCM. The fault line signal is available on the data stream for "Scan" tool test equipment. The PCM will compare the voltage at the QDM based on accepted values of the fault line. If the QDM fault detection circuit senses a voltage other than the accepted value, the fault line will go from a "low" signal on the data stream to a "high" signal and a Code 26 will set if applicable.

NOTE: Some QDM circuits will switch from "low" to "high" normally.

Examples:

QDM 1(A) - If the brake is depressed. These conditions are normal and no code 26 is set. These are accepted conditions.


Code 26 will set if:


^ The system is in Closed Loop mode.
^ The PCM detects an improper voltage level on a circuit connected to a QDM.
^ The above conditions are met for 10 seconds.



NOTE: Some Scan tools will cause a false Code 26 to be set, if the engine is running and the service brake is set.


NOTE: Because of all the possible color code combinations used on electrical wiring diagrams, always refer to PCM CONNECTOR IDENTIFICATION under ELECTRICAL AND ELECTRONIC WIRING DIAGRAMS for correct color code identification of circuit.

TEST DESCRIPTION: Numbers below refer to circled numbers on the diagnostic chart.

1. The PCM does not know which controlled circuit caused the Code 26 so this chart will go through each of the circuits to determine which is at fault. This test checks the "SERVICE ENGINE SOON" light driver and the "SERVICE ENGINE SOON" light circuit.

QDM symptoms:


^ Hot Light - "ON" all the time/"OFF" during bulb check.

^ Coolant fan on low speed all the time or won't come "ON" at all.

^ Poor driveability due to 100% canister purge.

code 41

CIRCUIT DESCRIPTION:


During cranking, the ignition module monitors the dual crank sensor sync signal. The sync signal is used to determine the correct cylinder pair to spark first. After the sync signal has been processed by the ignition module it sends a fuel control reference pulse to the PCM. When the PCM receives this pulse it will command all six injectors to open for a (priming) shot of fuel in all cylinders. After the priming, the injectors are left "OFF" for the next six fuel control reference pulses (two crankshaft revolutions) from the ignition module. This allows each cylinder a chance to use the fuel from the (priming) shot. During this waiting period, a cam pulse will have been received by the PCM. Now the PCM begins to operate the injectors sequentially, based on true camshaft position. However, if the cam signal is not present at start-up a code 41 will be set and the PCM will start sequential fuel delivery in any old random pattern. The engine has a 1 in 6 chance that fuel delivery is correct.

Code 41 sets when the following conditions are met:

^ Engine is running.
^ Cam sensor signal not received by by the PCM in last 5 seconds.


NOTE: Because of all the possible color code combinations used on electrical wiring diagrams, always refer to PCM CONNECTOR IDENTIFICATION under ELECTRICAL AND ELECTRONIC WIRING DIAGRAMS for correct color code identification of circuit.

TEST DESCRIPTION: Numbers below refer to circled numbers on the diagnostic chart.

1. This step verifies proper operation of CKTs 633, 644, and 645.

2. Step validates the integrity of CKT 630 from C3I module to PCM.

3. If the camshaft gear magnet is interfacing with the cam sensor the voltage reading will be zero, bumping engine will cause the condition to go away.

4. If the voltage reading of "BA12" is constantly varying and connection to the PCM is good, the PCM is faulty.



DIAGNOSTIC AIDS:

^ An intermittent may be caused by a poor connection, rubbed through wire insulation or a wire broken inside the insulation.

Check For:

^ Poor Connection or a damaged Harness inspect PCM harness connectors for backed out terminal "BA12," improper mating, broken locks, improperly formed or damaged terminals, poor terminal to wire connection and damaged harness.

^ Intermittent Test If connections and harness check OK, monitor a digital voltmeter connected from PCM terminal "BA12" to ground while moving related connectors and wiring harness. If the failure is induced, the voltage reading will change. This may help to isolate the location of the malfunction.
Dec 29, 2018 at 6:01 AM
Advertisement