Monday, August 12th, 2013 AT 9:01 PM
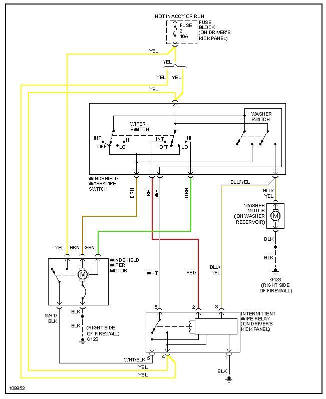
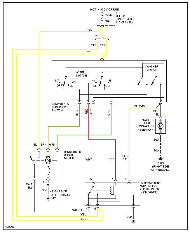
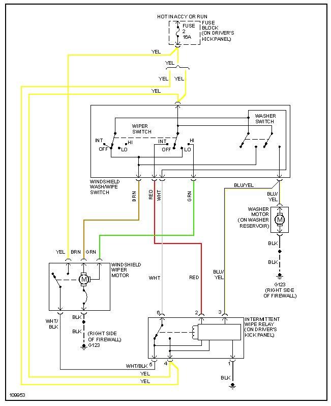
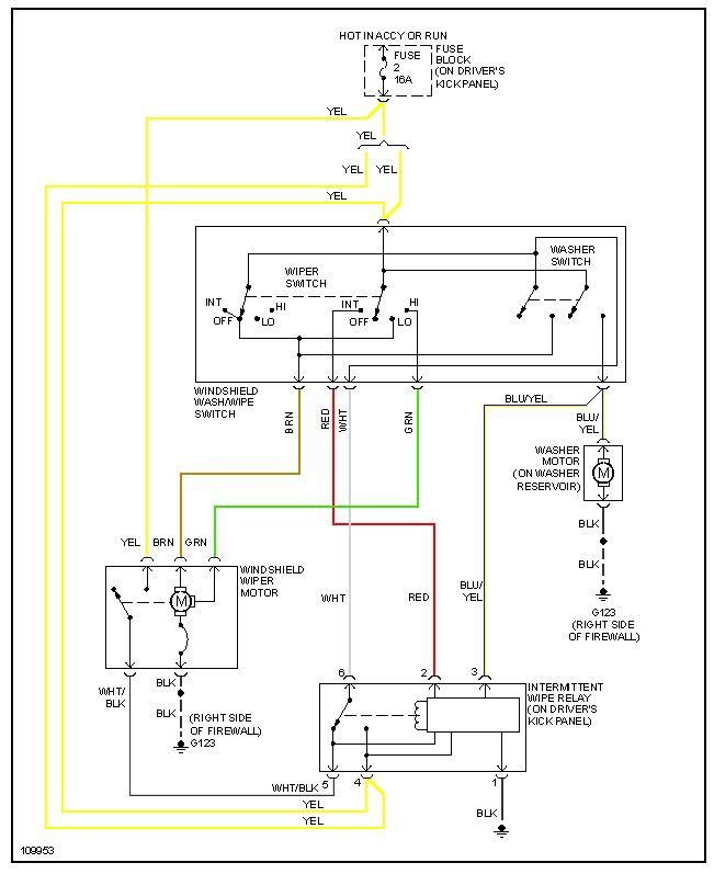
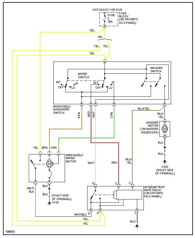
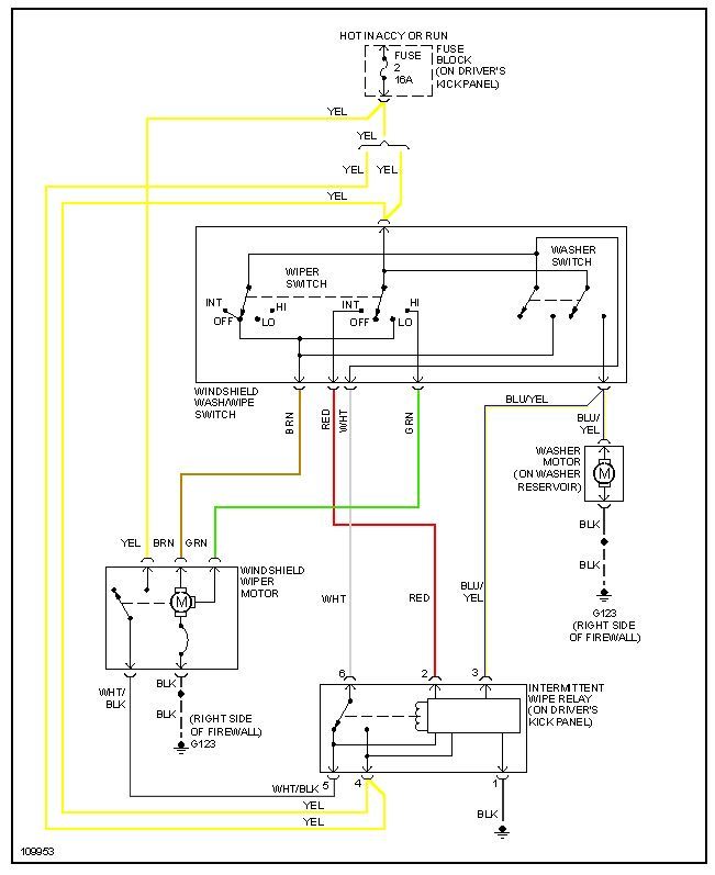
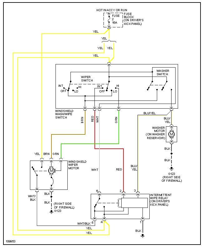
It started with the window/power steering fuse (memory is telling me that's number 12.) It has since added the number 2 fuse for wipers as well as the brake light (number 4 I think) fuse to the list of blowouts. I have a constant "Bulb out" light (which is my passenger brake light.) I have to insert and pull the window fuse to let the windows up and down each time. I can't get the number 2 wiper fuse to stop blowing. I have no money and this is the first car I've gotten with no carb and more unnecessary electronic components than I know what to do with. HELP!



