Friday, February 15th, 2013 AT 9:51 PM
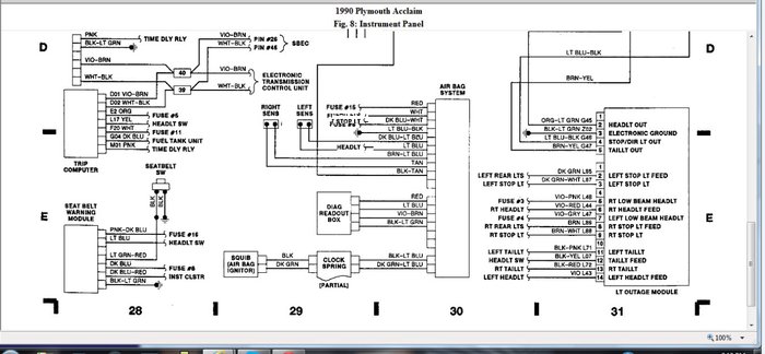
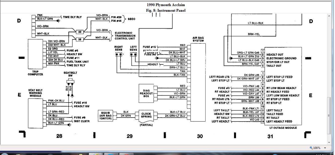
The park lights stay on even with the headlight switch off. I diconnected the switch thinking the problem was in it but the lights stayed on. Where else do the park lights get power from and what could cause them to stay on? Thanks


