I need a digram for the ignition switch wiring.

Tiny
ANONYMOUS
  • MEMBER
  • 1990 MERCEDES BENZ 300E
  • 231,059 MILES
I need a digram for the ignition switch wiring the colors
Monday, November 19th, 2012 AT 6:54 PM

5 Replies

Tiny
ALSSAWALEH
  • MEMBER
  • 4 POSTS
I have nissan cedric 2001, the engine stopped and I try to start it but I can not. I removed coil plug to check the voltage but no power. Can get help how to petrol and can get the wiring diagram
Was this
answer
helpful?
Yes
No
Wednesday, April 12th, 2017 AT 3:28 AM
Tiny
KEN L
  • MASTER CERTIFIED MECHANIC
  • 55,535 POSTS
Hello,

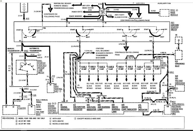
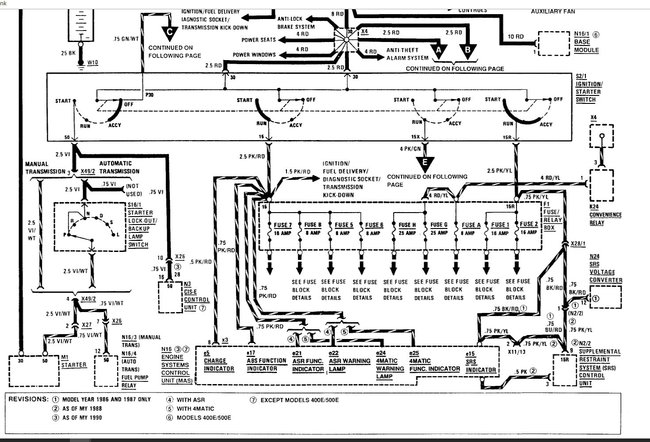
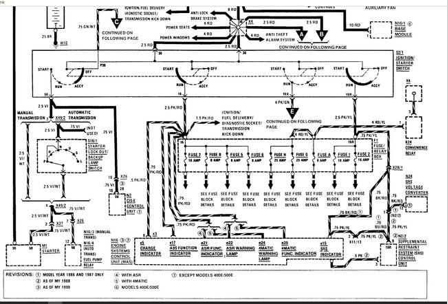
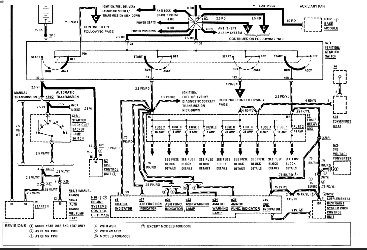
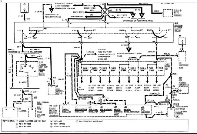
Have this wiring diagram for your 2000 Mercedes e300,

Please let me know if you need anything else to get the problem fixed.

Best, Ken
Was this
answer
helpful?
Yes
No
-1
Saturday, April 15th, 2017 AT 12:30 PM
Tiny
ALSSAWALEH
  • MEMBER
  • 4 POSTS
I need your answer for 2000 Mercedes e300.
Was this
answer
helpful?
Yes
No
Sunday, April 16th, 2017 AT 2:45 AM
Tiny
ALSSAWALEH
  • MEMBER
  • 4 POSTS
I have nissan cedric 2001, you answer for 2000 Mercedes e300.
Was this
answer
helpful?
Yes
No
Sunday, April 16th, 2017 AT 2:45 AM
Tiny
KEN L
  • MASTER CERTIFIED MECHANIC
  • 55,535 POSTS
Please start a new question and we will get it for you
Was this
answer
helpful?
Yes
No
Monday, April 17th, 2017 AT 2:12 PM

Please login or register to post a reply.