My AC works and the blower goes on but knowthing comes out of the vents?

Tiny
FFRANKMAX
  • MEMBER
  • 1990 JAGUAR XJ6
  • 73,000 MILES
I suspect the master vent is not opening?
Tuesday, November 15th, 2011 AT 9:18 PM

2 Replies

Tiny
JACOBANDNICKOLAS
  • MECHANIC
  • 110,194 POSTS
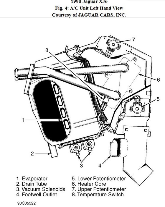
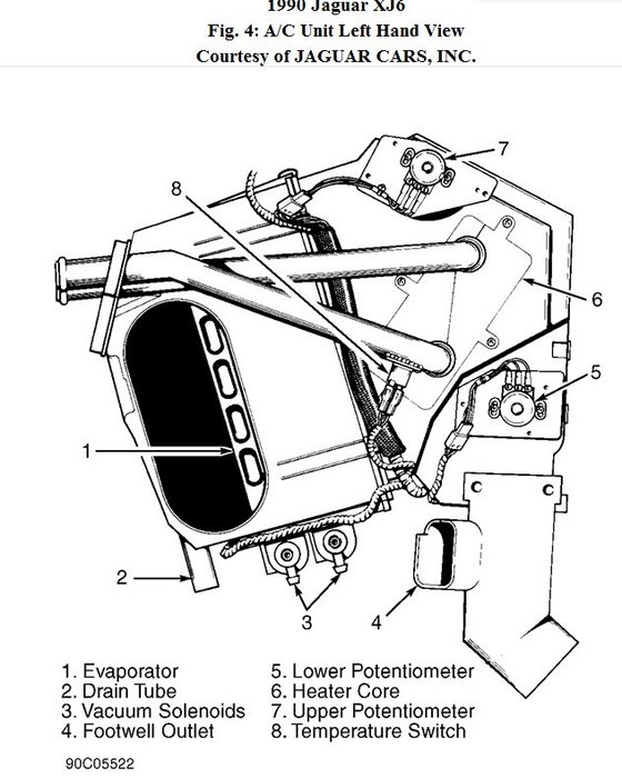
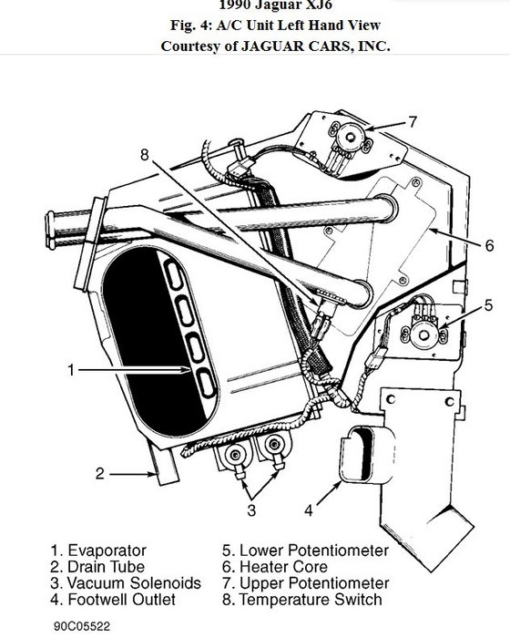
The system is actuated by engine vacuum. Have you checked for any vacuum leaks both under the dash as well as under the hood? I would recommend starting at the vacuum reservoir under the battery. Check for disconnected hoses or dry rotted hoses. With the engine running, you may get lucky and hear a hissing noise from the leak. Also, check to make sure the upper flap motor is working on the HVAC unit. I attached a picture of it.

Let me know
Was this
answer
helpful?
Yes
No
Tuesday, November 15th, 2011 AT 11:01 PM
Tiny
DRCRANKNWRENCH
  • MECHANIC
  • 3,380 POSTS
There are a couple of issues that can cause this. You are on the right track as there is a mode door that is stuck and will not change, "Modes" or where the air comes out from. It can block all vents, but that is a different issue to research. So, if you find that no air is coming out of any outlet, eg. The defroster, heat vents, etc. Then let me know so we can look at this in a different way. However some of the following will still apply as likely sources for the problem you are describing.
The parts to inspect and check for proper operation are;

The vacuum supply loss from the engine to the firewall connector.
Vacuum supply loss from the firewall connector to the control panel mode switch.
Defective ECM.
Defective vacuum solenoid.
Defective Mode switch.
Binding linkage or stuck doors.

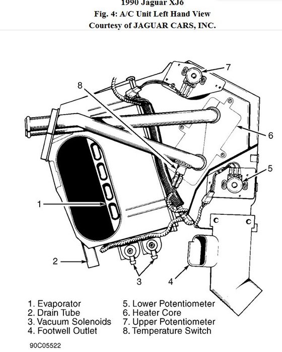
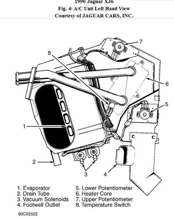
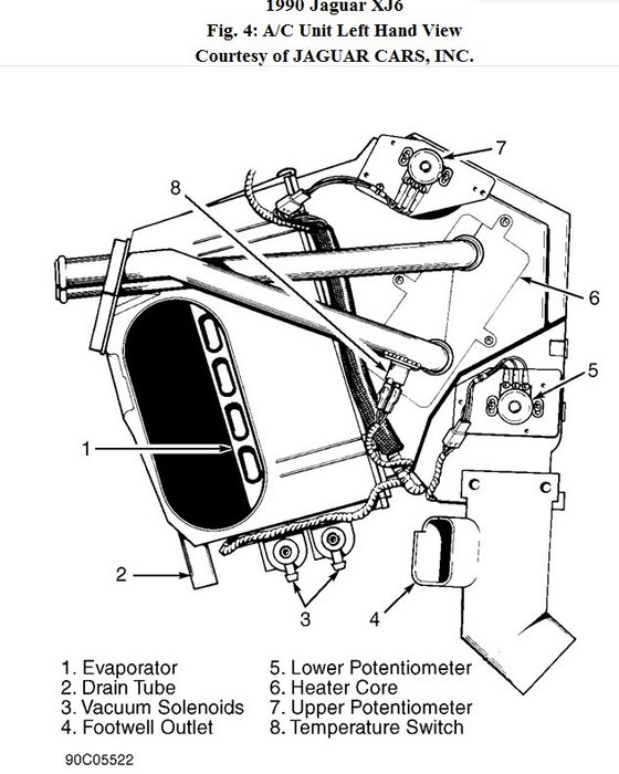
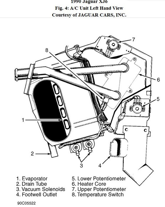
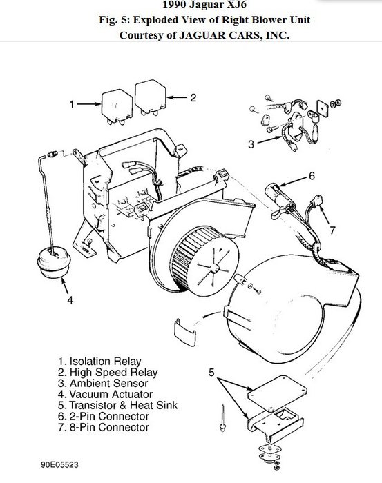
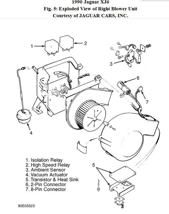
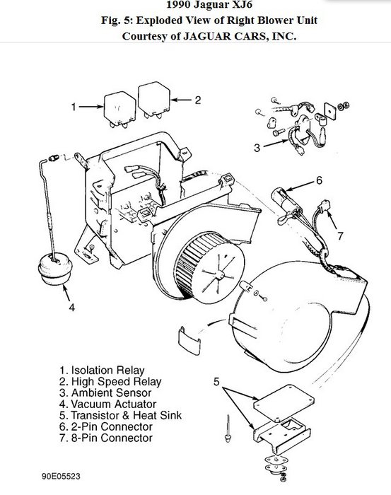
I am giving you diagrams of the A/C-Heater system both from the left and right view, to give you the orientation and location of the doors, the blower motor which has a vacuum control for one of the doors and the instructions on removing and re-installing the vacuum actuator and solenoid door controls.

Let me know if you need anything else and I will watch for your reply.
Was this
answer
helpful?
Yes
No
+1
Tuesday, November 15th, 2011 AT 11:27 PM

Please login or register to post a reply.