Wiring diagram needed for the engine bay and lights?

Tiny
JAIR
  • MEMBER
  • 1990 DODGE TRUCK
  • 5.9L
  • 6 CYL
  • TURBO
  • 4WD
  • AUTOMATIC
  • 219 MILES
Looking for wiring diagram of the engine bay and lights, pictures and PDFs are very helpful!

Thanks!

1990 Dodge W250 Turbo Diesel.
Thursday, October 19th, 2023 AT 5:40 AM

3 Replies

Tiny
JACOBANDNICKOLAS
  • MECHANIC
  • 110,192 POSTS
Hi,

I would be happy to help, but we need to narrow it down a bit. LOL Are there specific circuits you need information on with regards to under the hood?

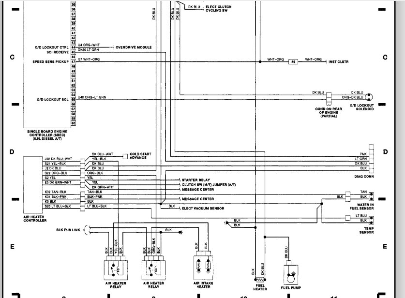
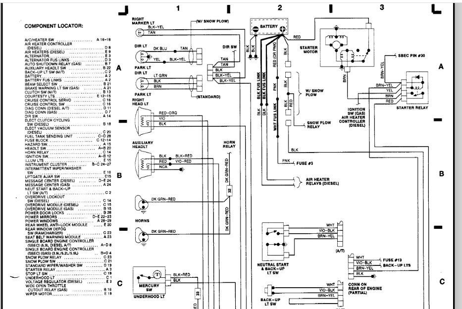
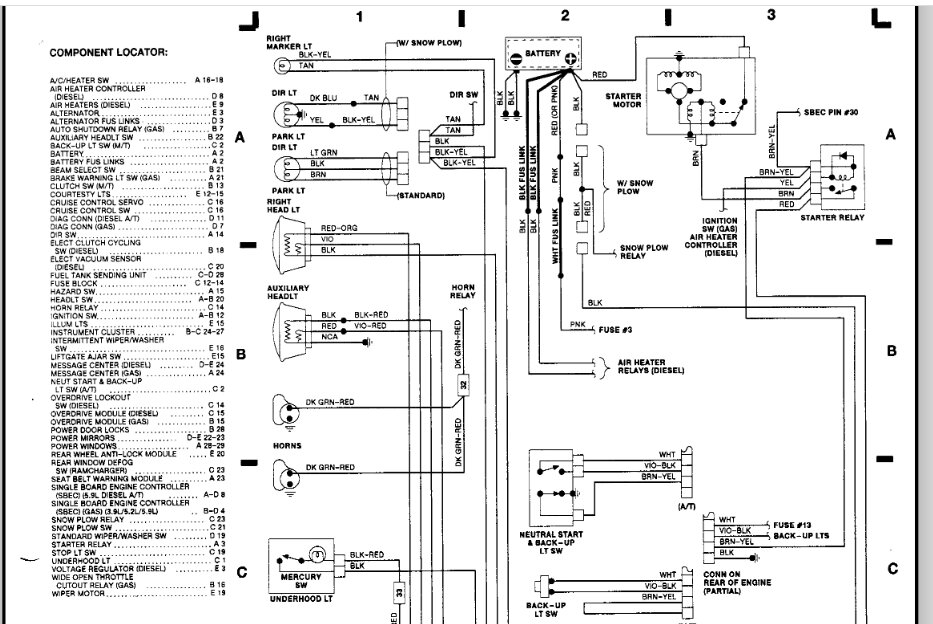
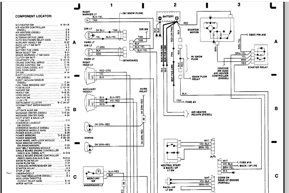
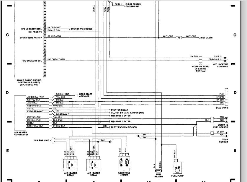
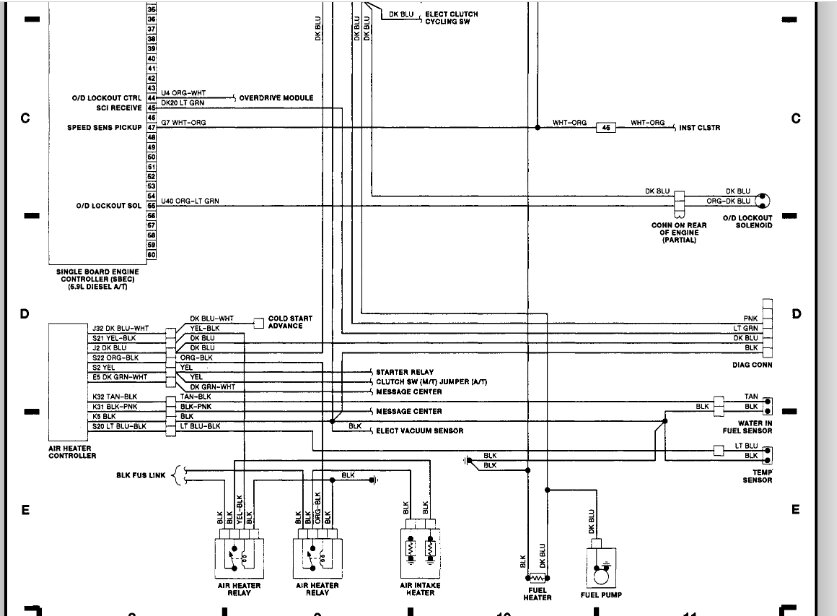
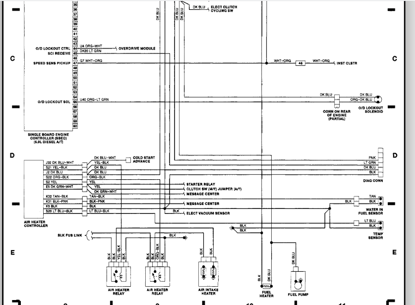
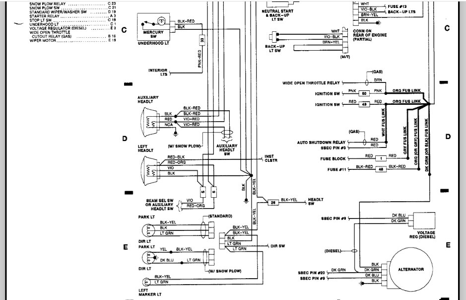
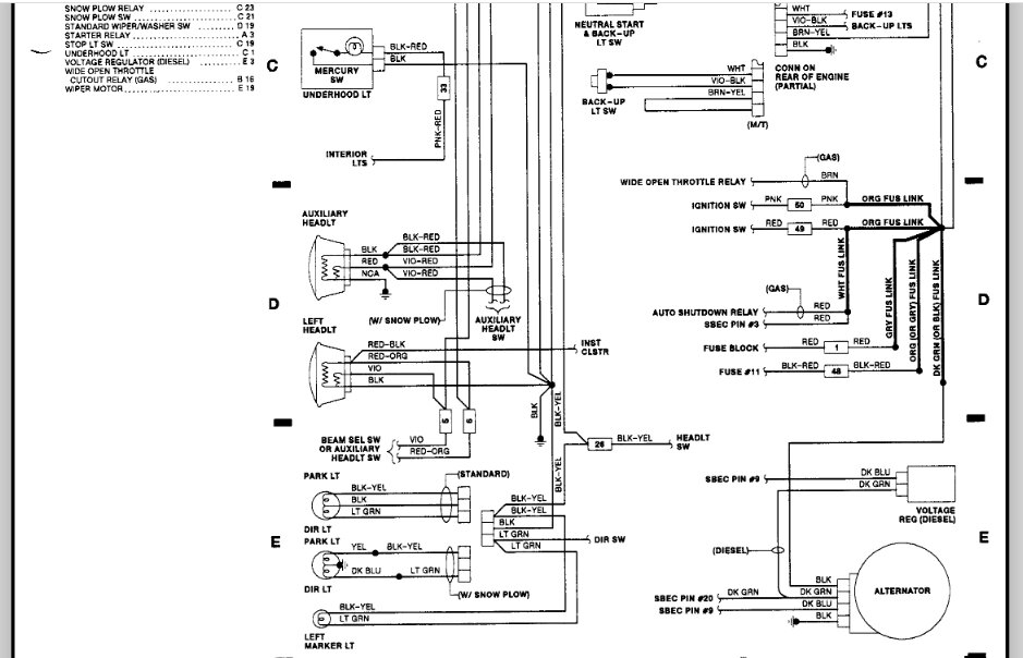
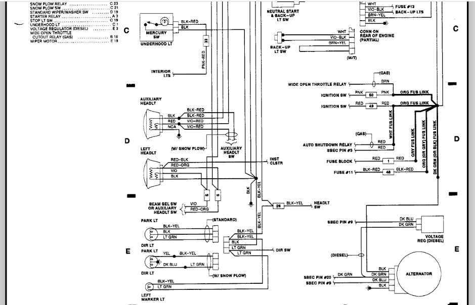
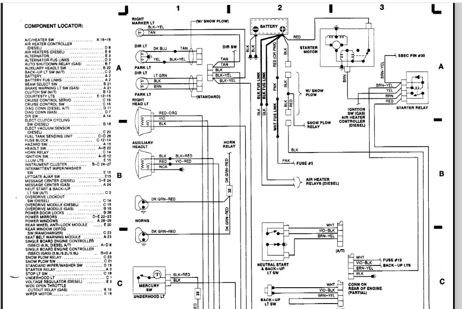
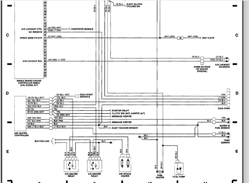
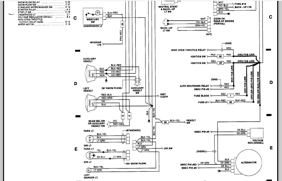
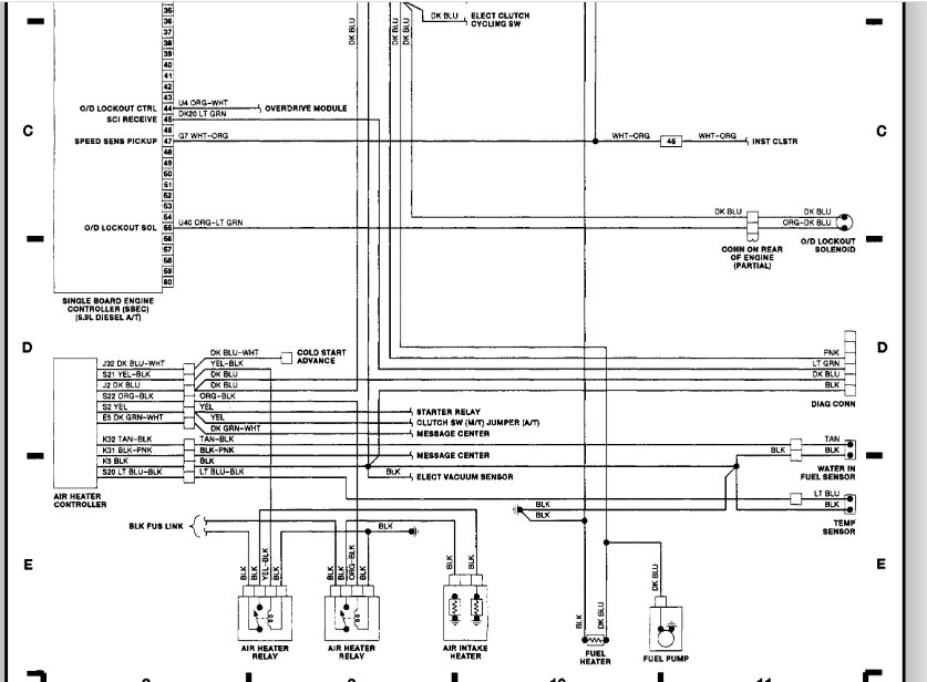
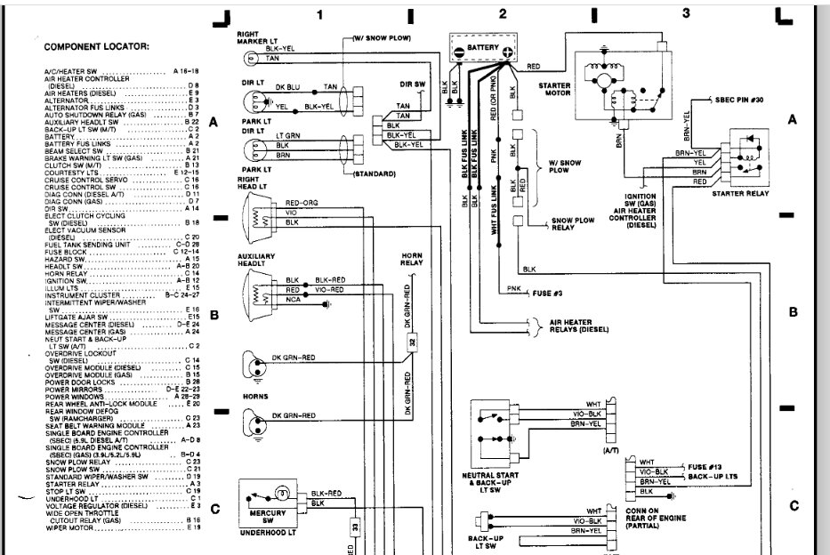
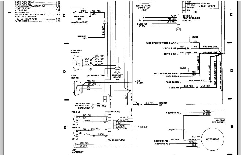
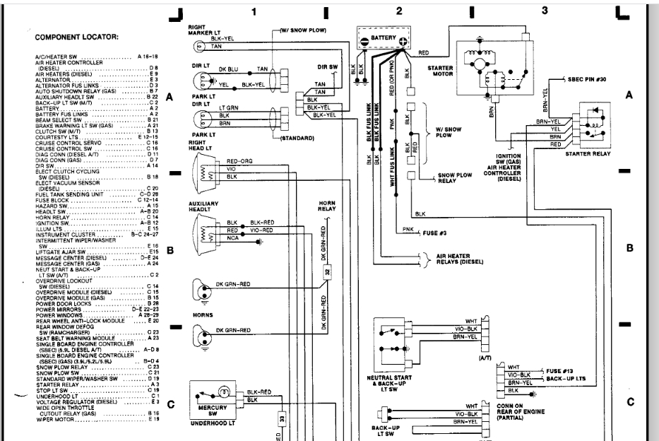
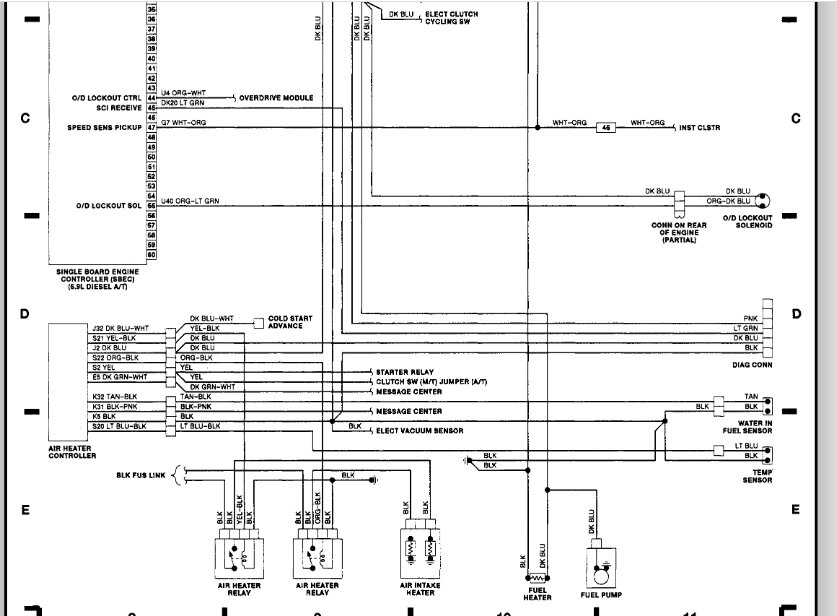
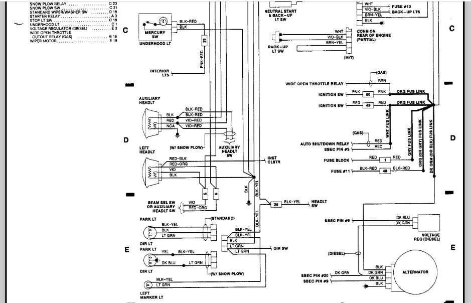
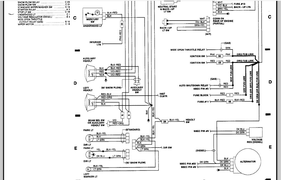
As far as lighting, I attached them below as well as the engine controller. Please understand that because of the model year, schematics are all OEM and in black and white. I cut each one in half to make them more readable, but the wording is still small. Let me know if you have specific questions or a specific circuit of interest. Also, I am assuming this is a diesel.

Let me know if this helps.

Joe

See pics below.
Was this
answer
helpful?
Yes
No
Thursday, October 19th, 2023 AT 8:10 PM
Tiny
JAIR
  • MEMBER
  • 8 POSTS
Yes, it is a Diesel, thanks, this helps a lot!
Was this
answer
helpful?
Yes
No
Friday, October 20th, 2023 AT 7:15 AM
Tiny
JACOBANDNICKOLAS
  • MECHANIC
  • 110,192 POSTS
Hi,

You are welcome. Let me know if you have other questions.

Take care,

Joe
Was this
answer
helpful?
Yes
No
Friday, October 20th, 2023 AT 2:42 PM

Please login or register to post a reply.