Tuesday, August 20th, 2013 AT 11:30 AM
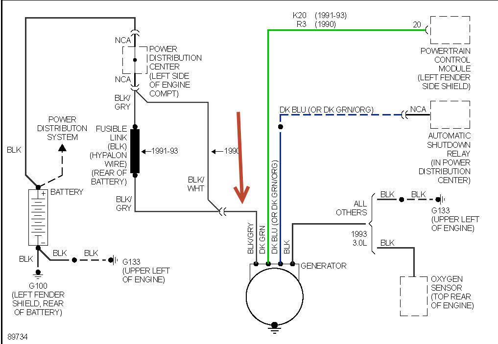
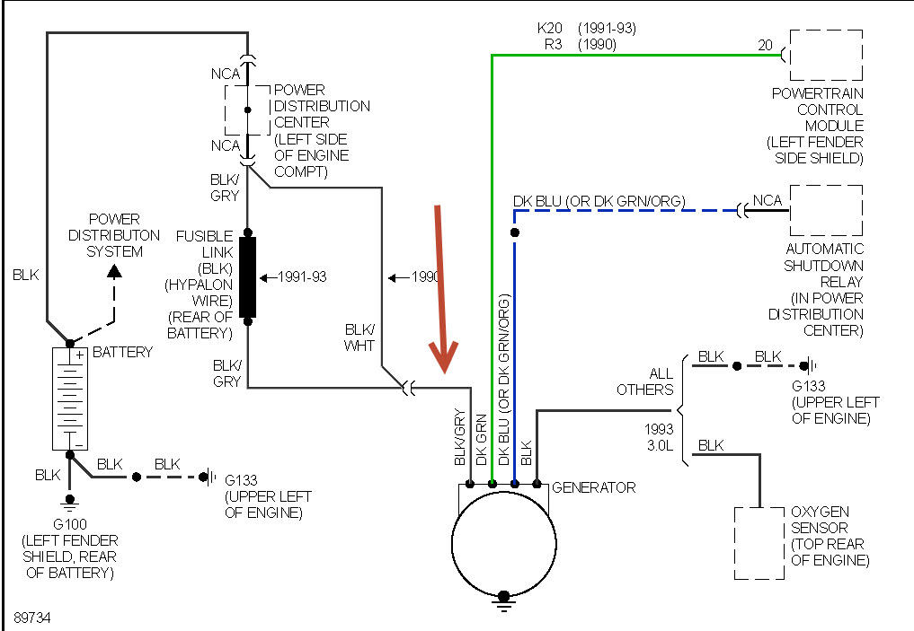
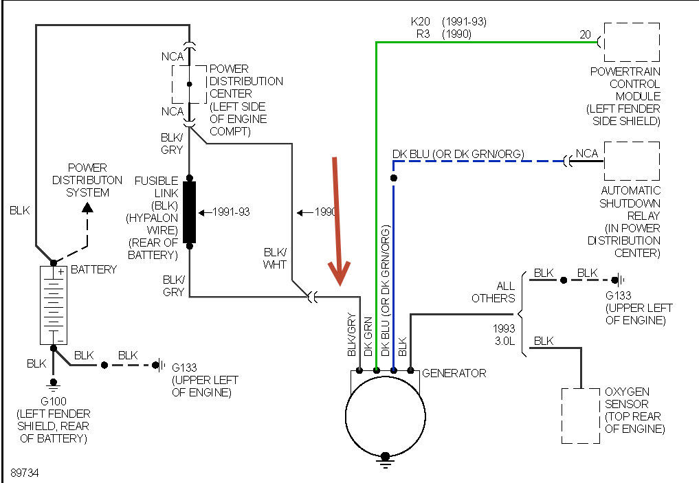
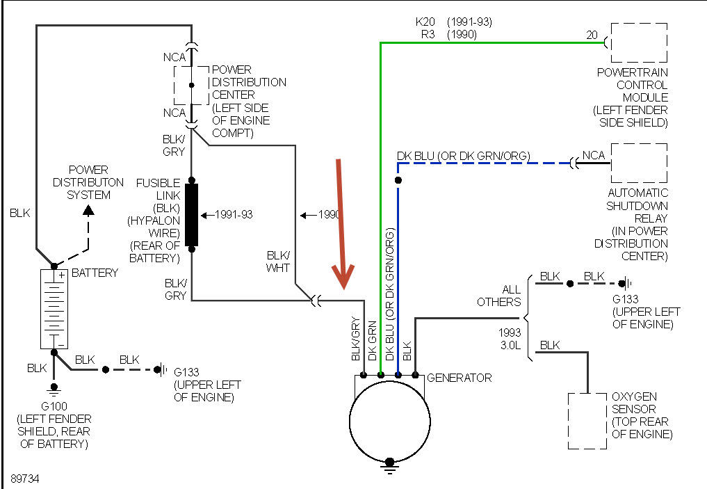
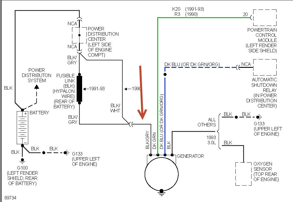
The car will start and all runs fine. But I have the error code 41 from the engine. It is a new alternator (2nd one because the first did same thing) and it is not charging. On the connector block that is bolted onto the alternator, there is one terminal that is not insulated and bolt directly to the alternator case. Upon checking the continuity with this lead and the main lead that goes to the battery, they are connected or shorted inside the block. Is this supposed to be like this. The 2 middle terminals on this block go to the computer and I have check them to the connector for the computer. They have no breaks or shorts. The alternator is new and the asd relay are new. I am not sure where to go from here. Do I need a new cable or computer module?
