Shutdown

Tiny
BILLY THE WRENCH
  • MEMBER
  • 1990 CHEVROLET CORSICA
  • 6 CYL
  • 2WD
  • AUTOMATIC
On a 1990 GM car - which sensors can tell the computer to shut down the engine?
Saturday, January 15th, 2011 AT 2:05 PM

12 Replies

Tiny
JACOBANDNICKOLAS
  • MECHANIC
  • 110,194 POSTS
Usually the security system can do it. There is also an ASD (auto shut down) that can do it in the event of an accident.
Was this
answer
helpful?
Yes
No
Thursday, January 20th, 2011 AT 6:41 PM
Tiny
BILLY THE WRENCH
  • MEMBER
  • 7 POSTS
I am pretty sure there has been no accident. I am using the car that came with the car - is there a method of checking the security system?
Was this
answer
helpful?
Yes
No
Thursday, January 27th, 2011 AT 2:26 PM
Tiny
JACOBANDNICKOLAS
  • MECHANIC
  • 110,194 POSTS
The security system light will stay on. As far as checking it, the dealer is the only one that has the proper test equipment.
Was this
answer
helpful?
Yes
No
Thursday, January 27th, 2011 AT 2:48 PM
Tiny
BILLY THE WRENCH
  • MEMBER
  • 7 POSTS
Thanks. The nearest dealer is $150 tow job away. Symtoms: Car starts easy - runs 2-3 seconds and shuts off. I have about 50psi fuel pressure all the time. Must be ignition cut off. Have owned the car since day one. Is there any other sensor that can stop the ignition in 2-3 seconds?
Was this
answer
helpful?
Yes
No
Thursday, January 27th, 2011 AT 5:24 PM
Tiny
JACOBANDNICKOLAS
  • MECHANIC
  • 110,194 POSTS
Many, but most common is the crank sensor.
Was this
answer
helpful?
Yes
No
Thursday, January 27th, 2011 AT 6:08 PM
Tiny
BILLY THE WRENCH
  • MEMBER
  • 7 POSTS
Thanks, I will check that-
Was this
answer
helpful?
Yes
No
Thursday, January 27th, 2011 AT 7:44 PM
Tiny
JACOBANDNICKOLAS
  • MECHANIC
  • 110,194 POSTS
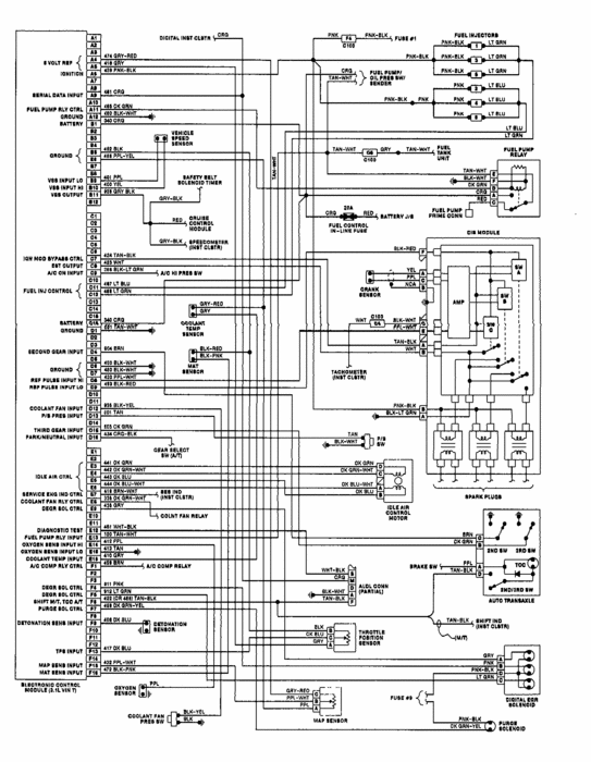
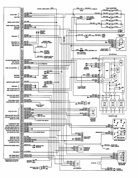
I did more research. Everything I have read indicates there is an ASD, but I've gone through every schematic I can find and can't locate it. I have attached a copy of the wiring schematic for engine performance. It should be on that schematic. Maybe you'll find it because I can't. Also, I have to say if the ASD was kicked, there would be no fuel getting to the engine, so that makes me question it. As far as the schematic, the manual may be indicating a general statement of all GM vehicles produces at that time.

Let me know what you find.

Joe
Was this
answer
helpful?
Yes
No
Friday, January 28th, 2011 AT 3:49 AM
Tiny
BILLY THE WRENCH
  • MEMBER
  • 7 POSTS
Jooe, thanks for the diagram. I dont see it either. Got the car up on jack stands - will be looking at the Crankshaft position sensor today. I'll let you know what I find.
Was this
answer
helpful?
Yes
No
Friday, January 28th, 2011 AT 6:16 PM
Tiny
JACOBANDNICKOLAS
  • MECHANIC
  • 110,194 POSTS
Glad to help. Let me know what you find.
Was this
answer
helpful?
Yes
No
Friday, January 28th, 2011 AT 6:24 PM
Tiny
BILLY THE WRENCH
  • MEMBER
  • 7 POSTS
Finally got to it. New CPS in place - just because the old one was heat cracked all around. Still the same problem - no change.
Was this
answer
helpful?
Yes
No
Monday, January 31st, 2011 AT 12:49 AM
Tiny
BILLY THE WRENCH
  • MEMBER
  • 7 POSTS
I Ohmed the injectors - 4 were less than 6 ohms and 2 were right at 12. I get a pretty good deal - so I replaced all of them. Car starts and runs. Learned to idle after about 10 mins. Thanks for your help!
Was this
answer
helpful?
Yes
No
Friday, February 4th, 2011 AT 1:36 AM
Tiny
JACOBANDNICKOLAS
  • MECHANIC
  • 110,194 POSTS
Glad you got it fixed. Let us know if you have questions in the future.

Joe
Was this
answer
helpful?
Yes
No
Friday, February 4th, 2011 AT 3:18 AM

Please login or register to post a reply.