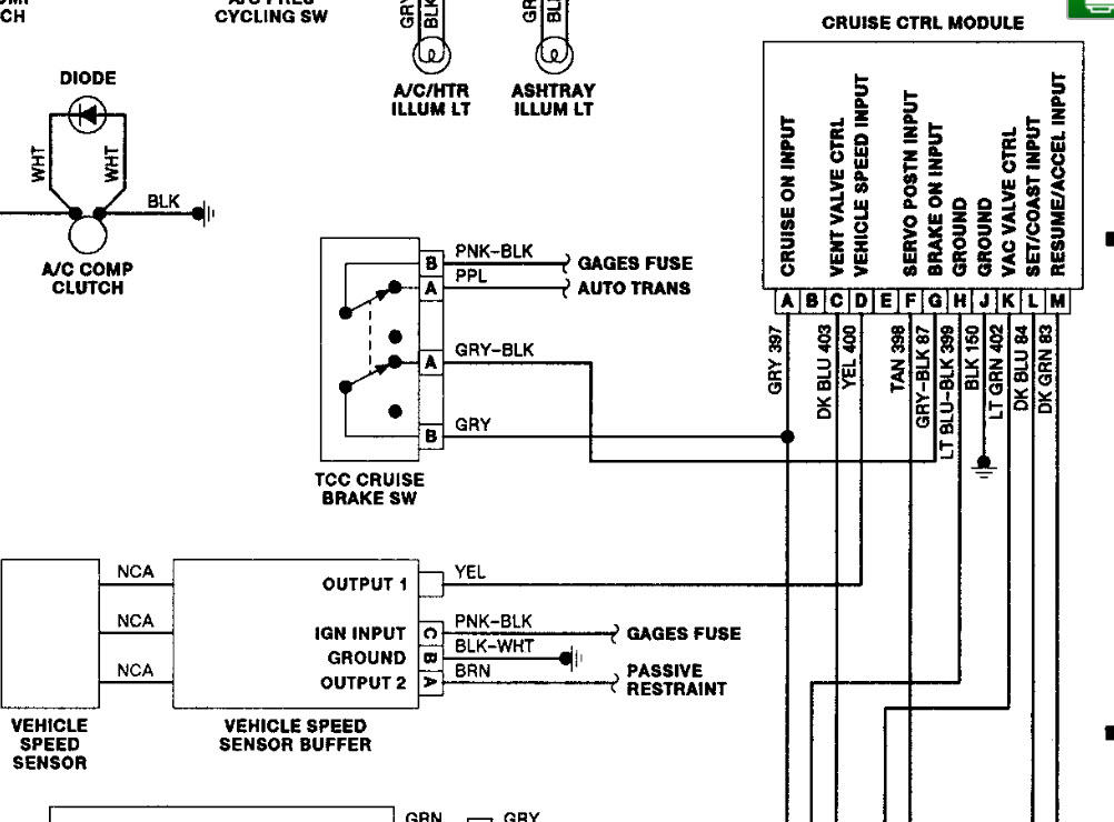
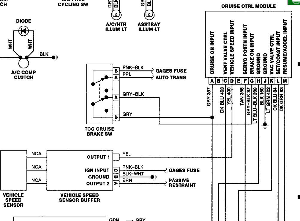
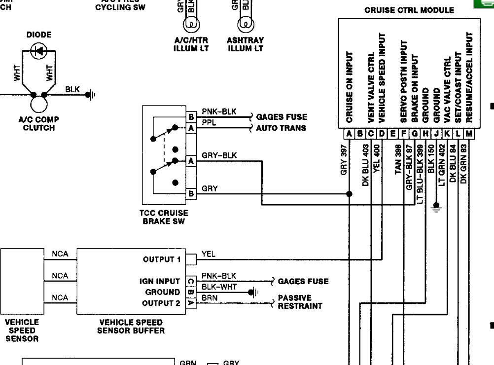
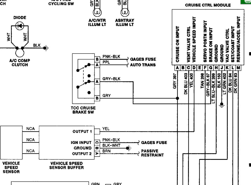
cruise control not working could you please find a wiring diagram and a test procedure if possible.
Thank You: Peter Galbraith
Thank You: Peter Galbraith
Sep 13, 2015 at 3:06 PM

