Saturday, October 26th, 2019 AT 2:14 PM
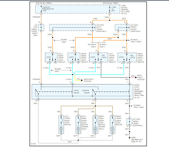
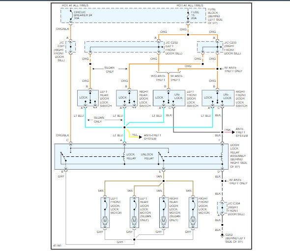
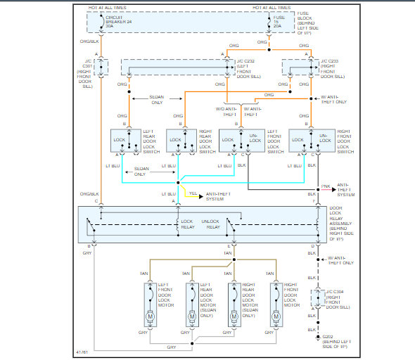
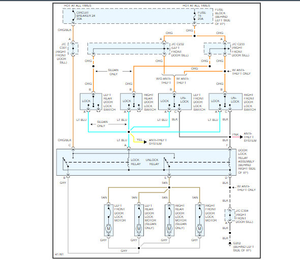
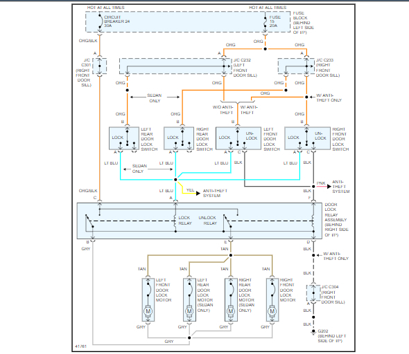
This is a FWD. The electric door locks won't lock or unlock. The security system still works. Could it be the door lock actuator? If so, where is it located? Also, where is the blower door panel actuator located on this model?


