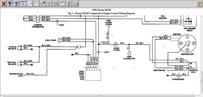
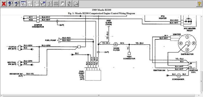
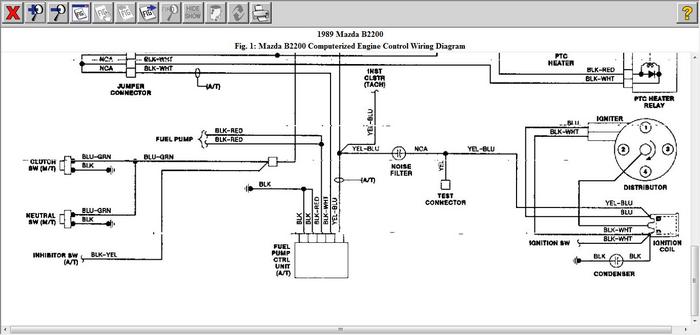
Friday, November 18th, 2011 AT 9:21 PM
I replaced the engine in my 1989 Mazda B2200. Connecting the wiring back I discovered the 2 wires(1 blue 1 black with white stripe) coming out of distributor had been cut short of connectors.I am having trouble at where they connect to.



