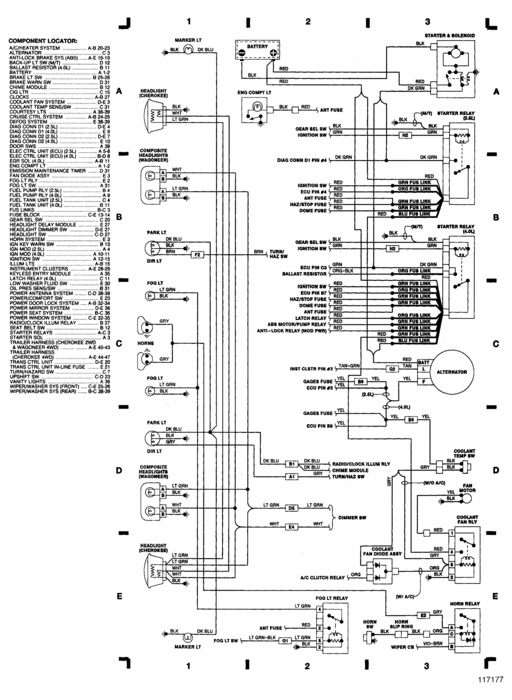
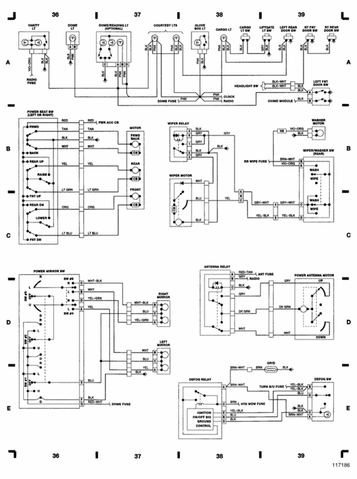
Saturday, October 22nd, 2011 AT 12:06 PM
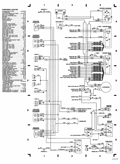
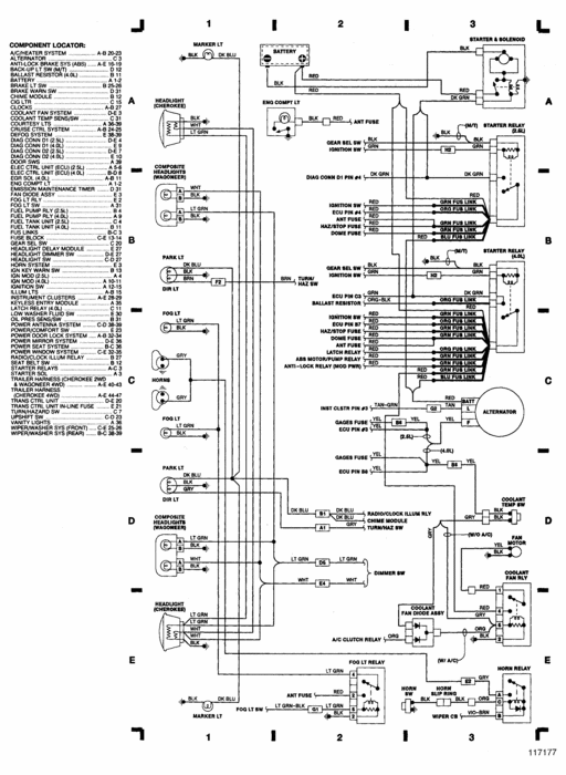
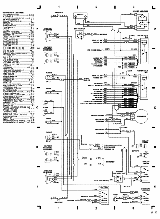
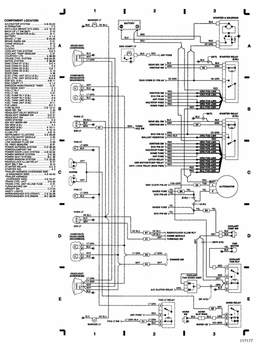
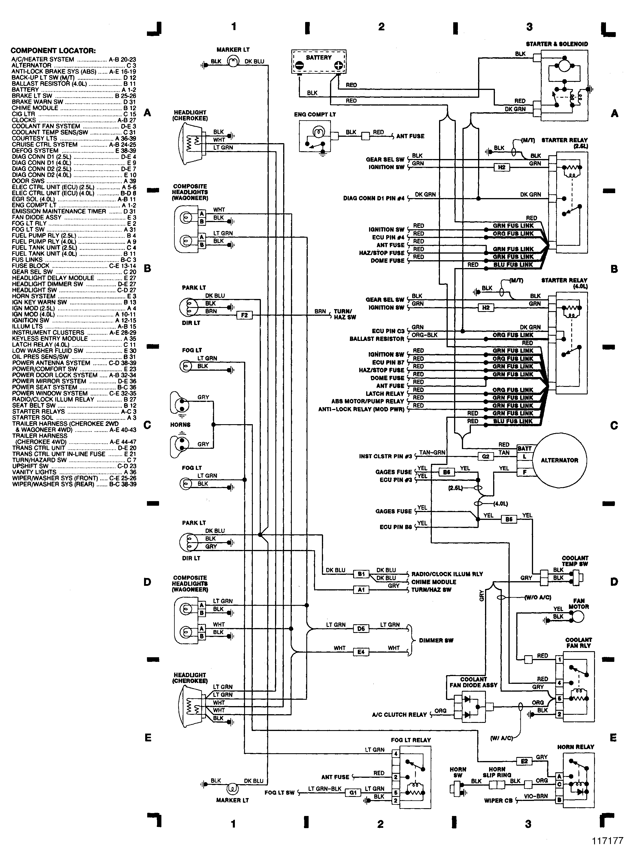
The part my headlight switch goes into got so hot it melted.I always had to pull the switch out so I could turn off car. Was also draining battery. Got new part and headlights work. But now I can't get my tail and marker lights to come on. Checked each fuse and relays-good tested fuse box-good can't find problem. They were working before I had the new light part. I had to put on all new connectors and try to match up the wires. Is the a certain order or did I put it with the wrong wire? Am I going to have to make a jumper wire and if so where at. I have to use my hazards as blinkers thanks a lot amy feel free to email me



