I think that I blew a fuse

Tiny
WHITE 41
  • MEMBER
  • 1989 JAGUAR XJS
  • 60,700 MILES
Interior lights won't work. The where working fine until I tried to test the number 1 switch above the stereo off to the right of the clock. Checked all three fuse areas and all are good. Is their another fuse for interior lights. An in line fuse that I haven't found yet. Please help. All interior lights that operate normally when door is opened are not working now.
Tuesday, December 13th, 2011 AT 6:27 AM

24 Replies

Tiny
RIVERMIKERAT
  • MECHANIC
  • 6,110 POSTS
Our reference material doesn't have a wiring diagram for the interior lights on your car. If all fuses in the panels are good, use a meter or continuity tester to check the bulbs. I can't think of how, except to say "It's a Jaguar" but it sounds like whatever button you pushed caused all of the lights to short out. There may be a common ground for everything that may have shorted.
Was this
answer
helpful?
Yes
No
Tuesday, December 13th, 2011 AT 6:37 AM
Tiny
WHITE 41
  • MEMBER
  • 6 POSTS
Is there a relay for interior lights?
Was this
answer
helpful?
Yes
No
Tuesday, December 13th, 2011 AT 7:07 AM
Tiny
RIVERMIKERAT
  • MECHANIC
  • 6,110 POSTS
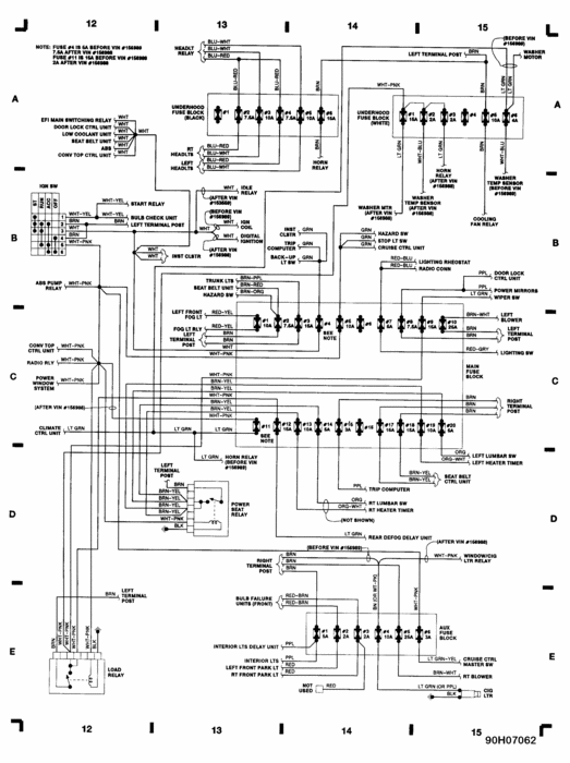
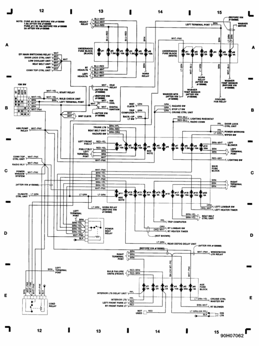
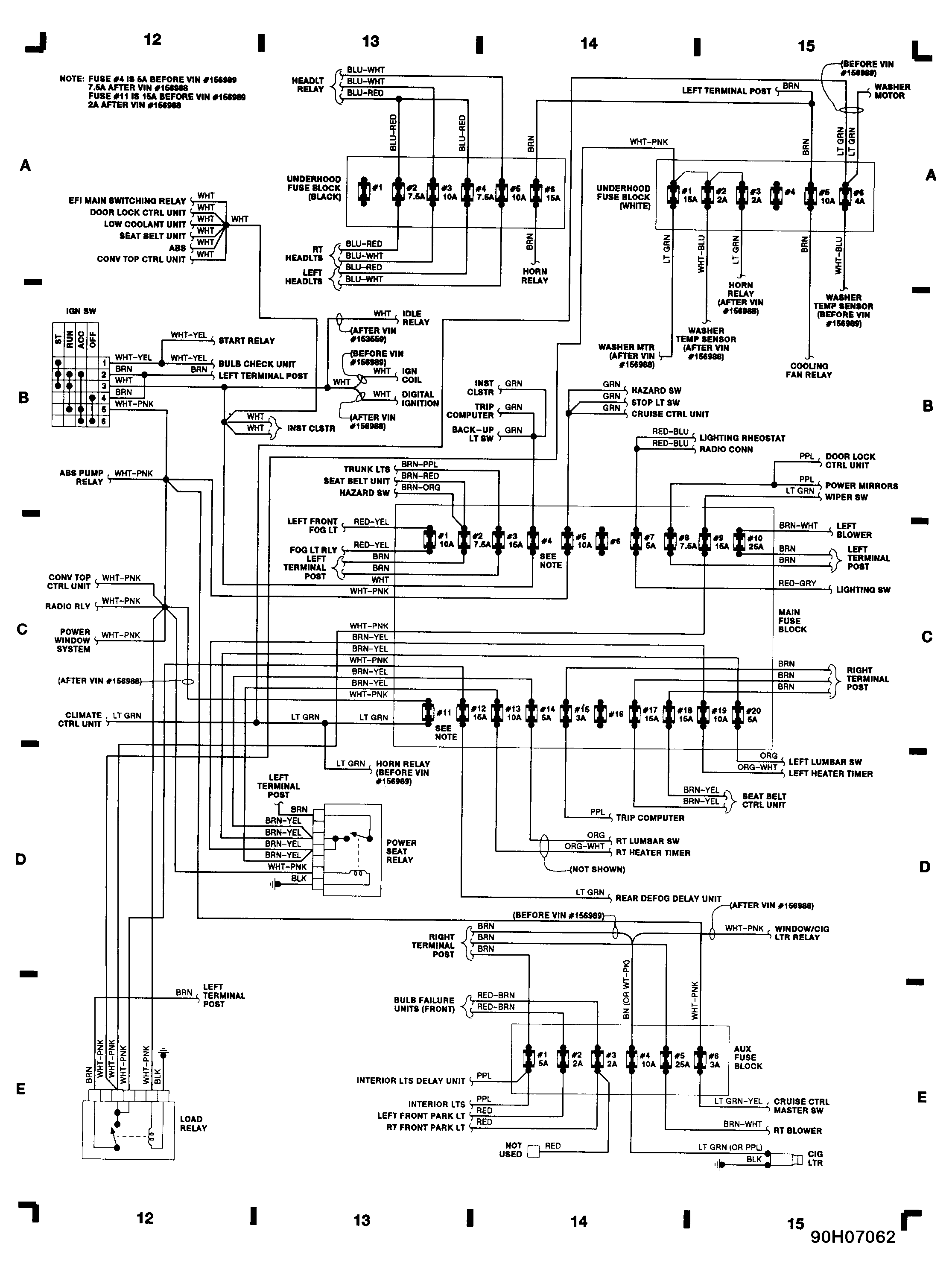
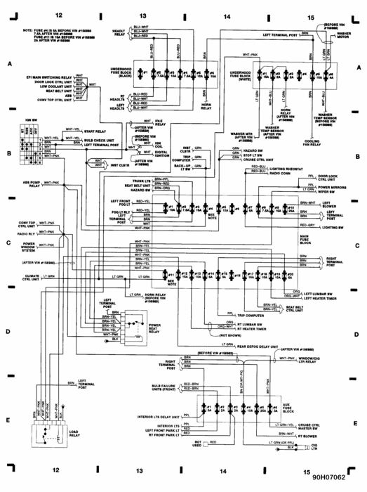
There is a module to test the interior bulbs, but I don't see a relay for them. I have attached the tables from our reference materials
Was this
answer
helpful?
Yes
No
Tuesday, December 13th, 2011 AT 7:25 AM
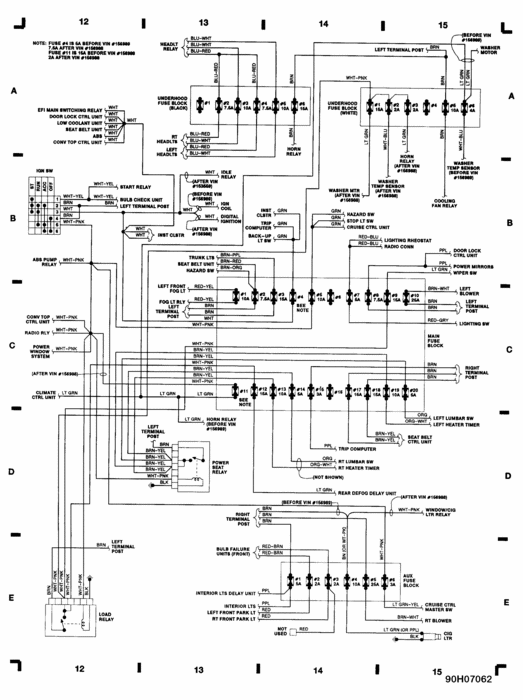
Tiny
CJ MEDEVAC
  • MECHANIC
  • 11,005 POSTS
I WAS ALREADY IN MIT I, AND I NEED THE PRACTICE

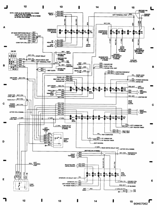
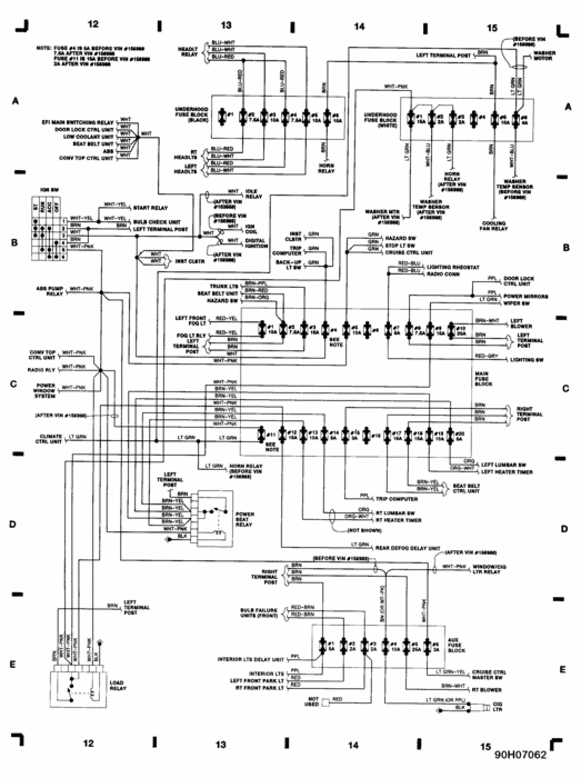
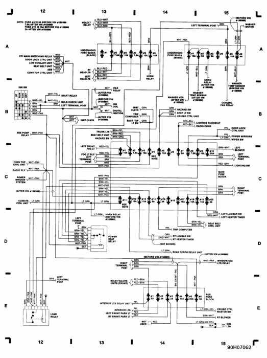
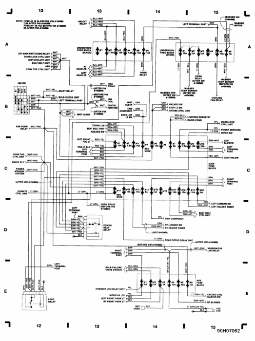
FOUND THIS DIAGRAM, AMONG MANY OTHERS

LOOKS LIKE YOU HAVE MULTIPLE FUSE BLOCK LOCATIONS (IF I AM SEEIN' THIS RIGHT)

TWO ARE UNDER THE HOOD---ONE IS THE "MAIN" (GUESSING INSIDE)---AUXILIARY, I DO NOT SEE IT'S LOCATION

IF YOU CANNOT SEE THIS CLEAR ENOUGH, LET ME KNOW, I CAN MAYBE HELP OUT IN THAT DEPT. I DO NOT KNOW HOW THIS WILL LOOK ON 2CAR UNTIL I POST IT

LOOKS LIKE YOUR AUXILIARY FUSE BLOCK (SOMEWHERE) CONTAINS ONLY 6 FUSES

ON THE DIAGRAM, NEAR THE BOTTOM AT GRID 14--E

THE FUSE YOU MAY BE AFTER IS "#1" AND IT LOOKS TO BE A "5 AMP"----IN THE AUX FUSE BLOCK

IMMA JEEP CJ KINDA GUY, YOUR RIG IS UNFAMILIAR TERRITORY.I HAVE POURED OVER THE DIAGRAM FOR A LOCATION, GENERALLY IT'S PRINTED RIGHT BESIDE THE COMPONENT ON THE DIAGRAM (LIKE THE 2 UNDER THE HOOD, AT THE TOP).I JUST DON'T SEE IT. MAYBE WITH YOU BEING MORE FAMILIAR WITH YOUR RIG, YOU WILL FIND IT EZily

KEEP US INFORMED, LET ME KNOW IF YOU CANNOT SEE THE DIAGRAM CLEAR ENOUGH

THE MEDIC
Was this
answer
helpful?
Yes
No
Tuesday, December 13th, 2011 AT 7:26 AM
Tiny
WHITE 41
  • MEMBER
  • 6 POSTS
Yes Sir. Thanks so much! Their are two cluster of fuses on the passenger side fuse bank. One is exposed and the other is covered. The faulty fuse was under the covered fuse bank. Problem solved!
Was this
answer
helpful?
Yes
No
Tuesday, December 13th, 2011 AT 7:03 PM
Tiny
WHITE 41
  • MEMBER
  • 6 POSTS
"were" earlier type error ') I love this form. The information is "on target" and a great help!
Was this
answer
helpful?
Yes
No
Tuesday, December 13th, 2011 AT 7:09 PM
Tiny
RIVERMIKERAT
  • MECHANIC
  • 6,110 POSTS
Glad to be of assistance. Happy Holidays.
Was this
answer
helpful?
Yes
No
Tuesday, December 13th, 2011 AT 7:25 PM
Tiny
CJ MEDEVAC
  • MECHANIC
  • 11,005 POSTS
GOOD DEAL!

'MON BACK AND SEE US!

WITH YER BUDDY'S CAR

NO NEED TO TEAR YOURS UP, JUST TO SEE US!

NOT A "TYPE-O" IN MY REGION--JUST NORMAL TALK

THE MEDIC
Was this
answer
helpful?
Yes
No
Tuesday, December 13th, 2011 AT 8:58 PM
Tiny
WHITE 41
  • MEMBER
  • 6 POSTS
:))) I love my Jaguar xjs v12! Thanks for all the support.
Was this
answer
helpful?
Yes
No
Tuesday, December 13th, 2011 AT 9:46 PM
Tiny
RIVERMIKERAT
  • MECHANIC
  • 6,110 POSTS
Our pleasure.
Was this
answer
helpful?
Yes
No
Tuesday, December 13th, 2011 AT 10:57 PM
Tiny
CJ MEDEVAC
  • MECHANIC
  • 11,005 POSTS
OBVIOUSLY, IT MUST JUST BE LUST, AND YOU'VE NEVER A MADE A "REAL COMMITMENT" TO A "REAL VEHICLE"

THERE'S STILL SOME OUT THERE!

THE MEDIC
Was this
answer
helpful?
Yes
No
Wednesday, December 14th, 2011 AT 12:20 AM
Tiny
RIVERMIKERAT
  • MECHANIC
  • 6,110 POSTS
CJ, not everyone wants a 60 year old vehicle based on a 75 year old design that they'll need to work on every weekend to keep running. :)
Was this
answer
helpful?
Yes
No
Wednesday, December 14th, 2011 AT 5:14 AM
Tiny
JACOBANDNICKOLAS
  • MECHANIC
  • 110,192 POSTS
But you must admit, they are easier to work on.
Was this
answer
helpful?
Yes
No
Wednesday, December 14th, 2011 AT 5:26 AM
Tiny
RIVERMIKERAT
  • MECHANIC
  • 6,110 POSTS
This is very true.
Was this
answer
helpful?
Yes
No
Wednesday, December 14th, 2011 AT 5:52 AM
Tiny
JACOBANDNICKOLAS
  • MECHANIC
  • 110,192 POSTS
Took only minutes to diagnose a problem with ignition or fuel.
Was this
answer
helpful?
Yes
No
Wednesday, December 14th, 2011 AT 5:59 AM
Tiny
RIVERMIKERAT
  • MECHANIC
  • 6,110 POSTS
IF that long. I do so miss my 69 Camaro. Sigh. And my 65 Charger.
Was this
answer
helpful?
Yes
No
Wednesday, December 14th, 2011 AT 6:11 AM
Tiny
JACOBANDNICKOLAS
  • MECHANIC
  • 110,192 POSTS
I miss the old 68 super bee, 67 Cougar, 62 Willys.
Was this
answer
helpful?
Yes
No
Wednesday, December 14th, 2011 AT 6:16 AM
Tiny
RIVERMIKERAT
  • MECHANIC
  • 6,110 POSTS
Never had any of those.
69 Camaro.
65 Charger.
74 Charger.
71 Maverick.
Was this
answer
helpful?
Yes
No
Wednesday, December 14th, 2011 AT 6:43 AM
Tiny
JACOBANDNICKOLAS
  • MECHANIC
  • 110,192 POSTS
Don't you wish you still had them?
Was this
answer
helpful?
Yes
No
Wednesday, December 14th, 2011 AT 5:14 PM
Tiny
RIVERMIKERAT
  • MECHANIC
  • 6,110 POSTS
Yes. Very much so.
Was this
answer
helpful?
Yes
No
Wednesday, December 14th, 2011 AT 6:56 PM

Please login or register to post a reply.