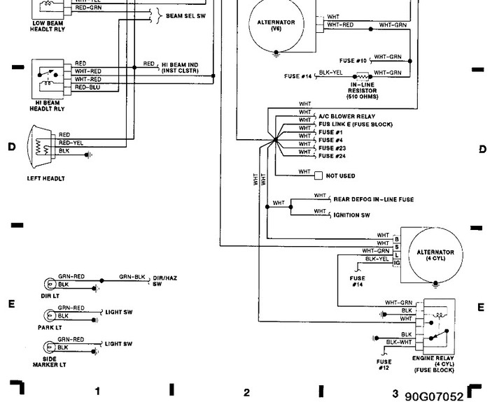
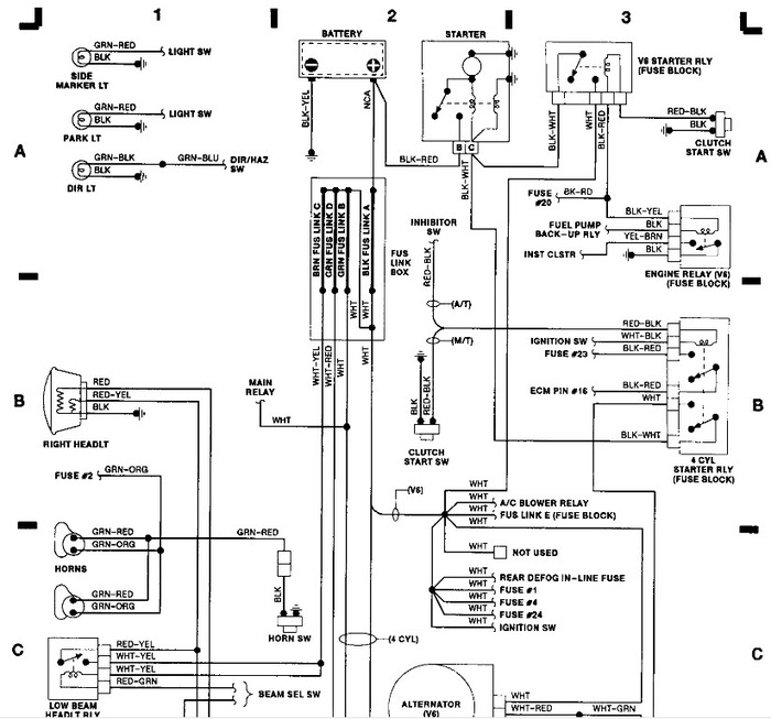
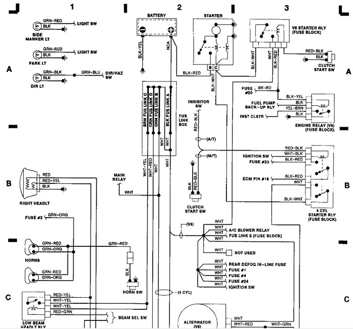
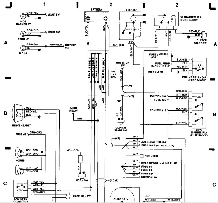
Starts ok in the but when driving it off it seriously surges at 3rd gear onwards at 3000RPM. Also using up alot of oil. Where could the problem be?
After the cars warms up after 30mins the surging completely stops. The engine is a 2.3L 4ZD1 engine.
After the cars warms up after 30mins the surging completely stops. The engine is a 2.3L 4ZD1 engine.
Apr 13, 2012 at 12:51 PM








