Ignition switch wiring?

Tiny
BRONCOBEAST89
  • MEMBER
  • 1989 FORD BRONCO
  • V8
  • 4WD
  • AUTOMATIC
  • 194,000 MILES
I have a 1989 Ford Bronco, I have replaced the key Cylinder, Ignition Switch, and even the pigtail Harness that attaches to the ignition switch. And my truck still will not turn over, what else could it be? Or what am I doing wrong?
Monday, February 14th, 2011 AT 6:31 PM

26 Replies

Tiny
RASMATAZ
  • MECHANIC
  • 75,992 POSTS
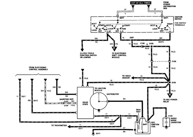
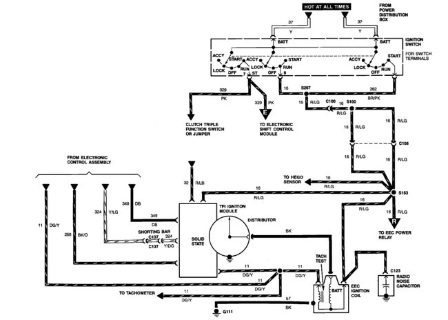
Do you have power to the ignition switch if so and the starter motor is not engaging the engine-Check the starter motor, starter relay and transmission range switch. Here is the ignition. Check out the diagrams (Below). Please let us know if you need anything else to get the problem fixed. Switch wiring.
Was this
answer
helpful?
Yes
No
+1
Monday, February 14th, 2011 AT 7:03 PM
Tiny
BRONCOBEAST89
  • MEMBER
  • 27 POSTS
Yes I have plenty of power in my battery. I have also replaced the broken actuator. But it still will not crank. What else do you think it will be?
Was this
answer
helpful?
Yes
No
Friday, July 1st, 2011 AT 4:10 AM
Tiny
BRONCOBEAST89
  • MEMBER
  • 27 POSTS
What is a transmission range switch? I have searched my Chilton's disc and could not find it. Nor can I find anything about them.
Was this
answer
helpful?
Yes
No
-2
Friday, July 1st, 2011 AT 4:16 AM
Tiny
CJ MEDEVAC
  • MECHANIC
  • 11,005 POSTS
Can you run a 12 volt jumper wire from the battery to the "s" terminal of the solenoid. Only touch it momentarily. If it works, you have bypassed the "start position" of your ignition switch

this will result in the solenoid operating and engaging the starter

watch out for those pesky moving engine parts, the sudden engagement of the starter will scare the mcdookey out of you!

You will jump!Just stay away from those pesky moving parts!

If the starter does work, you have eliminated the solenoid and starter from the equation

to eliminate the dummy part, insure the "s" terminal had the correct wire on it----the one generating 12 volts w/ key in the start position. If there is another wire mistakenly on it, it probably belongs to "i" terminal. And they are backwards!

Give your results from this and we may be able to diagnose better

the medic
Was this
answer
helpful?
Yes
No
+1
Friday, July 1st, 2011 AT 4:31 AM
Tiny
BRONCOBEAST89
  • MEMBER
  • 27 POSTS
I Can jump the solenoid and it will start. So what does that tell us?
Was this
answer
helpful?
Yes
No
+1
Friday, July 1st, 2011 AT 5:08 AM
Tiny
CJ MEDEVAC
  • MECHANIC
  • 11,005 POSTS
Good deal!

Now we know that "S" wire is not getting 12 Volts, when the key is in the "Start Position"

I just happened by. Thought I might "RAZ" the "RAZ"!

Thanks for replying, I'll stay up for you, a bit longer, it's 0130 Eastern here!

Were you CONFIDENT in installing your ignition switch? Did you run it thru the motions, or were you sorta "cherry", doing one for the 1st time?

Just trying to keep this interesting, to keep me awake!

I know you must be really upset right now.I will do my best to help.

I do have some homemade pics of another Ford's switch.I can talk you thru it, if there is the slightest possibility. That you think you installed/ calibrated it wrong.

I hope my pics are similar enough to yours

Your turn

The Medic
Was this
answer
helpful?
Yes
No
+1
Friday, July 1st, 2011 AT 5:33 AM
Tiny
CJ MEDEVAC
  • MECHANIC
  • 11,005 POSTS
Not tryin' to be pushy, can you maybe commo back, a bit faster!

I hunt and peck kinda slow, I could go ahead and start my novel. If you'll just tell me you want it!

The Medic
Was this
answer
helpful?
Yes
No
Friday, July 1st, 2011 AT 5:48 AM
Tiny
CJ MEDEVAC
  • MECHANIC
  • 11,005 POSTS
All-Righty Then

Fast and furious

The "Nelsomatic" way of installing a Jeep CJ ignition switch/ Ford ignition switch!

I can do this without dropping the column, the only reason I dropped it on this F-100 was to get these pics

Usually someone never having done one before, installs it right, fights the "L" shaped rod forever, but just don't get it adjusted right! Usually they have the lock cylinder turning way too much clockwise, and "Start" never gets engaged!

The EZist way I have found is to "Preset" the ignition switch for the "Accessories Position"----Then turn the key to the accessories position.

Install the switch, and rod together, Being ever so careful not to move the ignition switch from the accessories position, and keeping the key rotated, all the way Counter-Clockwise

Screw it in place

Then try all of the positions

Sometimes, you may have to loosen the screws and tweak the switch, forward or rearward, just a little bitBut rarely, do I have to.

I always use dielectric grease on my electrical connections before I reconnect it.

That work?

I'll help you later in the morn, if you still need assistance, if Raz ain't got you fixed by then.

Bedtime Raz

You're on "Fire Guard"

The Medic
Was this
answer
helpful?
Yes
No
+1
Friday, July 1st, 2011 AT 6:39 AM
Tiny
BRONCOBEAST89
  • MEMBER
  • 27 POSTS
Sorry for the late reply, But I'm in the eastern time zone too and went to bed cause it was late. I'll try it today and let you know!
Was this
answer
helpful?
Yes
No
Friday, July 1st, 2011 AT 1:45 PM
Tiny
CJ MEDEVAC
  • MECHANIC
  • 11,005 POSTS
I HOPE YOU'RE OUT JOY RIDING, AND WE ARE THE FURTHER-EST THING FROM YOUR MIND!

WHEN YOU SLOW DOWN, LET US KNOW THE DEAL!

THE MEDIC
Was this
answer
helpful?
Yes
No
Friday, July 1st, 2011 AT 9:32 PM
Tiny
BRONCOBEAST89
  • MEMBER
  • 27 POSTS
OK It will crank when I bypass it, so I take it I did not adjust the ignition switch correctly. I also found a bad wire I didn't notice before so I tore everything back apart to fix it. But if I need help I will be knocking on your door! Thanks again
Was this
answer
helpful?
Yes
No
Friday, July 1st, 2011 AT 10:25 PM
Tiny
CJ MEDEVAC
  • MECHANIC
  • 11,005 POSTS
Airborne!

Right below me is where you knock!

May the Force be with you!

The Medic
Was this
answer
helpful?
Yes
No
Friday, July 1st, 2011 AT 10:54 PM
Tiny
RASMATAZ
  • MECHANIC
  • 75,992 POSTS
I Can jump the solenoid and it will start. So what does that tell us? Over an ignition switch and cylinder lock that supposely been replaced causing all these headaches
Was this
answer
helpful?
Yes
No
-1
Friday, July 1st, 2011 AT 11:00 PM
Tiny
BRONCOBEAST89
  • MEMBER
  • 27 POSTS
Ok I got it started and it was running, but I moved onto the next project of putting a new transmission in. I got the new one but it was an upgrade to a stage 1. I put it in, and got everything hooked back where it was supposed to be. But now when I go to start it I only get a loud clank. I removed the starter and tested it, battery is good, new starter solenoid. What can this be?
Was this
answer
helpful?
Yes
No
Monday, July 18th, 2011 AT 8:29 PM
Tiny
CJ MEDEVAC
  • MECHANIC
  • 11,005 POSTS
Same flywheel as before?

Same tooth count, same diameter?

Can you rotate (in the direction the engine normally turns) the engine with a "Pull Handle" and a socket on the crankshaft pulley nut. Ain't locked down. Is it?

The Medic
Was this
answer
helpful?
Yes
No
+1
Monday, July 18th, 2011 AT 10:05 PM
Tiny
BRONCOBEAST89
  • MEMBER
  • 27 POSTS
Yes tooth and fly wheel. Now that the transmission is on and transfer case is on I cant get the fly wheel to turn. Is it possible that I tightened the transmission down to hard?
Was this
answer
helpful?
Yes
No
Monday, July 18th, 2011 AT 10:18 PM
Tiny
CJ MEDEVAC
  • MECHANIC
  • 11,005 POSTS
I doubt it! When torqued, even too much, the pieces will face together. Far as they will go!

Something is in a bind!

Or you have the wrong application!

In neutral. Transmission and transfer case. Any combination of the 2, can you turn the Rear out put or the front output shafts on the transfer case?

What I mean is can you make the tranny innards move, by turning the transfer case yokes?

Just trying to figure out which is the problem. Could the transfer case be between functions?

The more I ponder.I also wonder if your torque converter is "Crammed"/ "Jammed" in between the tranny and the engine?

You really shoulda got a CJ!

We woulda had you fixed long ago!

Did you do any precise measuring of Old VS: New?

Your turn

The Medic
Was this
answer
helpful?
Yes
No
Monday, July 18th, 2011 AT 11:40 PM
Tiny
BRONCOBEAST89
  • MEMBER
  • 27 POSTS
I took my starter off and is finding wear on it. Right behind the spindle on it. The transfer case is in the normal operations so is not part of the problem. But I think I'M going to try to shim the starter and see if that works. I'll keep you posted.
Was this
answer
helpful?
Yes
No
Tuesday, July 19th, 2011 AT 3:46 AM
Tiny
BRONCOBEAST89
  • MEMBER
  • 27 POSTS
Oh and by the way, I'm a Ford man through and through ;) LOL
Was this
answer
helpful?
Yes
No
Tuesday, July 19th, 2011 AT 3:47 AM
Tiny
CJ MEDEVAC
  • MECHANIC
  • 11,005 POSTS
If you really meant that you could not turn the engine over by hand (with starter removed, in case it was hung up in the teeth, WAS IT?) How do you expect the starter to move it?

The Medic
Was this
answer
helpful?
Yes
No
Tuesday, July 19th, 2011 AT 4:49 AM

Please login or register to post a reply.