What can I do to get my truck to start with a key?

Tiny
BRONCOBEAST89
  • MEMBER
  • 1989 FORD BRONCO
  • 200,044 MILES
I replaced my starter solenoid, and my ignition actuator in my 1989 Ford Bronco. I can not figure out why I it wont start without jumping it. I also recently replaced the turn signal switch. Would any of that cause my ignition switch fail?
Friday, November 4th, 2011 AT 2:25 AM

6 Replies

Tiny
CJ MEDEVAC
  • MECHANIC
  • 11,005 POSTS
PASTING IN A NOVEL. IT MAY HELP YOU

xnostart

THIS IS SORTA GENERIC, SOME MAY NOT APPLY

YOU COULD HAVE FAULTY RELAYS OR FUSES. SAVE RELAYS FOR LAST! (IF ANY)

CHECK YOUR FUSES!---YOUR OWNERS MANUAL MAY SHOW YOU LOCATIONS THAT YOU KNEW NOTHING ABOUT!

REMOVE AND REPLACE "SUSPECT" FUSES SEVERAL TIMES--THIS MAY SCRAPE OFF CORROSION AND GIVE THEM BETTER CONTACT!

THIS WILL WORK FOR YOU, PROVIDED THAT YOUR BATTERY IS GOOD---OR YOU CAN BE JUMPED OFF!

REMEMBER "NEW STUFF" CAN BE BAD TOO!

YOUR STARTER MAY BE BAD!

YOUR SOLENOID MAY BE BAD!

Try the stuff below (actions),

IN MOST CASES THIS IS THE PROBLEM!

PEOPLE GET LAZY!----THEY DO NOT ACTUALLY DO THIS STUFF

IT BITES 'EM IN THE BUTT. THEY COULDA BEEN RIDING LONG AGO!

TAKE STUFF LOOSECLEAN"SCOOCH" THE CONNECTORS AROUND----TIGHTEN THE NUTS OR BOLTS WELL! DO NOT JUST PASS OFF ANY BIG CABLE CONNECTION AS, "IT LOOKS GOOD".

PAY SPECIAL ATTENTION TO THE BATTERY POSTS---CLAMPS---CABLE CONNECTIONS TO THE CLAMP (I'M TALKING ABOUT THE OLD STYLE "SQUEEZER" DEALEES, CLAMP TO CABLE)

IF YOU HAVE SIDE POST TERMINALS---TURN THE RUBBER INSIDE OUT/ REMOVE THE BOLT/ SCRUB THE FLAT CONNECTOR WITH A WIRE BRUSH OR SCRAPE IT WITH A KNIFE, TILL IT'S CLEAN---SAME FOR ITS MATING SURFACE ON THE BATTERY!

MANY TIMES THERE AIN'T MUCH SLACK IN THE CABLE----NO WHINING!---YOU GOTTA GET IT CLEAN, ESPECIALLY IF YOU CAN SEE "GREEN CRAP" CAKED ON 'EM!

YEAH, IT'S NOT EZ TO GET IN THERE, BUT LOOK AT WHAT YOU WILL GO THRU IF YOU DON'T!

THIS IS WAR--YOU GOTTA CHECK IT ALL--ANY CONNECTION---POSITIVE OR NEGATIVE THAT A BIG CABLE BOLTS TO. GET YOUR HANDS DIRTY!

IF A CABLE GOES TO A BOX--IT GOES ON THRU IT---CLEAN CONNECTIONS COMING AND GOING---TO WHERE EVER THEY GO!

EVENTUALLY YOU WILL REACH THE STARTER CONNECTION (POS)AND THE ENGINE/ BODY (NEG)

DON'T TELL THE SHOP, AS YOU GIVE 'EM YOUR $$$---WHILE WHINING---"I WAS TOLD TO CLEAN THAT CONNECTION, AND I DIDN'T!"

AS YOU PROGRESS, TRY TO CRANK HIM UP---YOU MAY FIND EXACTLY WHICH CONNECTION WAS THE PROBLEM!

I'VE SEEN THIS SAME CATASTROPHE, MANY MANY TIMES (I SAW IT NOT LONG AGO, AS I WAS ABOUT TO "CAR DOLLY" A FRIEND, THEN I DID THE CHECKS, IT WAS THE SIDE POSTS ON THE BATTERY CONNECTIONS). AND IT'S SO SIMPLE TO FIX. SAD THING, WHEN I GOT THERE, NOTHING HAD BEEN DONE 'CEPT AN ATTEMPTED JUMP START.I WAS GONNA HAVE TO PULL HIM 40 MILES, HE WASTED 3 HOURS OF MY TIME. LAZY, LAZY, LAZY

YOU COULD BE RUNNING BEFORE YOUR "CALVARY" ARRIVES!

RETURN WITH GOOD NEWS!

THE MEDIC
Was this
answer
helpful?
Yes
No
Friday, November 4th, 2011 AT 3:00 AM
Tiny
BRONCOBEAST89
  • MEMBER
  • 27 POSTS
Ok Battery cables are clean, solenoid tested and passed. Starter tested and passed. Alternator was even tested and passed, Actuator is new, and in one piece. Ignition switch was replaced about 5 months ago, and is getting tested tomorrow. All fuses tested and 2 replaced. Circuit breaker was tested and and passed. I will let you know tomorrow when I inspect and test it. Could it be a relay? If so where should I look? And thanks for all the help.
Was this
answer
helpful?
Yes
No
Friday, November 4th, 2011 AT 3:08 AM
Tiny
CJ MEDEVAC
  • MECHANIC
  • 11,005 POSTS
STAY WITH ME

IMMA JEEP CJ KINDA FELLER

I'M GONNA LEAVE FOR A FEW TO LOOK FOR A DIAGRAM FOR YOU. BACK IN LESS THAN 30 MIN. OR YOUR PIZZA IS FREE!

ARE YOU SURE THE BATTERY IS GOOD?---TEST AT A AUTO PARTS STORE---USUALLY FREE

YOU DID ALL POS AND NEG BIG CABLE CONNECTIONS? JUST AS IN MY NOVEL

NOISES?

IF THIS IS SIDE POST---DISCONNECT POS AND NEG, PEEL THE RUBBER BACK AND INSPECT/ CLEAN THE FLAT WASHER LOOKING PART REAL GOOD. POP OUT THE "BOLT DEALEE" CLEAN IT WELL TOO. A SMALL WIRE BRUSH WORKS WELL.

RIGHT BACK

THE MEDIC
Was this
answer
helpful?
Yes
No
Friday, November 4th, 2011 AT 3:21 AM
Tiny
CJ MEDEVAC
  • MECHANIC
  • 11,005 POSTS
OH YEAH. JUMPING IT MEANS WITH

JUMPER CABLES?

OR JUMPING THE SOLENOID?

THE MEDIC
Was this
answer
helpful?
Yes
No
Friday, November 4th, 2011 AT 3:23 AM
Tiny
JACOBANDNICKOLAS
  • MECHANIC
  • 110,194 POSTS
Did the problem start when you replaced the signal switch or was it there before?
Was this
answer
helpful?
Yes
No
Friday, November 4th, 2011 AT 3:30 AM
Tiny
CJ MEDEVAC
  • MECHANIC
  • 11,005 POSTS
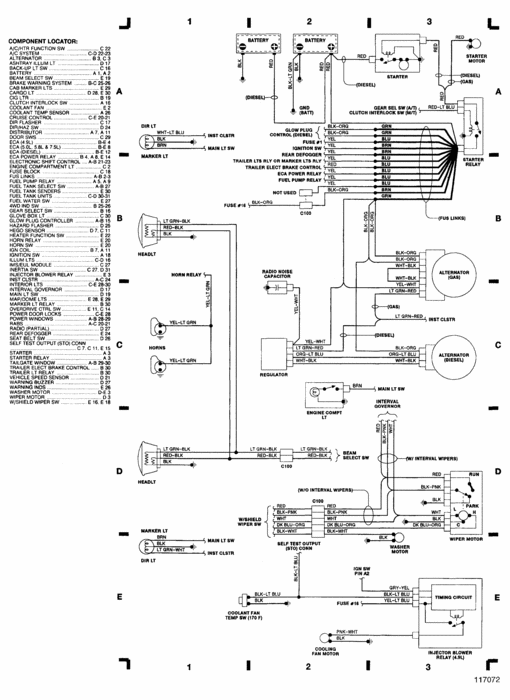
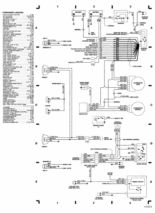
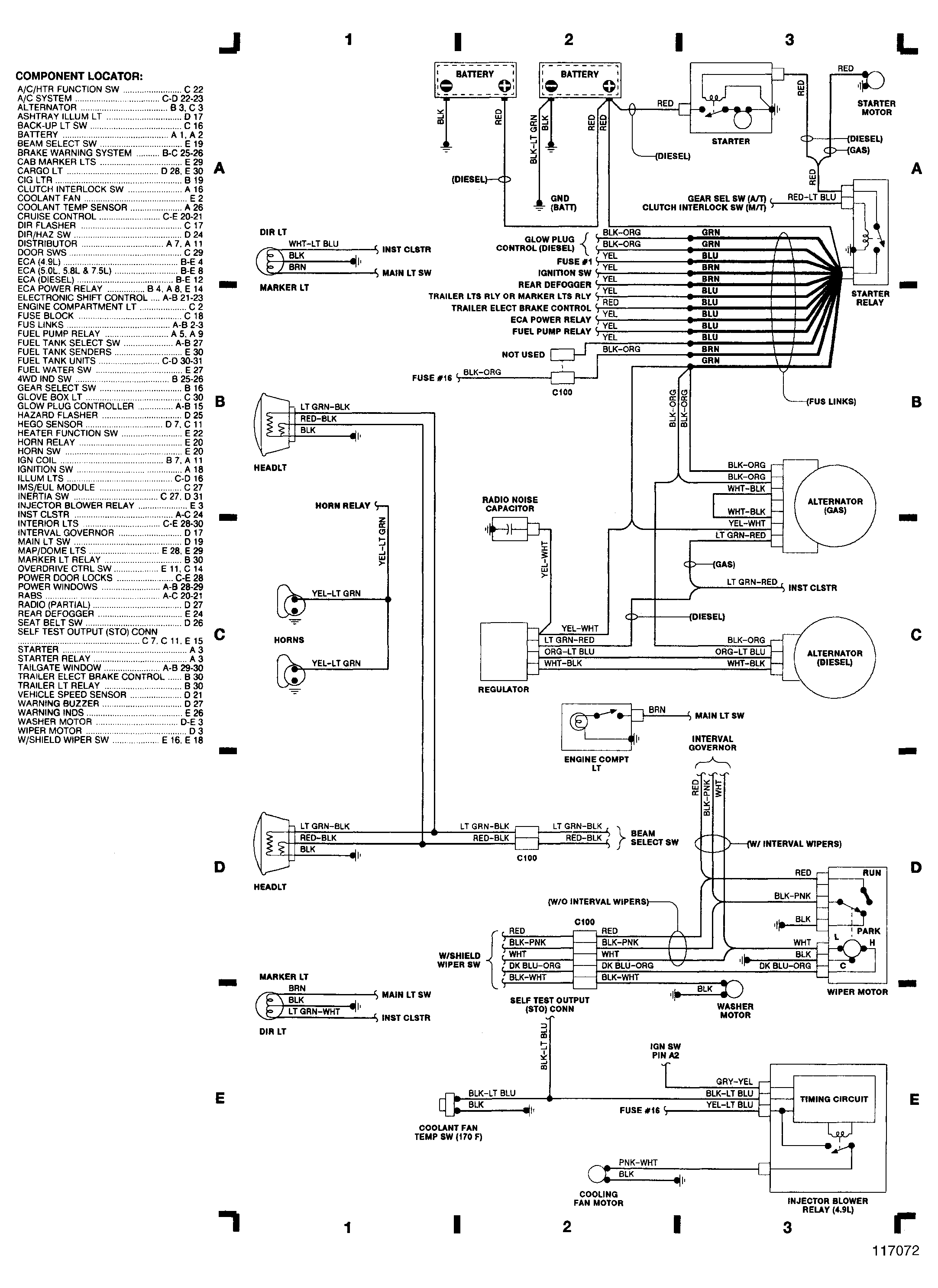
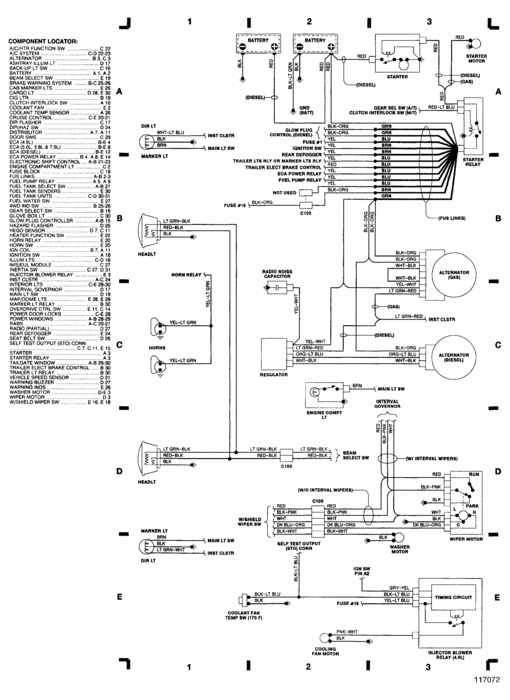
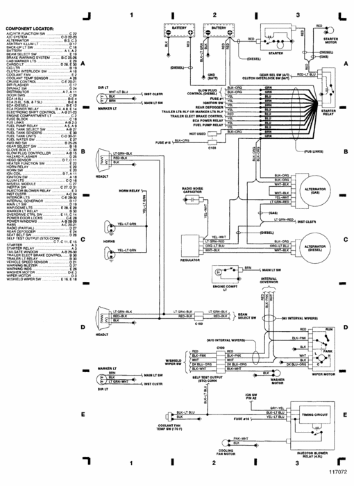
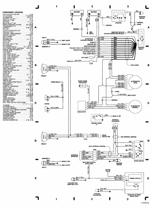
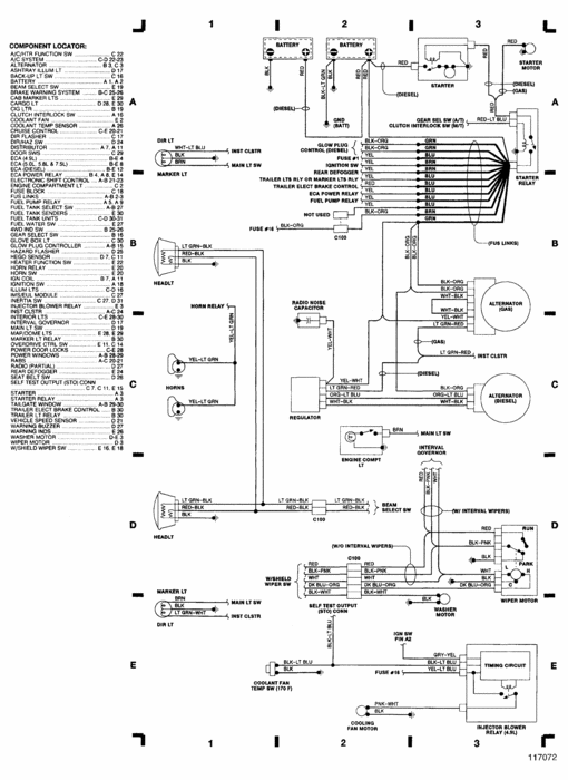
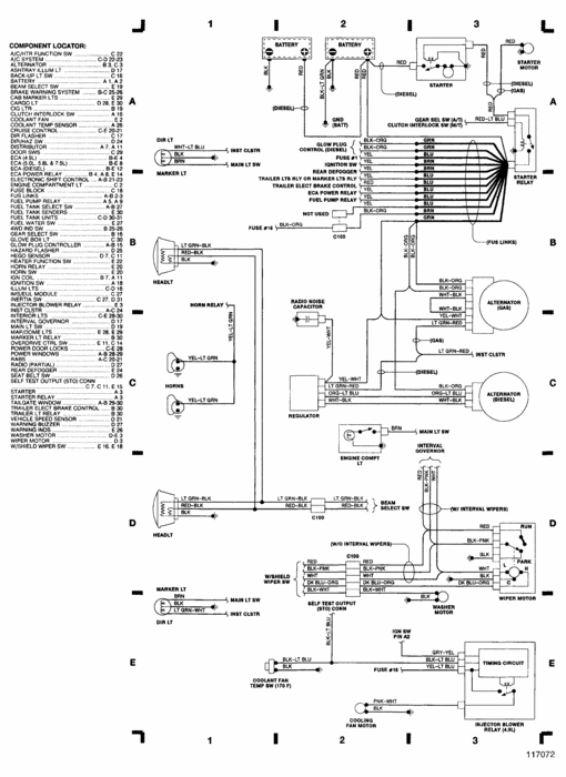
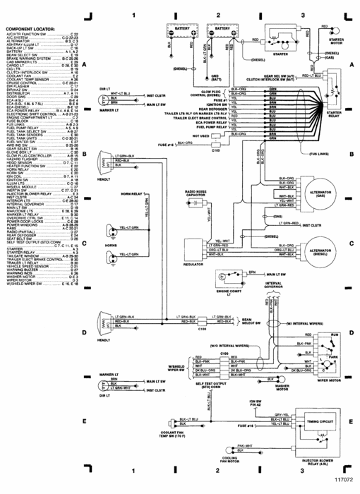
HERE'S ENGINE COMPARTMENT AND INTERIOR

TELL ME IF WHEN CLICKED ON, WHETHER YOU CAN READ 'EM OR NOT

THE MEDIC
Was this
answer
helpful?
Yes
No
Friday, November 4th, 2011 AT 3:56 AM

Please login or register to post a reply.