Starter wiring

Tiny
SUPERIORBUFF
  • MEMBER
  • 1989 DODGE RAM
  • 5.2L
  • V8
  • 2WD
  • AUTOMATIC
  • 106,000 MILES
I am installing an auto start in my 1989 D100 and the ignition wiring at the base of the steering column does not match the colors in the Haynes manual. I need to find out what colors the "output to starter circuit", "output to ignition circuit" and "high current input" wires are. The manual says yellow, pink and red, however, I do not have a yellow wire. My wires are white, brown, green/red stripe, red, pink, tan, light green, black/red stripe and black.

Thanks
Sunday, December 22nd, 2013 AT 11:57 AM

5 Replies

Tiny
JDL
  • MECHANIC
  • 16,098 POSTS
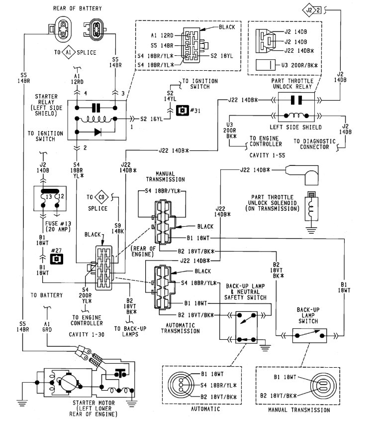
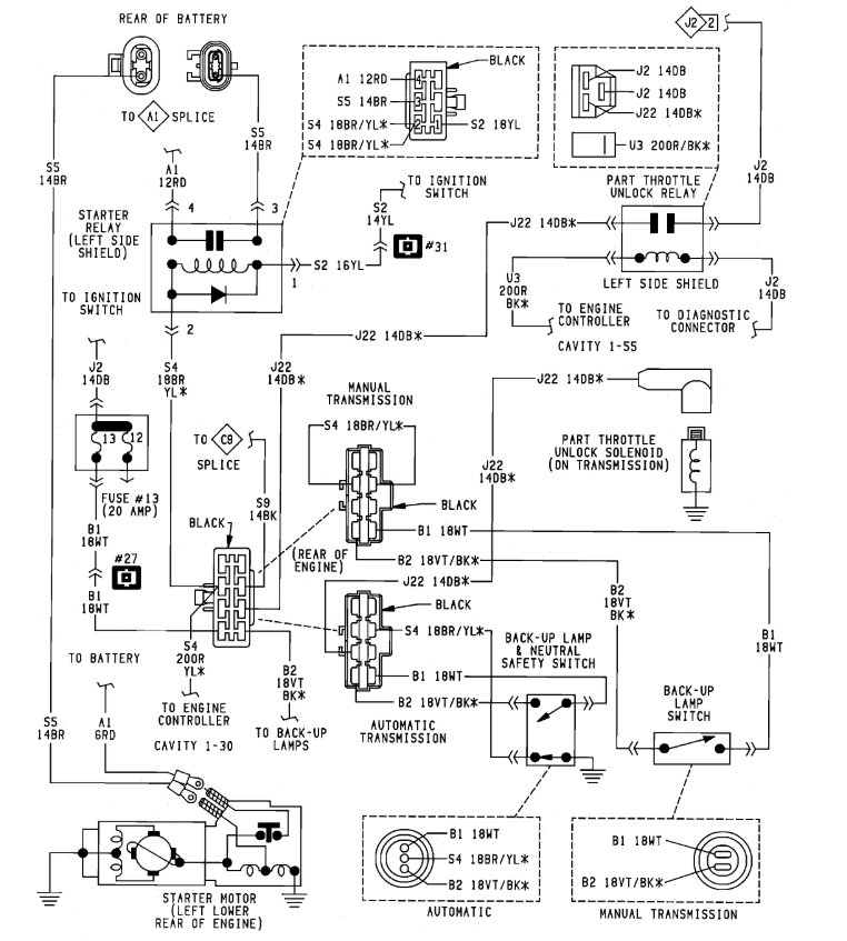
This is from our wiring database for your ignition switch and starter circuit. Hope it helps. Check out the diagrams (Below). Please let us know if you need anything else to get the problem fixed.
Was this
answer
helpful?
Yes
No
Sunday, December 22nd, 2013 AT 2:02 PM
Tiny
SUPERIORBUFF
  • MEMBER
  • 3 POSTS
Hi JDL, thank you very much. I have the system installed and am getting absolutely nothing, no LEDs on the module and no response when the remote start is pushed. My truck does not have an alarm, automatic locks or automatic environment control (basic heater with old lever switches), do you know if I need to connect every cable harness to the main module even if they will not be connected to anything in the truck? If so, do any/all of them need to be grounded?

Thanks again.
Was this
answer
helpful?
Yes
No
Monday, December 30th, 2013 AT 9:49 AM
Tiny
JDL
  • MECHANIC
  • 16,098 POSTS
Did the remote start come with wiring diagrams/instructions? All I could do is follow the instructions. Can you contact the remote start manufacturer? Who is the remote start manufacturer?
Was this
answer
helpful?
Yes
No
Monday, December 30th, 2013 AT 11:15 AM
Tiny
SUPERIORBUFF
  • MEMBER
  • 3 POSTS
It is an Avital 4103. I do have the installation manual, it explains each connection but is very vague about exactly needs to be connected if you aren't using certain functions. The manufacturer will not talk to anyone that is not a certified installer.
Was this
answer
helpful?
Yes
No
Monday, December 30th, 2013 AT 11:21 AM
Tiny
JDL
  • MECHANIC
  • 16,098 POSTS
If it is wired wrong, it may void your warranty? I can't be responsible for that. I looked up the price of your unit, about 200 bucks?
Was this
answer
helpful?
Yes
No
Tuesday, December 31st, 2013 AT 9:15 AM

Please login or register to post a reply.