I am hooking up a tachometer

Tiny
BRMALONE
  • MEMBER
  • 1989 CHEVROLET CHEYENNE
  • V8
  • 2WD
  • MANUAL
Where is the negitive wire on the coil located to a 454 1989 chevy 1 ton
Saturday, December 25th, 2010 AT 5:42 PM

5 Replies

Tiny
JDL
  • MECHANIC
  • 16,098 POSTS
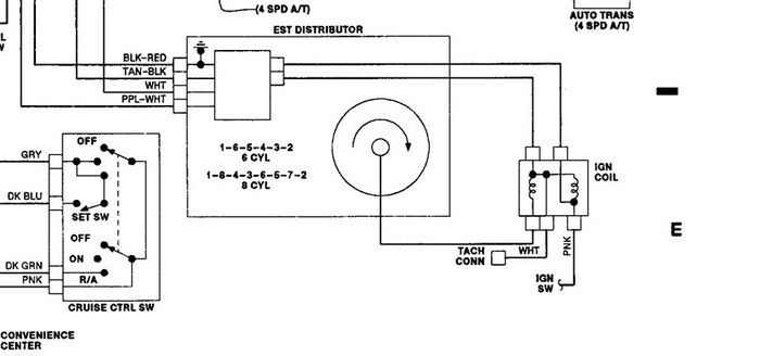
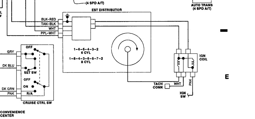
It's the white wire in the diagram. Follow the tach manufacturers instructions for installation.
Was this
answer
helpful?
Yes
No
Saturday, December 25th, 2010 AT 5:58 PM
Tiny
BRMALONE
  • MEMBER
  • 3 POSTS
My truck did not come with a tachometer. It just has a inicator light that lights up telling you went to up shift for better fuel economy. Would it still be the same? And the tachometer I am hooking up says that I need to attach a wire to coil negative
Was this
answer
helpful?
Yes
No
Saturday, December 25th, 2010 AT 6:14 PM
Tiny
JDL
  • MECHANIC
  • 16,098 POSTS
If you have coil I'm thinking of, should be the white wire. I can't see it from here.
Was this
answer
helpful?
Yes
No
Saturday, December 25th, 2010 AT 8:25 PM
Tiny
BRMALONE
  • MEMBER
  • 3 POSTS
Thanks
Was this
answer
helpful?
Yes
No
Friday, December 31st, 2010 AT 5:08 AM
Tiny
JDL
  • MECHANIC
  • 16,098 POSTS
Hope you got it?
Was this
answer
helpful?
Yes
No
Wednesday, March 2nd, 2011 AT 4:39 PM

Please login or register to post a reply.