Temperature gauge

Tiny
ASTROJUAN89
  • MEMBER
  • 1989 CHEVROLET ASTRO
  • 6 CYL
  • 2WD
  • AUTOMATIC
I have a Astro van 1989 V6 4.3 just started gave a problem in the temperature gauge I change the temperature sensor 2 wires and sender sensor 1 green wire is mounted in the block. BUT nothing happens so what I need to due. Please help me BIG thanks.


is my first time so I want try Free question free answer if is work I will donate next time.
Friday, January 28th, 2011 AT 8:18 PM

9 Replies

Tiny
JDL
  • MECHANIC
  • 16,098 POSTS
Usually the sending unit on the engine just provides resistance to ground. Take connector loose, use digital multimeter, key on, any voltage on that single wire? Could be issue with voltage-- gage-- wiring circuit, somewhere.
Was this
answer
helpful?
Yes
No
Wednesday, March 16th, 2011 AT 9:21 PM
Tiny
CHEVYGIRL2011
  • MEMBER
  • 5 POSTS
Please print out if there are more problems then just the temp gauge.
Was this
answer
helpful?
Yes
No
Thursday, May 26th, 2011 AT 1:48 PM
Tiny
JDL
  • MECHANIC
  • 16,098 POSTS
Good point.
Was this
answer
helpful?
Yes
No
Thursday, May 26th, 2011 AT 9:15 PM
Tiny
ASTROJUAN89
  • MEMBER
  • 6 POSTS
Thanks Mr JDL. For your response
so the green cable came from the sender unit sender is goint to the Computer or to the Gauge. Please reply me ASAP.
Was this
answer
helpful?
Yes
No
Thursday, May 26th, 2011 AT 9:26 PM
Tiny
JDL
  • MECHANIC
  • 16,098 POSTS
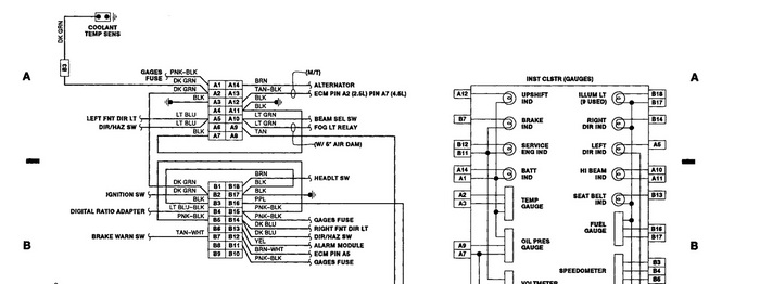
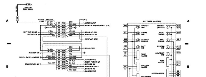
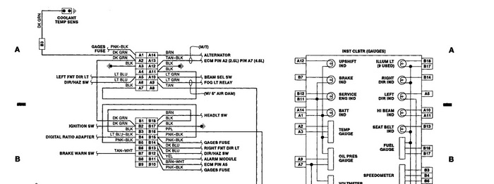
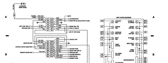
Yes, dark green wire, A2 is voltage in the diagram below. Goes hot when you turn on the key.
Was this
answer
helpful?
Yes
No
Thursday, May 26th, 2011 AT 10:10 PM
Tiny
ASTROJUAN89
  • MEMBER
  • 6 POSTS
Thanks Mr JDL. I will check it Up Tomorrow. I let you Know if is fixed.
Was this
answer
helpful?
Yes
No
Friday, May 27th, 2011 AT 3:12 AM
Tiny
CHEVYGIRL2011
  • MEMBER
  • 5 POSTS
Can u blow up the diagram a bit more please
Was this
answer
helpful?
Yes
No
Friday, May 27th, 2011 AT 12:18 PM
Tiny
ASTROJUAN89
  • MEMBER
  • 6 POSTS
What u recomended me Please reply.
Was this
answer
helpful?
Yes
No
Friday, May 27th, 2011 AT 7:47 PM
Tiny
JDL
  • MECHANIC
  • 16,098 POSTS
The more I enlarge, the less I can capture of the diagram. I hope this is better?
Was this
answer
helpful?
Yes
No
Friday, May 27th, 2011 AT 8:14 PM

Please login or register to post a reply.