Sunday, June 5th, 2011 AT 2:01 AM
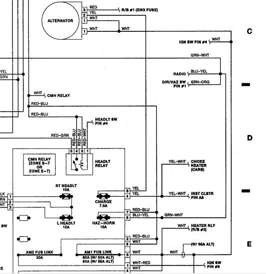
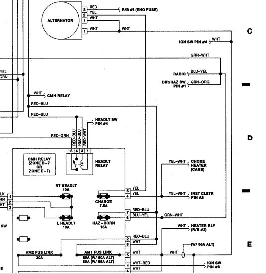
I keep bowing alternators the battery light comes on and I loose my heat and fuel gauge along with my turnsignals I cant find a blown fuse when it happens its the 2.4 carb. Engine manual trans.


