HOME
ASK A QUESTION
REPAIR GUIDES
BECOME A MEMBER
LOG IN
Login with Facebook
OR
Remember me
NOT A MEMBER?
FORGOT PASSWORD?
CONTACT US
PRIVACY POLICY
TERMS AND CONDITIONS
☰
Home
Jaguar
XJ6
Body
Door
Lock
Not Working
Power door lock problem XJ6 1988
RCTOOLING
MEMBER
1988 JAGUAR XJ6
35 MILES
Power door locks do not work
I can here all 4 solenoids clicking. The passenger front door will not manually lock when open without raising door handle.
Saturday, October 15th, 2011 AT 12:35 AM
3 Replies
BMRFIXIT
MECHANIC
19,053 POSTS
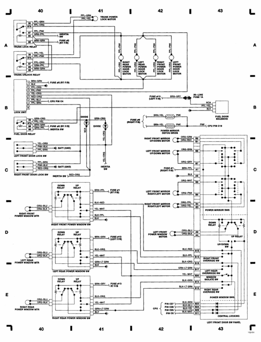
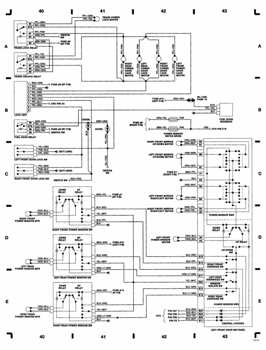
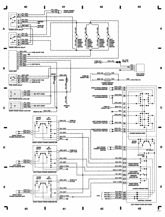
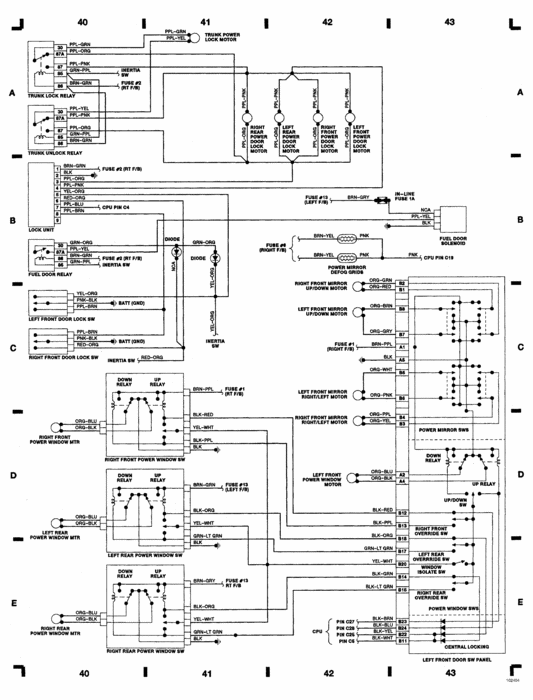
Check switch pnk/blk wire for good ground
Suspect bad lock motor
Remove door panel and check
Image (Click to make bigger)
Was this
answer
helpful?
Yes
No
Saturday, October 15th, 2011 AT 2:19 AM
RCTOOLING
MEMBER
2 POSTS
Are you saying there is a bad solenoid?
Or are you saying on the drivers door the switch that actuates with the key?
Was this
answer
helpful?
Yes
No
+1
Saturday, October 15th, 2011 AT 5:00 AM
BMRFIXIT
MECHANIC
19,053 POSTS
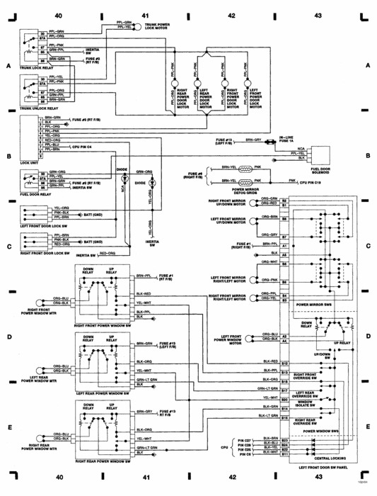
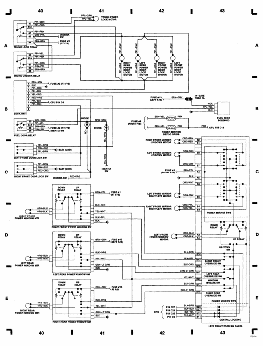
Actuator is inside the door
Image (Click to make bigger)
Was this
answer
helpful?
Yes
No
Saturday, October 15th, 2011 AT 11:14 PM
Please
login
or
register
to post a reply.
Related Door Lock Not Working Content
Central Locking Switch
Central Door Locking Switch Has Shorted And Needs To Be Replaced. Where Is This Switch Located And How Do I Change It Out? Respectfully...
Asked by
mjr7921
·
1 ANSWER
1 IMAGE
1996
JAGUAR XJ6
Jaguar Locking System
Is There A Way To Override The Automatic Central Locking System On A 1997 Jaguar Xj6? It Automatically Locks The Doors When Shifted Into...
Asked by
mhardre
·
1 ANSWER
1997
JAGUAR XJ6
Passenger Door Will Not Stay Locked
My Daughter's Car Passenger Door Will Not Stay Locked. She Tries To Lock It With The Remote, And It Makes A Long Beep Sound And Then...
Asked by
swm cat
·
7 ANSWERS
9 IMAGES
1995
JAGUAR XJ6
1997 Jaguar Xj6 Loose Door Handle
Anyone Help Me? Just Bought The Jag And The Drivers Door Handle Is Loose On The Outside. I Thought It Was A Simple Repair, Remove The...
Asked by
pipnj25
·
4 ANSWERS
1997
JAGUAR XJ6
Door Panel
I Want To Get The Door Panel Off But Can't Open The Door To Take It Off And Is There A Way That I Should Take The Panel Off If Iii Can Get...
Asked by
bruce 2
·
1 ANSWER
1993
JAGUAR XJ6
VIEW MORE
Ask a Car Question. It's Free!
Door Lock Replacement
How to Use a Test Light
Door Panel Removal