HOME
ASK A QUESTION
REPAIR GUIDES
BECOME A MEMBER
LOG IN
Login with Facebook
OR
Remember me
NOT A MEMBER?
FORGOT PASSWORD?
CONTACT US
PRIVACY POLICY
TERMS AND CONDITIONS
☰
Home
Ford
Bronco
Interior
Instrument Cluster
Wiring
1988 Ford Bronco wire diagrams
JUDE001
MEMBER
1988 FORD BRONCO
MANUAL
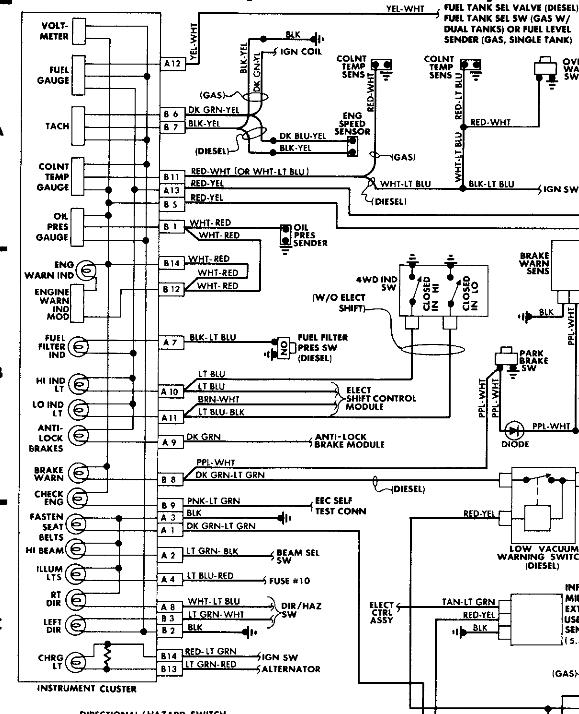
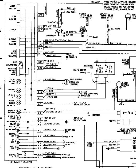
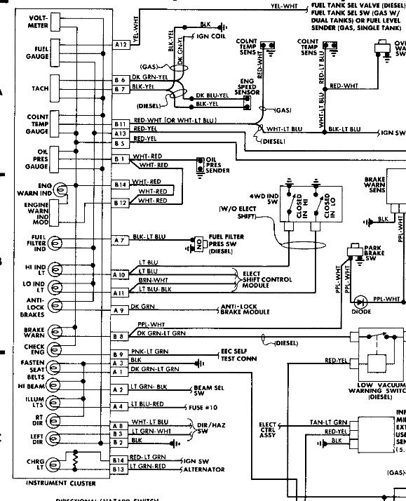
Im looking for a wiring diagram for the instrument cluster or a pin out of the 2 connectors having lots of trouble finding it
Saturday, November 8th, 2014 AT 9:14 AM
2 Replies
HMAC300
MECHANIC
48,601 POSTS
See pic
Image (Click to make bigger)
Was this
answer
helpful?
Yes
No
+1
Saturday, November 8th, 2014 AT 10:27 AM
JUDE001
MEMBER
2 POSTS
That is it thankyou very much
Was this
answer
helpful?
Yes
No
+1
Saturday, November 8th, 2014 AT 10:32 AM
Please
login
or
register
to post a reply.
Related Instrument Cluster Wiring Content
1990 Ford Bronco Instrument Gauges Lights Won't Come...
The Lights On My Gauges Don't Work So I Can't See Them At Night. I Have A 1990 Ford Bronco. I Checked The Fuses And They Are Good. I...
Asked by
cmyanez1
·
16 ANSWERS
1990
FORD BRONCO
Upgrade A Retro
I Have A 1982 Ford Econoline. Wanting To Go Deisel And 4wd. The Quote I Got Was 5k For The 4wd And Lift ( Ihave 2wd ) And Want To Save Some...
Asked by
lemurbells
·
1 ANSWER
FORD BRONCO
1993 Ford Bronco Cruise Control
When I Use My Left Turn Signal It Shuts The Cruise Off Like You Hit The Brake. If You Hit Resume It Comes Back On.I Have Looked For Rubbing...
Asked by
bcommo60
·
1 ANSWER
1993
FORD BRONCO
Coolant And Amperage Gauges Are Not Reading Properly
The Coolant And Amperage Gauges Are Not Reading Properly. Looking At The Dash Gauges They Are Analog, Although The Connections Are An...
Asked by
Mark Anthony Pollak
·
1 ANSWER
1989
FORD BRONCO
1996 Ford Bronco Body Shaking At High Speeds
The Bronco Runs Fine, Except That At Higher Speeds, The Entire Body Starts To Vibrate. It Continues Even When You Take Your Foot Off...
Asked by
gjackson46
·
1 ANSWER
1996
FORD BRONCO
VIEW MORE
Ask a Car Question. It's Free!
Instrument Cluster Replacement
How to Use a Test Light
Seat Switch Replacement