Saturday, May 23rd, 2015 AT 1:01 PM
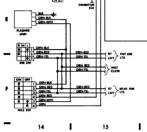
Neither L or R turn signals work. They are on the same switch as headlights which do work. Is there a seperate relay for the turn signals? The fuse is good.


