1987 Ford F-350 tank switch over

Tiny
JOHNJOHNHAPPY
  • MEMBER
  • 1987 FORD F-350
  • 6.7L
  • V8
  • 2WD
  • AUTOMATIC
  • 200,000 MILES
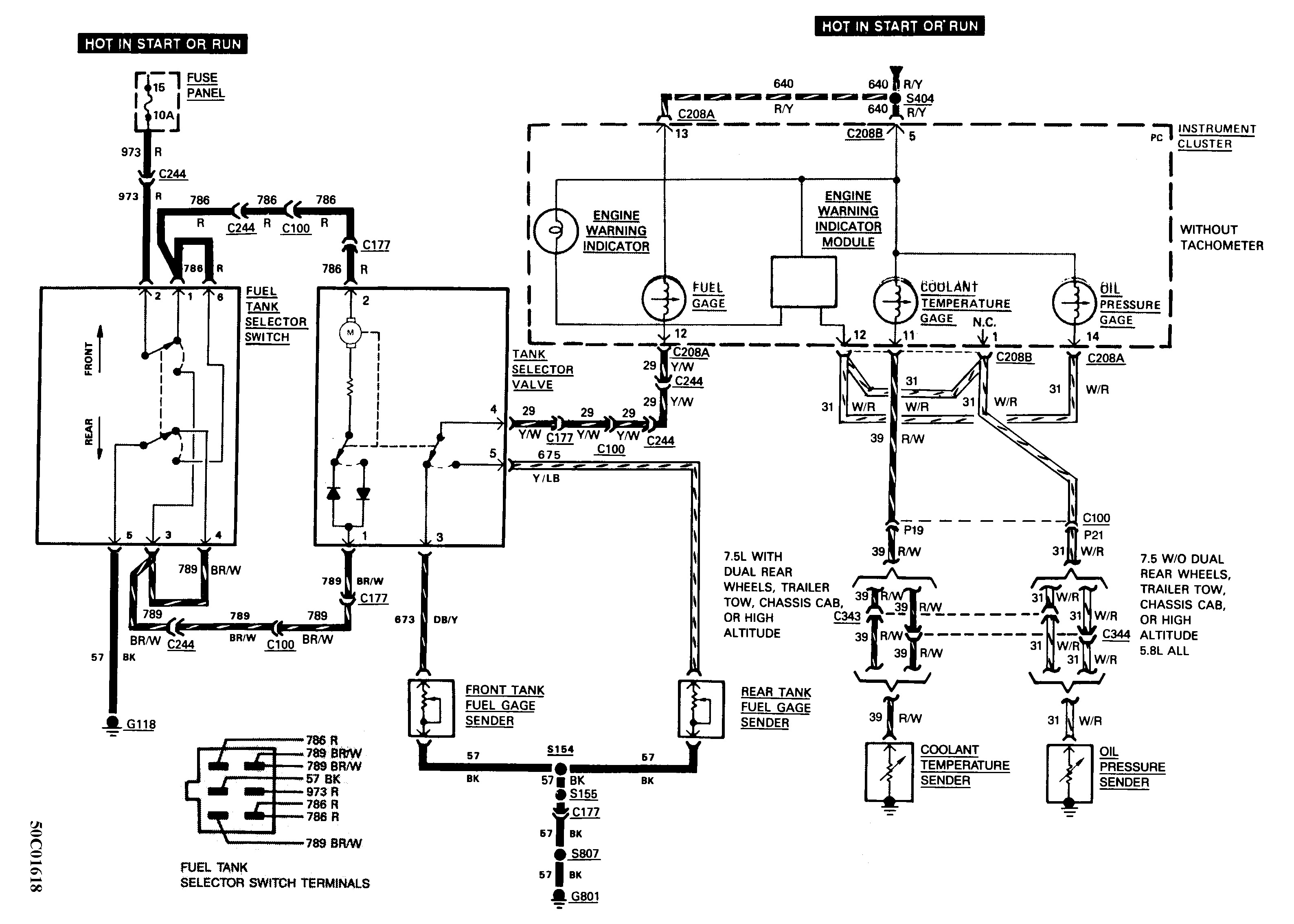
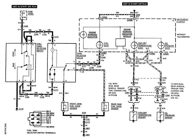
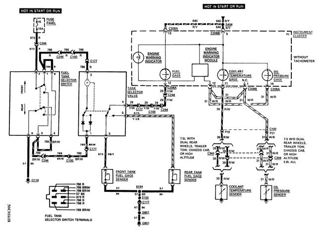
I have a 87 f-350 diesel I took switch over valve off tested it with 12 volts it worked tested original in dash switch with test light was only getting juice to red side in either position got another switch now have juice to all posts except the ground what else can I check just can't get to switch tanks
Friday, April 17th, 2015 AT 6:03 PM

1 Reply

Tiny
CJ MEDEVAC
  • MECHANIC
  • 11,005 POSTS
I'M NOT MUCH HELP ON YOUR TRUCK

I WAS ABLE TO GO INTO "PRODEMAND" AND FIND YOU A WIRING DIAGRAM FOR "DUAL TANKS". I INSERTED ALL OF YOUR INFO THAT YOU PROVIDED TO GET THIS INFO. I DID FIND THAT "6.7L" WAS NOT AN OPTION, HOWEVER "6.9L" WAS. THAT'S WHAT I WENT WITH.

HOPEFULLY, YOU CAN VERIFY THIS IS THE CORRECT DIAGRAM BY COMPARING FUSES AND OTHER STUFF.

I HAVE THIS DIAGRAM SAVED IN MY PICS (FOR A WEEK OR SO) SHOULD YOU NOT BE ABLE TO SEE IT WELL, LET ME KNOW AND YOU AND I CAN FIGGER OUT HOW TO GET IT TO YOU.

THIS MAY WORK FOR YOU

RIGHT CLICK ON THE LITTLE PIC AS IT COMES UP (NOT AFTER YOU CLICK ON IT TO MAKE IT BIGGER)

CHOOSE/ LEFT CLICK "OPEN LINK IN INCOGNITO WINDOW" OUT OF THE CHOICES

THE WINDOW SHOULD POP UP W/ THE PIC, NOW AT FULL SIZE

GET ON TOP OF IT AND RIGHT CLICK

CHOOSE/ LEFT CLICK "SAVE IMAGE AS"

ANOTHER BOX WILL POP UP

AT THE TOP- I CHOOSE "MY PICTURES" (OR ANOTHER DESTINATION, IF WANTED, JUST STICK W/ MY PICTURES!)

AT THE BOTTOM NAME THE PIC WITH IT'S OWN UNIQUE NAME OR NUMBER (LIKE CJ MED101, CJ MED102, ETC) THEN LEFT CLICK "SAVE"

THE PIC IS NOW YOURS (SAVED IN "MY PICTURES" ON YOUR COMPUTER)

DEPENDING ON YOUR COMPUTER, YOU CAN "EDIT" THE PIC (DARKEN, BRIGHTEN, CROP, ETC) MAKE IT BIGGER, SMALLER, FLIP, ENLARGE, PRINT, ETC

MAYBE YOU ARE SMARTER THAN ME, JUST TRYING TO HELP!

LEMME KNOW IF THIS HELPS

THE MEDIC
Was this
answer
helpful?
Yes
No
Friday, April 17th, 2015 AT 7:45 PM

Please login or register to post a reply.