Tuesday, March 8th, 2011 AT 11:06 PM
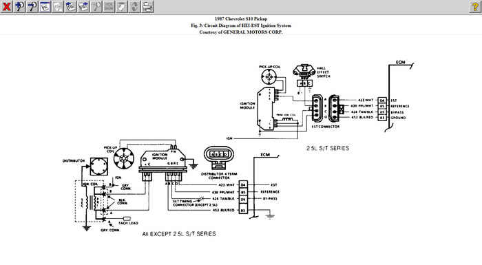
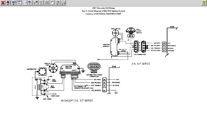
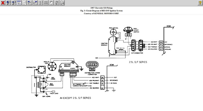
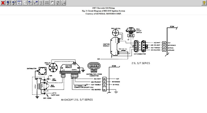
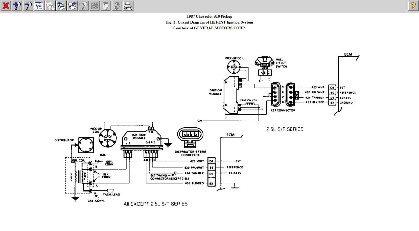
I have a 87 chevy s-10 with the 4-tech 2.5 engine I have spark but no injector pulse I have changed the hall effect switch, ignition module and ecm to no avail, I have also checked my wires going from injector to the ecm and all checked out. Also I have power at injector and plenty of fuel pressure. The only problem I have found is I dont have 10 volts at the p term on the module, but as far as I know that should just not get spark but I am. At this point I am getting frustrated the only thing I can think left to check is for a tach signal getting to the ecm can any one tell me which wire I am looking for and what I should be getting when I check? PLEASE SOMBODY HELP ME!





