where is the ignition control unit in the bmw 325 i 1987

1987 BMW 325I
150,000 MILES
Avatar
AMORPHYX
  • MEMBER
  • 1 POST
the car won't distribute electricity to the sparks.
Nov 12, 2011 at 7:27 PM
Repair Safety Notice: This information is for general instructional purposes only. Vehicle repair can be dangerous. Verify all information, follow manufacturer service procedures, use proper tools and safety equipment, and consult a qualified repair shop when needed.
Advertisement
Avatar
DRCRANKNWRENCH
  • CAR REPAIR CONTRIBUTOR
  • 3,380 POSTS
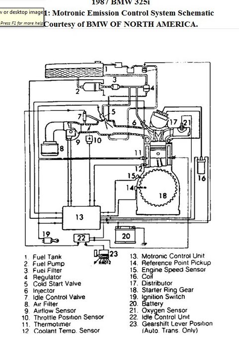
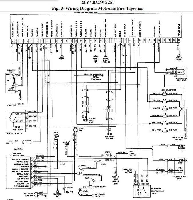
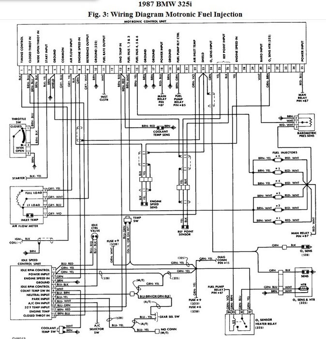
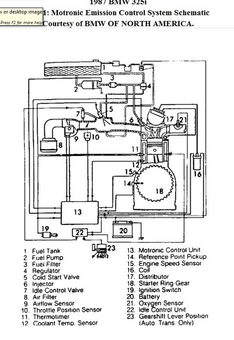
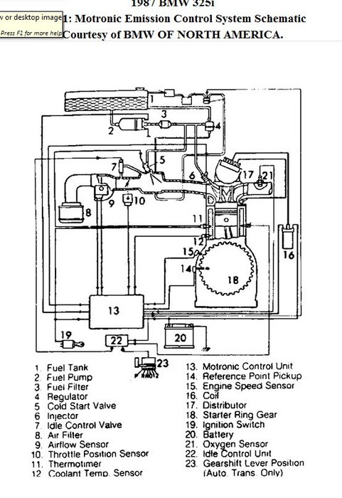
The Motronic CEC Igniton control box is under the right side of the dash above the glove box.
I am supplying you with 2 diagrams, 1 is a schematic and the other is wiring and general test procedures that I had to put into 2 pics. Also, the Motronic pinout diagram is included as you will need it for testing.
Nov 19, 2011 at 6:48 AM
Advertisement