We have a 86 Jeep Comanche with a 2

Tiny
ANONYMOUS
  • MEMBER
  • 1986 JEEP COMANCHE
  • 214 MILES
We have a 86 Jeep Comanche with a 2.8l engine and a 5 speed MANUAL transmission. The previous owner said it failed inspection because of a nonworking Neutral safety switch, I know those are only on automatic transmissions but the truck WILL start in gear without the clutch being pressed, Did this truck come with a safety switch in 86? If it did where is it, there's nothing on the transmission except the spedo cable reverse light switch and a shifter, if it doesn't come with one where can I find official documentation on the subject?
Thursday, April 11th, 2013 AT 12:37 AM

2 Replies

Tiny
CJ MEDEVAC
  • MECHANIC
  • 11,005 POSTS
IMMA CJ KINDA GUY.I DON'T KNOW YOURS WELL

THIS DEALEE HERE (LINK BELOW), AS A POSSIBILITY, LOOKS LIKE IT "MIGHT WOULD" SCREW INTO MY 1977 CJ 5s T-150 TRANSMISSION SHIFT TOWER. THE BACK-UP LIGHT "WELL" OR "HOLE"

MY SHIFT TOWER HAS 2 SHIFT RAILS 1ST AND REV.2ND AND 3RD. AS THE STICK (H PATTERN) GOES FORWARD AND LEFT. THAT SHIFT RAIL MOVES REARWARD AND PUSHES THE "STEEL BALL" UP IN MY BACK-UP LIGHT SWITCH

LOOKS LIKE IT WOULD DO THE SAME IN THIS ONE

searchTerm=neutral+safety+switch

I PUT IN YOUR VEHICLE INFO TO FIND THIS. THERE WERE SEVERAL OF DIFFERENT MANUFACTURERS. IN THE SPECS, SOME SAY "AUTOMATIC" SOME SAY "STANDARD
SO. WITH MY CRUDE INVESTIGATION, LOOKS LIKE IT DOES HAVE A NEUTRAL SAFETY SWITCH.

MAYBE THE WIRE CAME OFF----MAYBE SOMEONE "BYPASSED THE SWITCH" BY CUTTING THE WIRES OFF AND SPLICING THEM TOGETHER. OR ANOTHER WIRING ISSUE ELSEWHERE

I'M GONNA SEND YOU A PIC OF "MY" BACK-UP LIGHT SWITCH ON MY '77 CJ 5. JUST TO GIVE YOU A VAGUE IDEA ON WHAT YOURS MIGHT BE LIKE

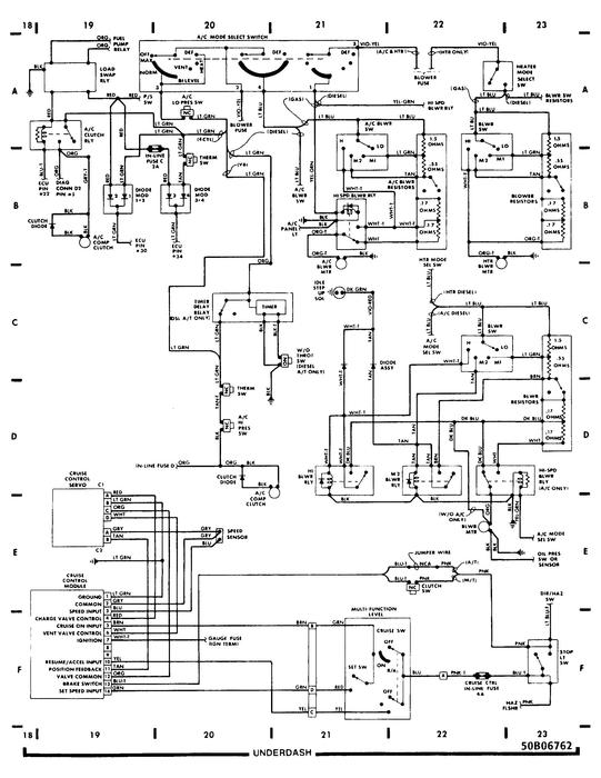
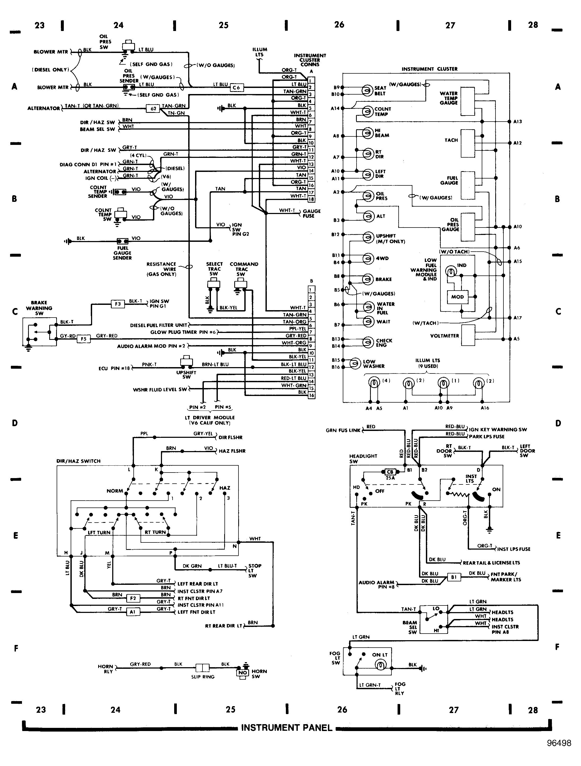
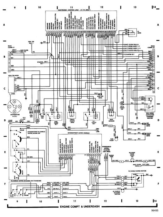
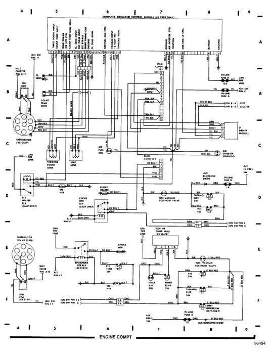
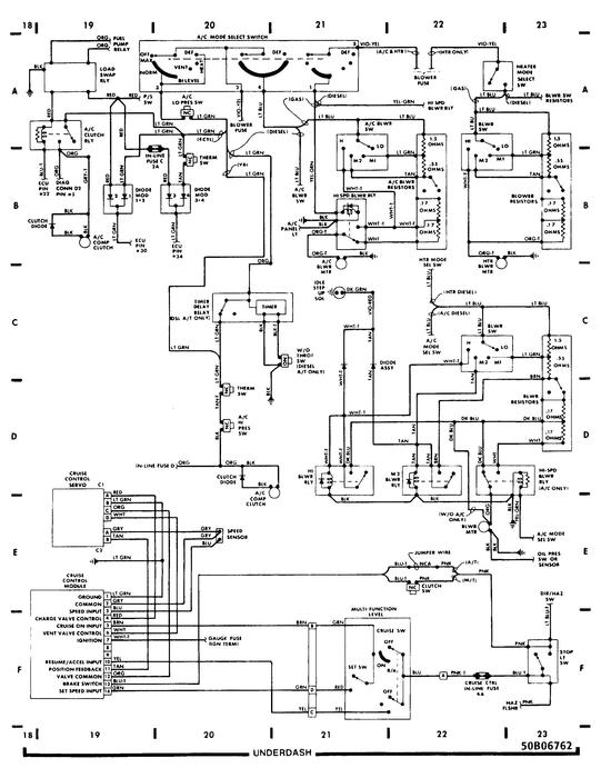
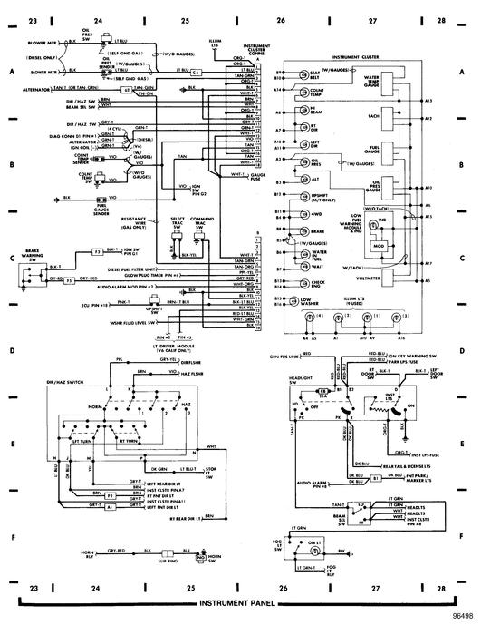
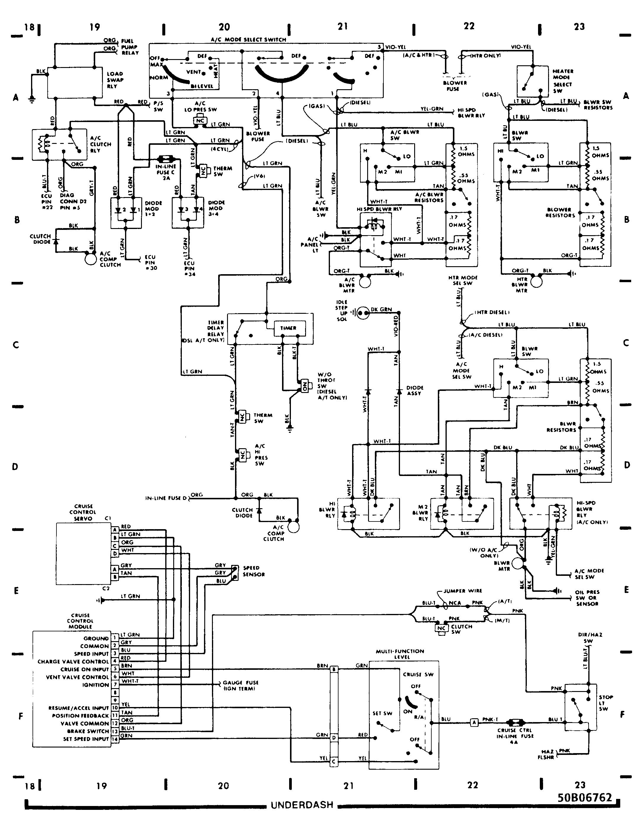
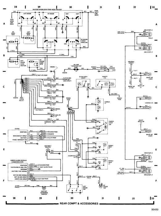
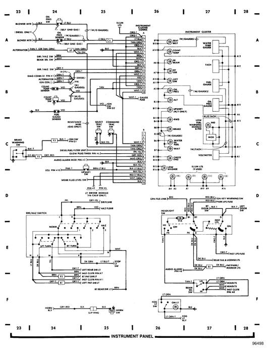
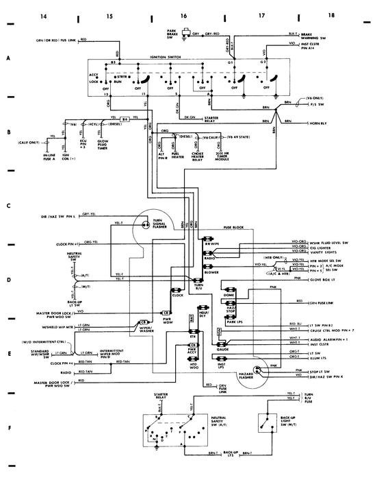
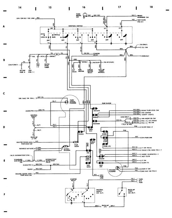
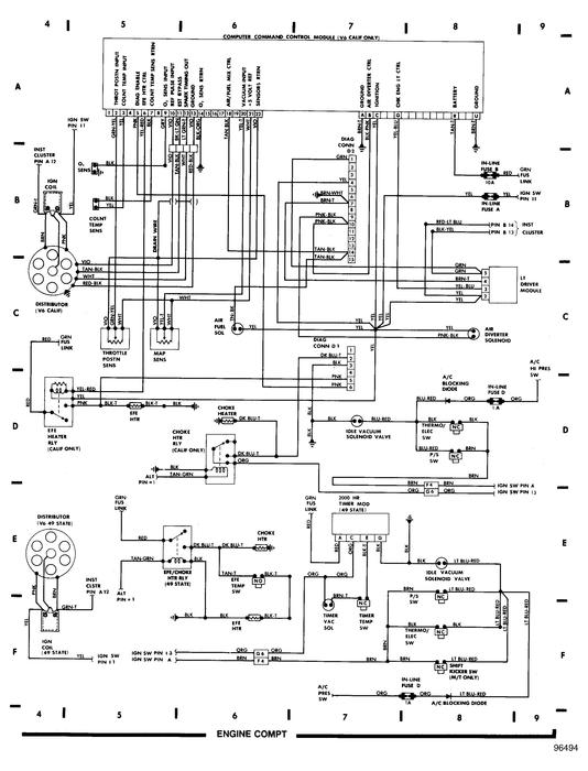
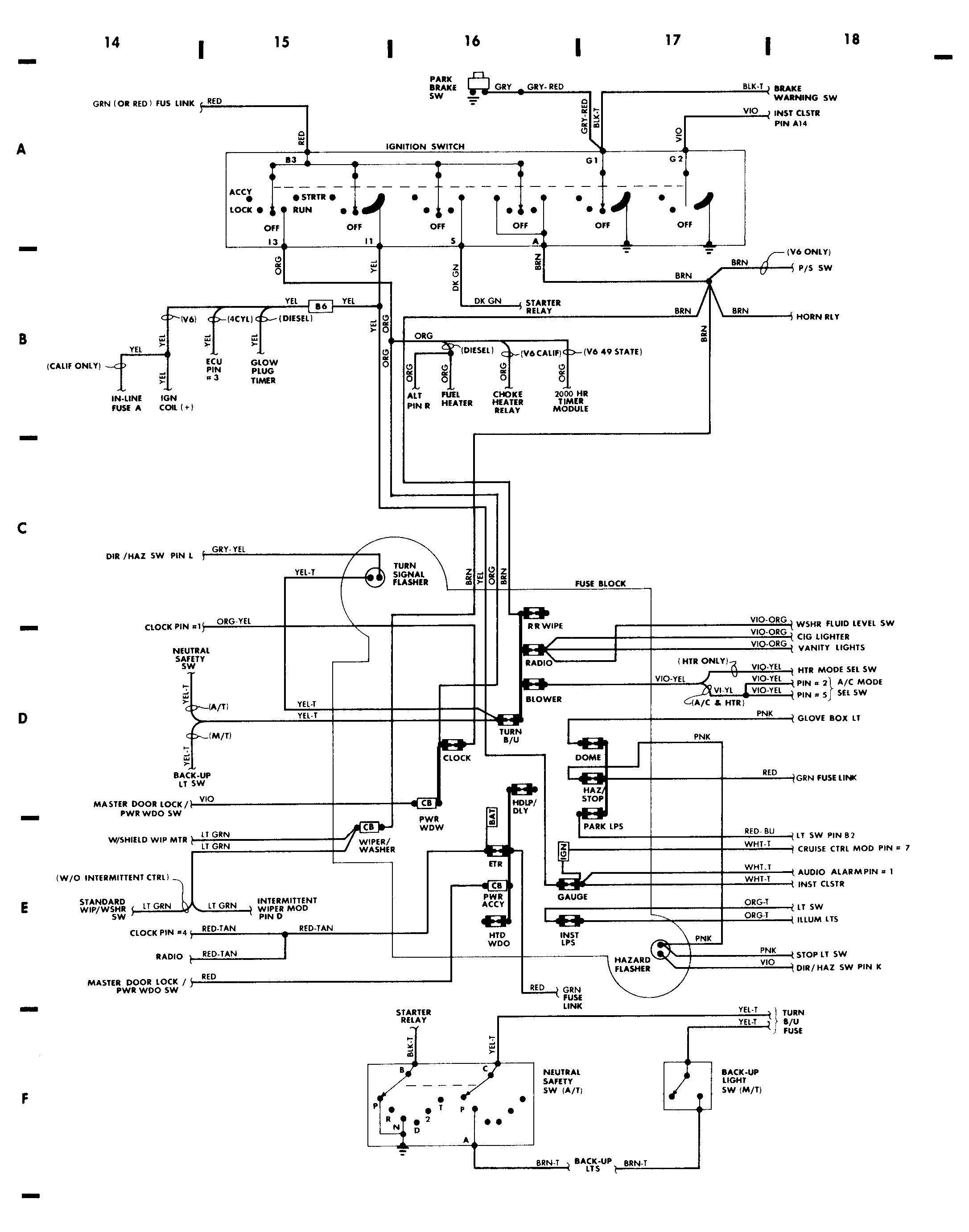
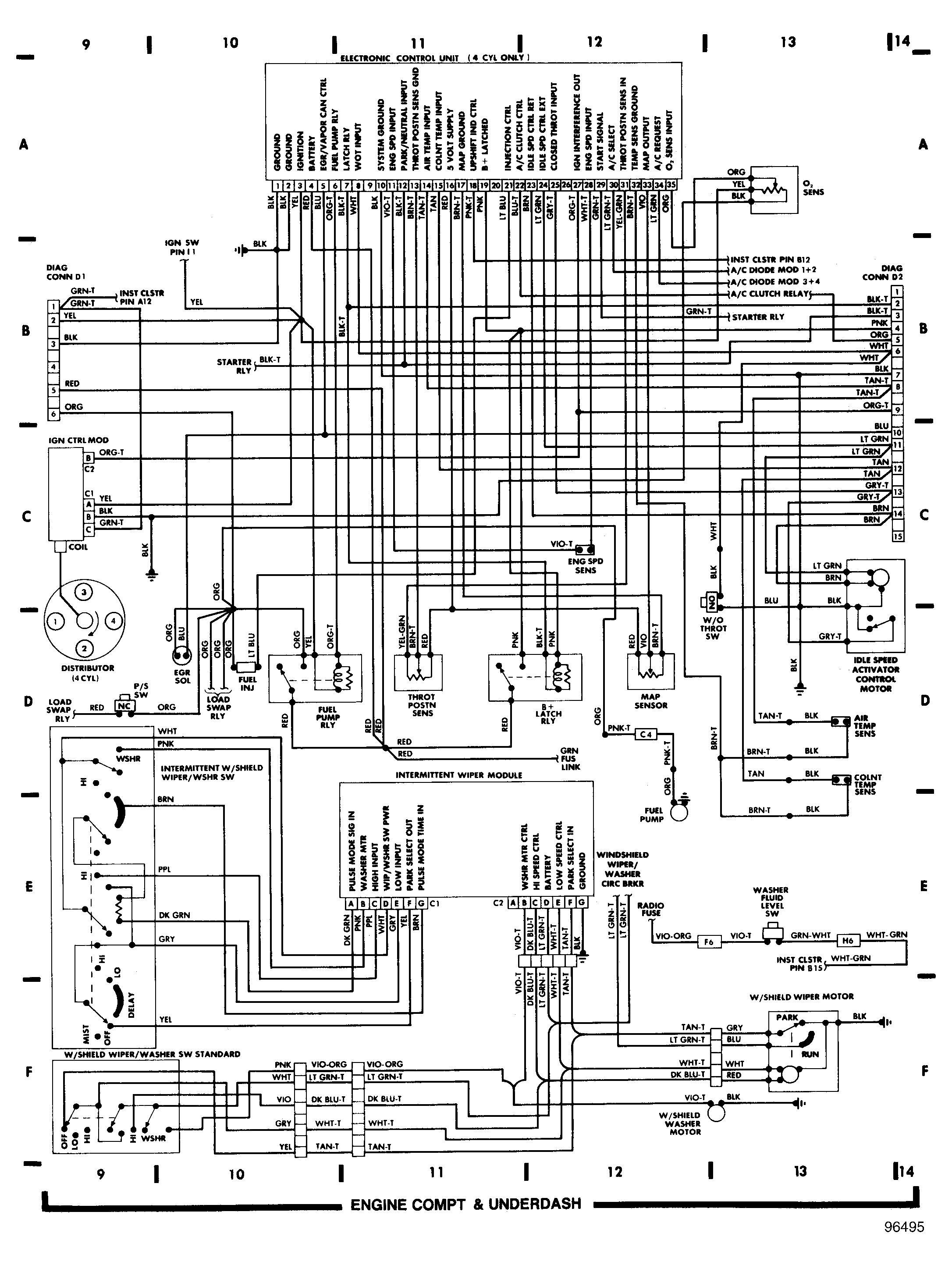
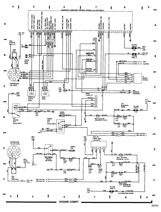
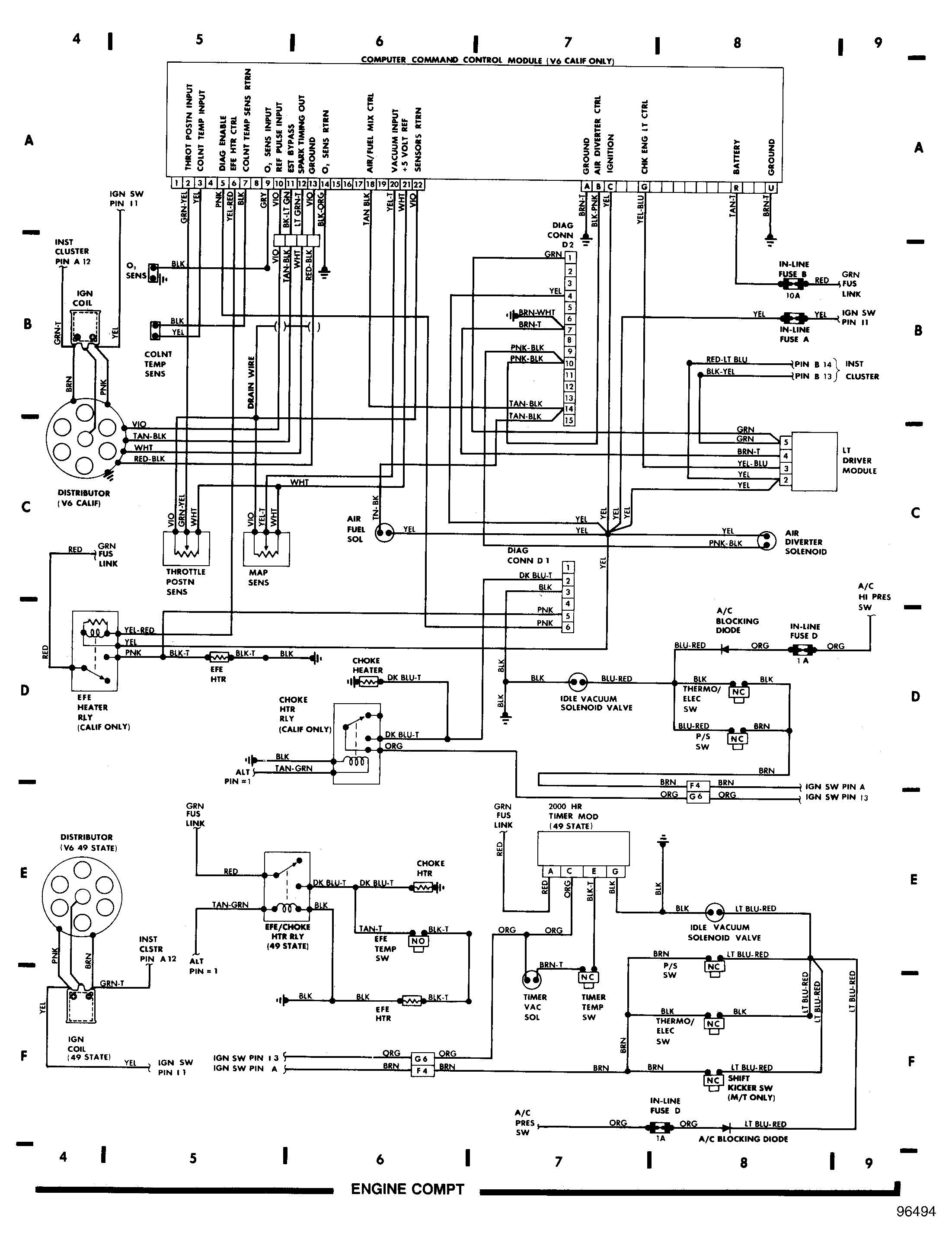
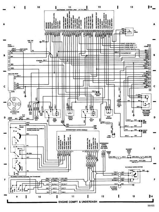
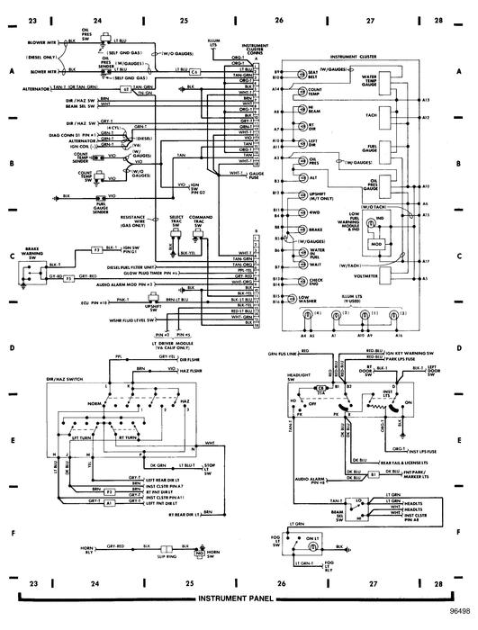
I ALSO WENT INTO "MITCHELL I" AND DOWNLOADED 7 WIRING DIAGRAMS FOR YOUR RIGON THE 4TH DIAGRAM AT LOCATIONS "F-16" AND "F-17" THE NEUTRAL SAFETY IS SHOWN (FOR AN AUTOMATIC) JUST TO THE RIGHT OF IT IS THE BACKUP LIGHT SWITCH (FOR A MANUAL TRANNY)

I WILL POST ALL SEVEN---LOOK AT #4----IF YOU CANNOT SEE THEM WELL. TELL ME.I HAVE WAYS!

KEEP ME POSTED, I CAN "TRY" TO AID YOU MORE

THE MEDIC
Was this
answer
helpful?
Yes
No
Thursday, April 11th, 2013 AT 3:32 AM
Tiny
CJ MEDEVAC
  • MECHANIC
  • 11,005 POSTS
3RD ATTEMPT---TOO MUCH STUFF 1ST 2 TIMES FOR ONE POSTING---HERE'S THE DIAGRAMS

THE MEDIC
Was this
answer
helpful?
Yes
No
Thursday, April 11th, 2013 AT 3:45 AM

Please login or register to post a reply.