HOME
ASK A QUESTION
REPAIR GUIDES
BECOME A MEMBER
LOG IN
Login with Facebook
OR
Remember me
NOT A MEMBER?
FORGOT PASSWORD?
CONTACT US
PRIVACY POLICY
TERMS AND CONDITIONS
☰
Home
Isuzu
Truck
General
How do I get wiring diagram for my truck?
SCOTTPAFF
MEMBER
1986 ISUZU TRUCK
150,000 MILES
How do I get wiring diagram for my truck?
Thursday, March 29th, 2012 AT 7:44 PM
1 Reply
DRCRANKNWRENCH
MECHANIC
3,380 POSTS
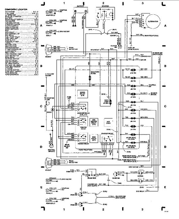
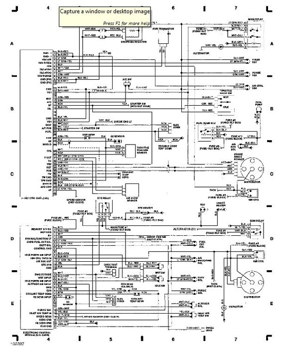
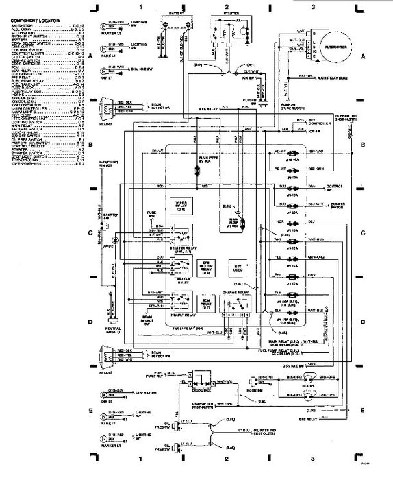
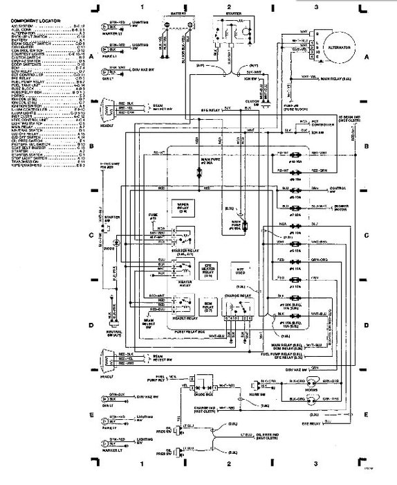
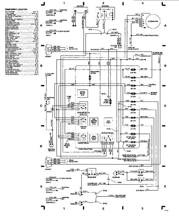
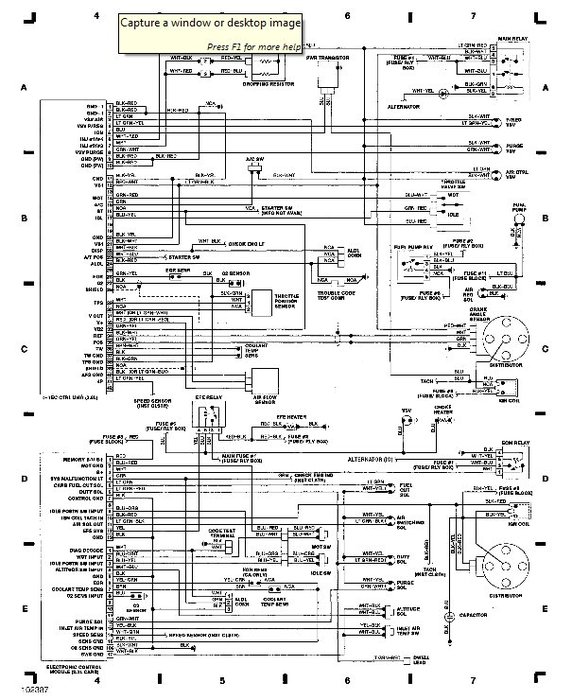
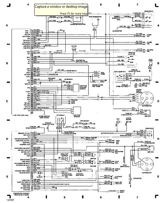
I can give you the power distribution for the truck, but I can't give you the entire truck harness. you will have to go to an auto parts store and get a Haynes manual for that.
https://www.2carpros.com/articles/mitchell1eautorepair-car-repair-manuals
Images (Click to make bigger)
Was this
answer
helpful?
Yes
No
Thursday, March 29th, 2012 AT 8:02 PM
Please
login
or
register
to post a reply.
Related General Content
GUIDE
Inquire Here
Ask a Car Question. It's Free!
Ten Questions to Ask a Repair Shop
Clunking Sound
Car Maintenance and Service Procedures