Monday, March 26th, 2012 AT 7:47 PM
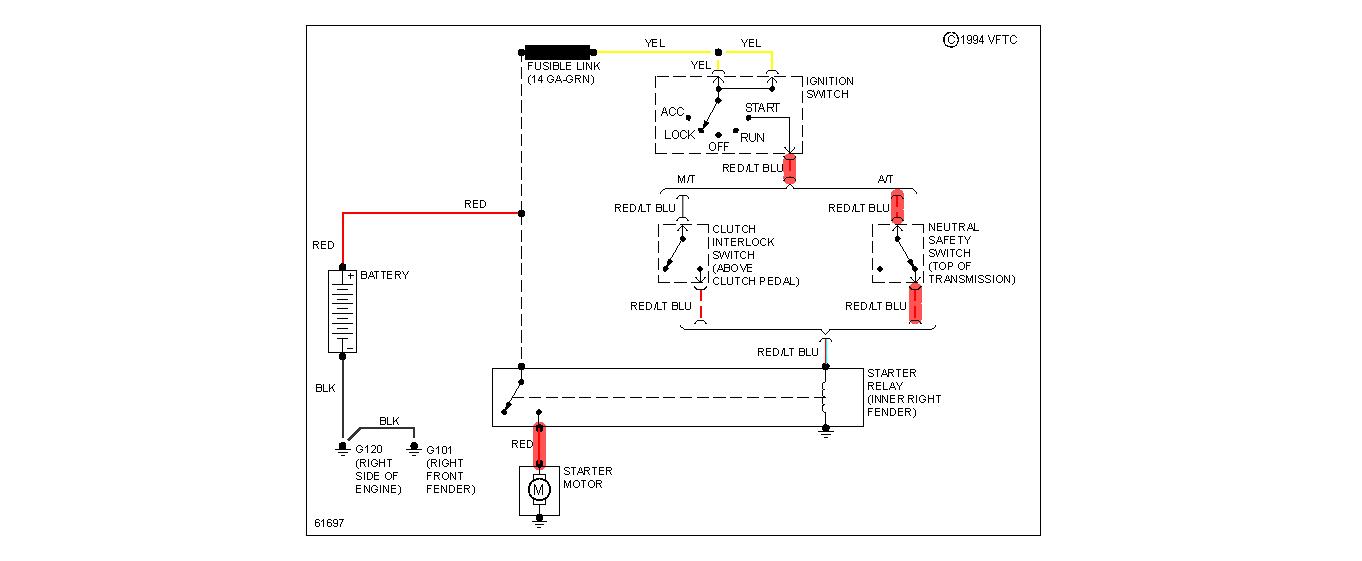
Is there a solenoid switch built onto the starter for an 1986 ford f150 300ci. Or is there just then one on the fender? Also does that same motor have an ignition coil where the wire goes from it to the distributor cap with a regular plug wire. Is it is there also a major ground wire from the engine to the chasis or is the ground from the starter bolt the main ground for everything?
