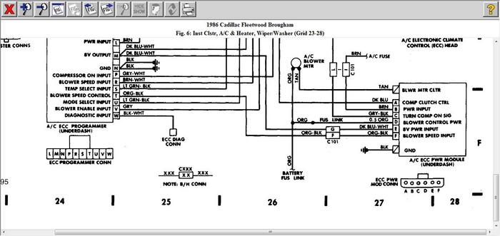
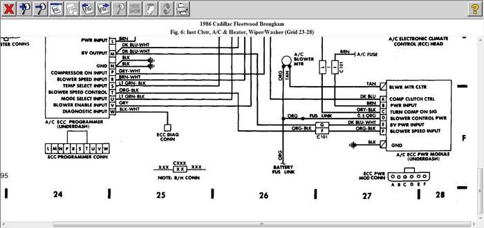
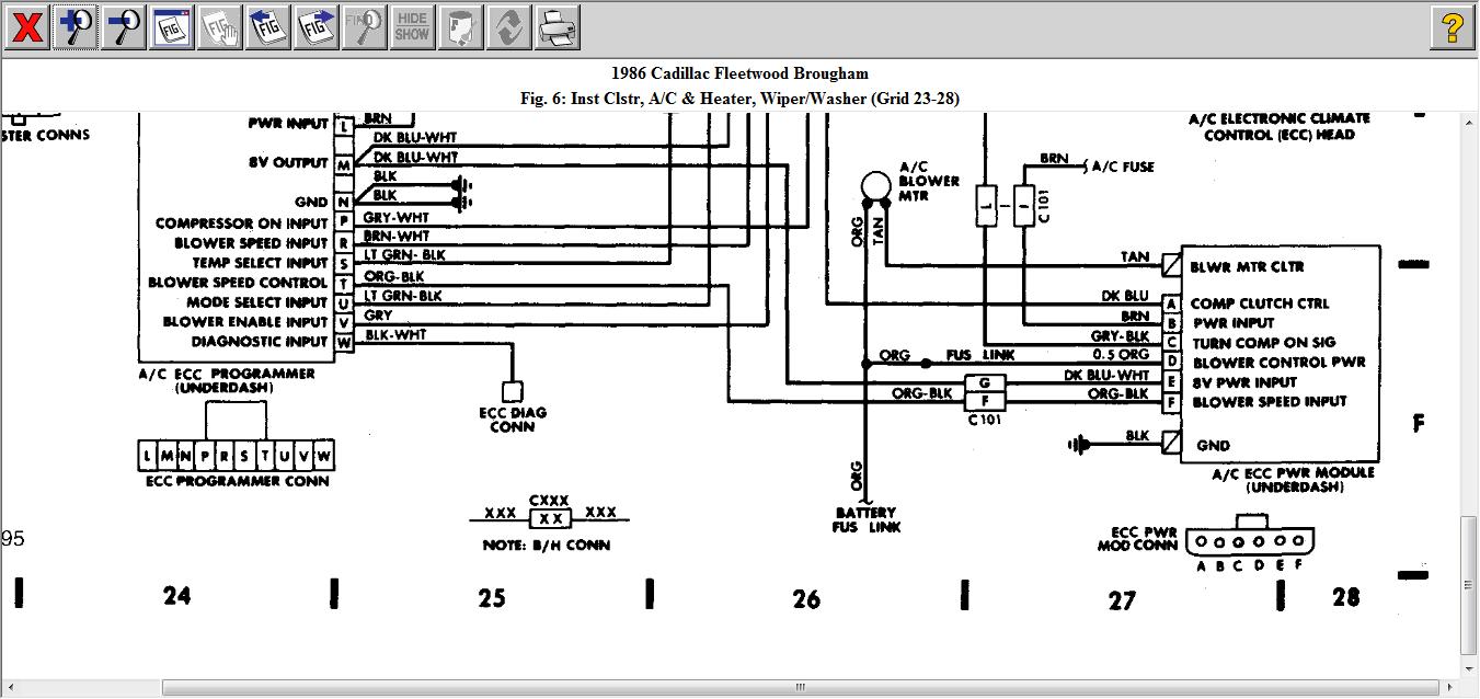
Doesn't work to put it on high or low or to turn it on or off. I have to plug up the wire to the blower motor under the hood to turn it on and unplug it to turn it of. Could it be the resistor or blower motor switch.I replaced the blower motor and wheel about a year ago.
Monday, February 27th, 2012 AT 7:10 PM

