HOME
ASK A QUESTION
REPAIR GUIDES
BECOME A MEMBER
LOG IN
Login with Facebook
OR
Remember me
NOT A MEMBER?
FORGOT PASSWORD?
CONTACT US
PRIVACY POLICY
TERMS AND CONDITIONS
☰
Home
Honda
Prelude
Electrical
Alternator
Alternator
BOONDOX316
MEMBER
1984 HONDA PRELUDE
4 CYL
FWD
MANUAL
184,000 MILES
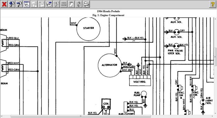
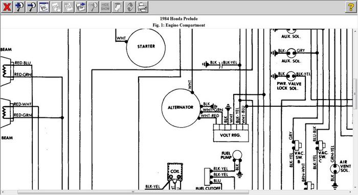
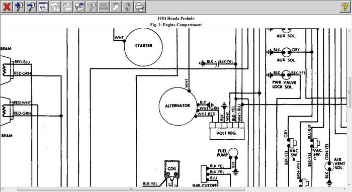
How many wires does the plug for a 1984 honda prelude alternator have?
Tuesday, March 8th, 2011 AT 12:37 AM
2 Replies
RASMATAZ
MECHANIC
75,992 POSTS
See below
Image (Click to make bigger)
Was this
answer
helpful?
Yes
No
Tuesday, March 8th, 2011 AT 2:57 AM
BOONDOX316
MEMBER
2 POSTS
Thank you a lot. Now the blk wire coming off the alternator is that a ground wire or what?
Was this
answer
helpful?
Yes
No
Tuesday, March 8th, 2011 AT 5:24 AM
Please
login
or
register
to post a reply.
Related Alternator Content
1990 Honda Prelude Alternator
How Do You Get The Adjusting Bolt Out At Botton On Left Side Is Alternator Looks Like Adjusting Bolt Is Screwed Into Alternator Bolt What To...
Asked by
lluckthree9
·
1 ANSWER
1990
HONDA PRELUDE
VIDEO
Alternator Replacement
Instructional repair video
GUIDE
Alternator
An alternator is designed to supply electrical power (13.6 to 14.6 volts) to a vehicle when the engine is operating to recharge the battery back up for future use. This is...
1990 Honda Prelude Honda Prelude 1990 Alternator
Cant Get The Alternator Bolt To Come Lose Hit It With Hammer With Number 10 Mm Socket And Wrench On It Will Not Break Loose What About The...
Asked by
lluckthree9
·
1 ANSWER
1990
HONDA PRELUDE
1991 Honda Prelude Alternator
How Do I Get The Alternator Out Of My 91 Honda Prelude?
Asked by
Troyff
·
1 ANSWER
1991
HONDA PRELUDE
Honda Prelude
Honda Prelude 1992 H23a1 Wont Start. Terminal 7 Has No Current When Key Turn On. I Replaced Main Relay With Brand New And Still No Luck.
Asked by
patshonda
·
4 ANSWERS
1992
HONDA PRELUDE
The Starter Clicks Once And Wont Turn My Engine My...
The Starter Clicks Once And Wont Turn My Engine My Battery Is Good Took The Starter Off Cleaned It Out Bench Tested It And It Ran. Put It...
Asked by
Anonymous
·
1 ANSWER
1988
HONDA PRELUDE
VIEW MORE
Ask a Car Question. It's Free!
Replace Alternator Ford F-150 2004-2008
How to Test an Alternator
Alternator Replacement