My solenoid is instantly hot when key is turned on not start, what do Ido to fix this?

Tiny
POLLARDJOEY
  • MEMBER
  • 1984 FORD BRONCO
  • 11,000 MILES
I have an '84 Ford Bronco II and the solenoid is brand new the altinator is new and all the wiring has recently been rewired, I went to turn the key to the on position not start position and the solenoid instantly got really hot. The voltage regulator also started to give off a burnt smell. I have no clue what to do.
Thursday, July 12th, 2012 AT 3:59 AM

5 Replies

Tiny
CJ MEDEVAC
  • MECHANIC
  • 11,005 POSTS
IS THIS WHAT YOUR SOLENOID LOOKS LIKE?

THE MEDIC
Was this
answer
helpful?
Yes
No
+1
Thursday, July 12th, 2012 AT 4:20 AM
Tiny
CJ MEDEVAC
  • MECHANIC
  • 11,005 POSTS
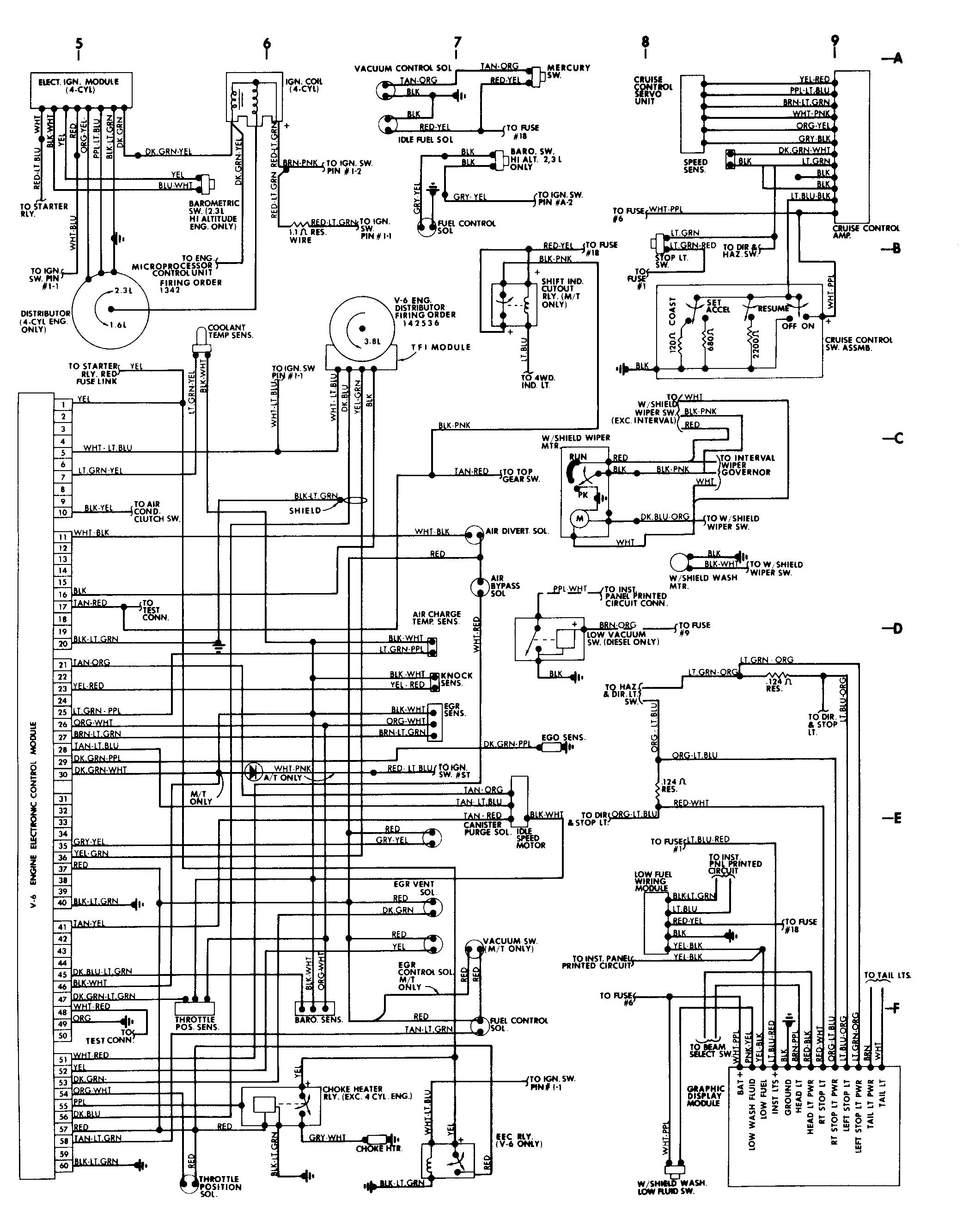
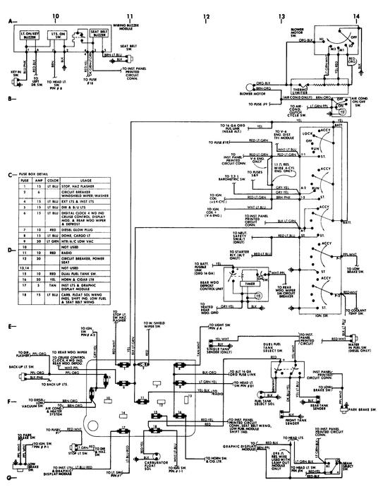
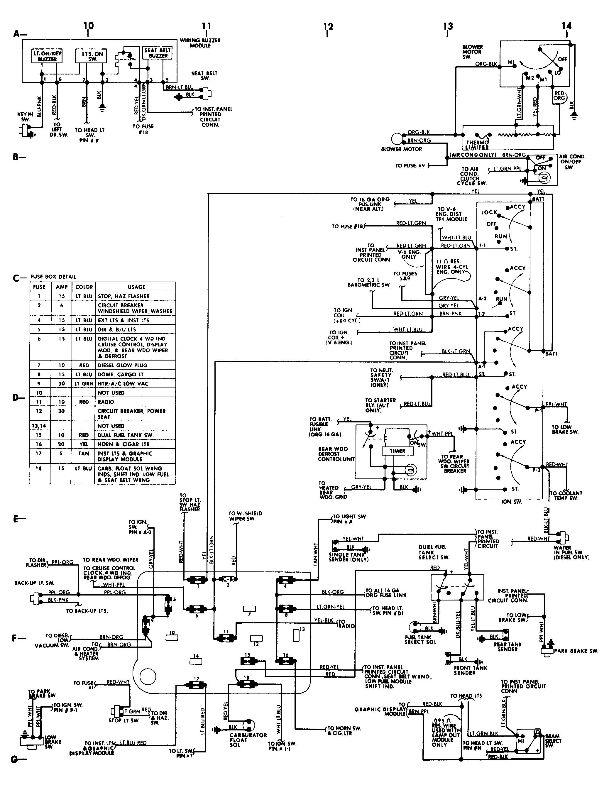
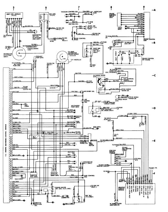
WHILE I WAS WAITING FOR YOU I WENT AHEAD AND FOUND YOUR WIRE DIAGRAMS FROM "MITCHELL I"

THIS ARE A CHALLENGE TO READ SOMETIMES AS THEY INCLUDE VARIATIONS OF OTHER ENGINE SIZES EVEN DIESEL, AND OPTIONS YOURS MAY NOT HAVE

PAY SPECIAL ATTENTION SO THAT YOU DO NOT "ADD" SOMETHING THAT SHOULD NOT BE ON YOURS

THIS IS THE ONLY WAY I SEE THAT YOU ARE GONNA STRAIGHTEN OUT YOUR WIRING PROBLEMS. IS TO FOLLOW THE THE IGNITION SWITCH TO THE SOLENOID, REMOVE ANYTHING THAT SHOULD NOT BE ON THE LINE, INSURE THE IGN SWITCH IS WIRED CORRECTLY

I WOULD HAVE A TOUGH TIME WITH IT IN FRONT OF ME---MUCH LESS ATTEMPT TO "TALK" SOMEONE THRU IT

IF THESE ARE BLURRY AND UNREADABLE---LET ME KNOW----I WILL INITIATE A WAY TO GET THEM TO YOUR EMAIL. WITHOUT YOU BLURTING OUT YOUR PRIVATE INFO IN OPEN FORUM. LET ME KNOW, THEY ARE IN MY DOWNLOADS ABOUT A WEEK BEFORE I DELETE THEM

YOUR TURN

THE MEDIC
Was this
answer
helpful?
Yes
No
Thursday, July 12th, 2012 AT 5:00 AM
Tiny
RASMATAZ
  • MECHANIC
  • 75,992 POSTS
Disconnect the I connector right side of starter relay and see what happens if it looks like above-
Was this
answer
helpful?
Yes
No
Thursday, July 12th, 2012 AT 5:02 AM
Tiny
CJ MEDEVAC
  • MECHANIC
  • 11,005 POSTS
"I" IS THE LITTLE TERMINAL ON THE RIGHT----THIS IS A REAL PIC OF MY JEEP CJ 5, "MY" 'I' TERMINAL CONNECTOR IS RED (YOURS MAY NOT BE RED)

THE LITTLE TERMINAL ON THE LEFT IS "S" (BLACK CONNECTOR)----"S" MAKES IT WAY BACK TO THE IGN SWITCH--TO THE "START OR CRANKING POSITION"

DO LIKE RAZ SAID AND DISCONNECT "I" FOR A TEST

WHILE I AM AT IT----THE BIG LUG ON THE SOLENOID THAT THE CABLE GOES TO THE STARTER. SHOULD BE ALL BY ITSELF--1 HEAVY CABLE----SOLENOID TO STARTERNO OTHER LITTLE WIRES!

THE OTHER SIDE (BIG LUG) HAS THE POSITIVE CABLE FROM THE BATTERY AND ALL SMALLER ACCESSORIES "STACK ON" BESIDE/AGAINST THE POS BATTERY CABLE

THE MEDIC
Was this
answer
helpful?
Yes
No
Thursday, July 12th, 2012 AT 5:15 AM
Tiny
RASMATAZ
  • MECHANIC
  • 75,992 POSTS
The I is the ignition bypass circuit which gives the coil full battery voltage while engine is being cranked over, when the engine starts up the bypass no longer exist till next start up-Got this feeling there's a short circuit in the ignition primary circuit-
Was this
answer
helpful?
Yes
No
Thursday, July 12th, 2012 AT 5:24 AM

Please login or register to post a reply.