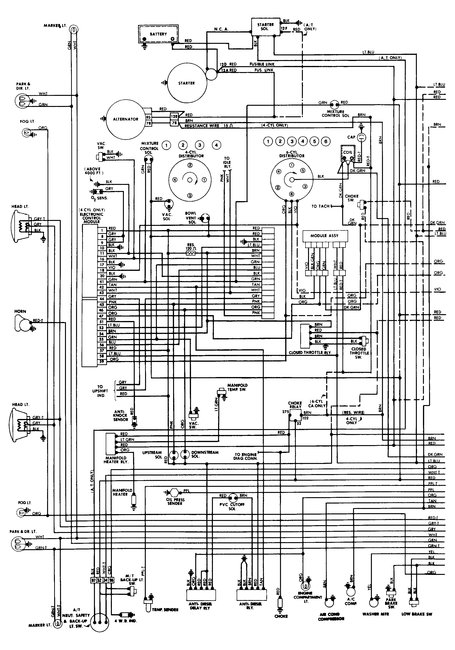
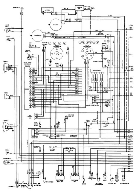
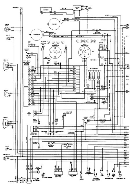
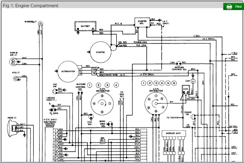
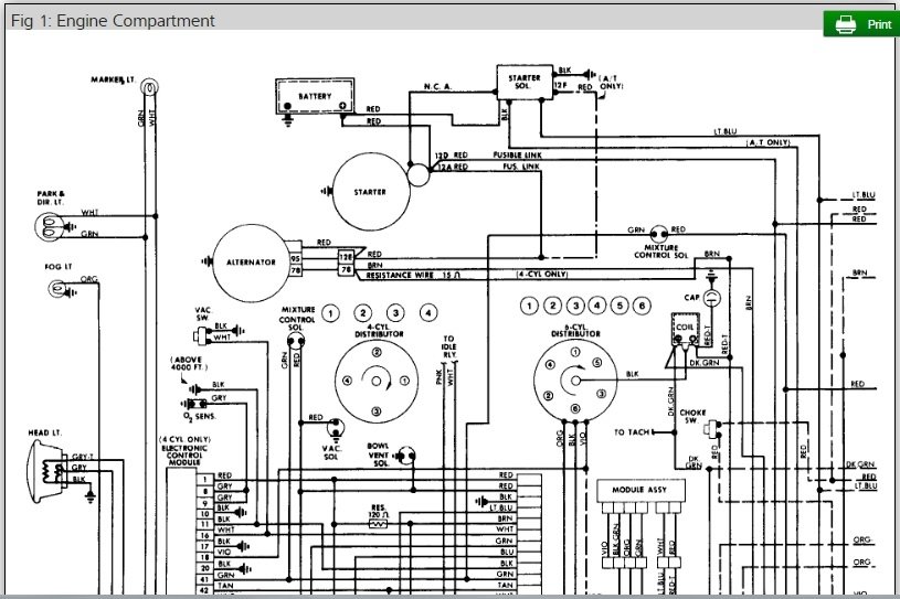
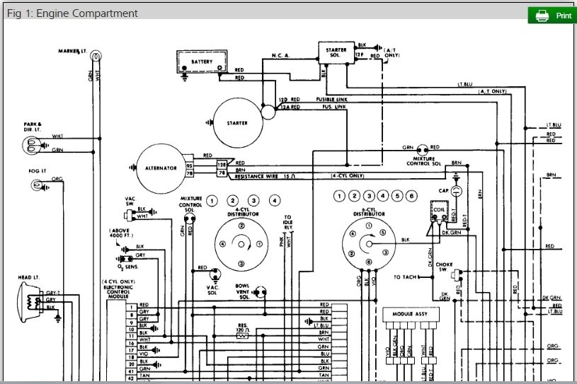
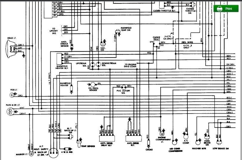
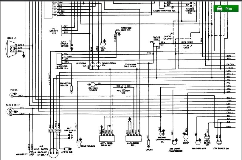
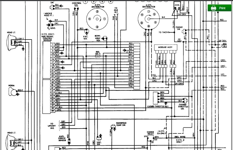
Everything was fine until I went to start it one day and the starter solenoid clicked. The battery was showing low voltage and I replaced it as AutoZone said it was bad. After I installed the new battery, I still got a low voltage reading in the voltmeter that is in the interior gauges. After that, I got 0 volts and no power to anything. No clicks or any reading.
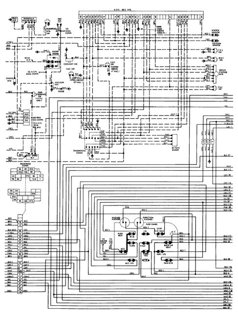
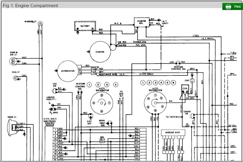
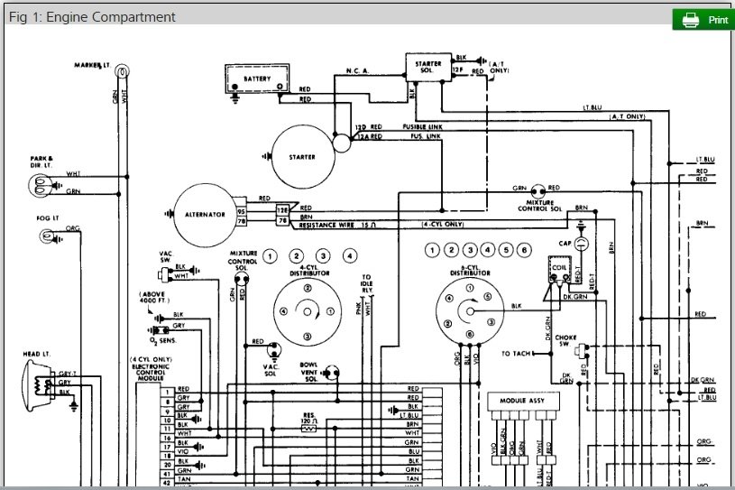
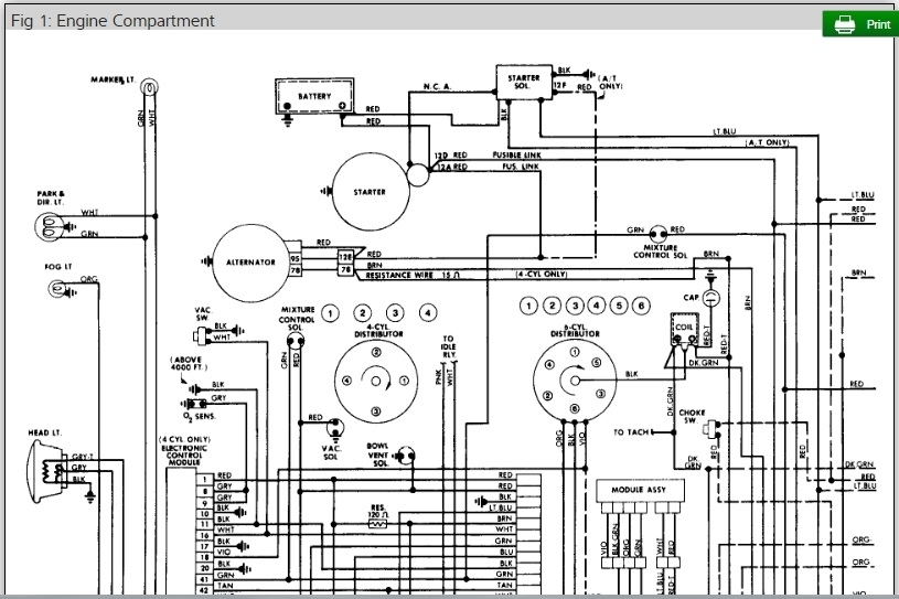
I tried replacing the starter solenoid after some research, but it did not help. I have rewired the solenoid just as it was before. There is a fusible link between the two posts of the starter and I opened it to see a glass fuse had blown. I replaced that. Still no crank or headlights or anything. There is power to the starter solenoid because I tested it using a test light.
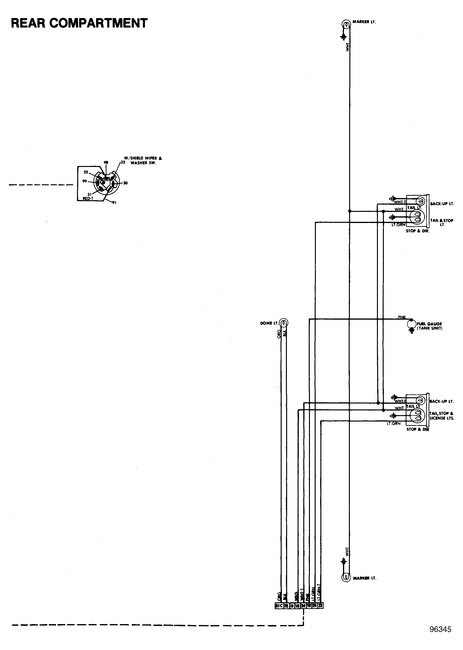
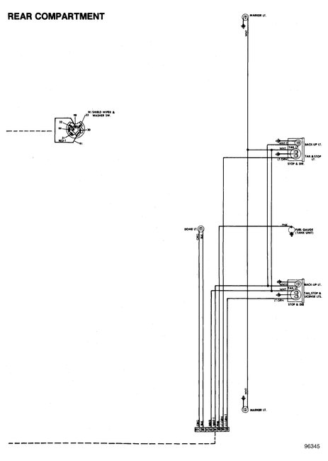
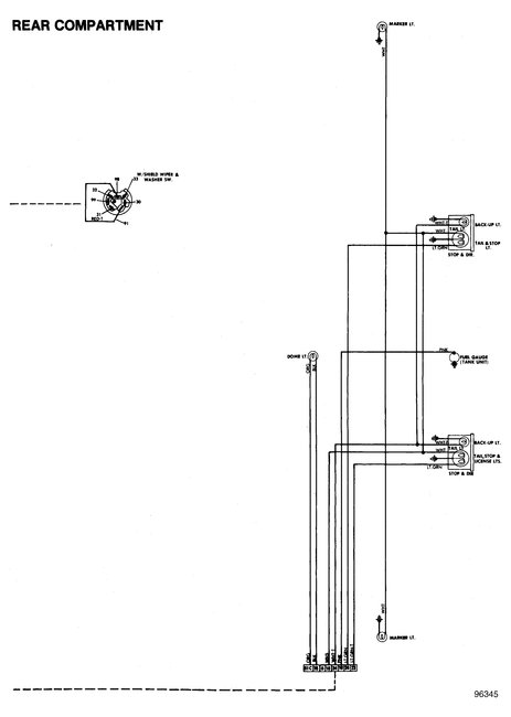
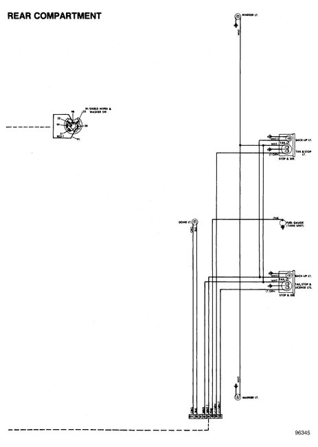
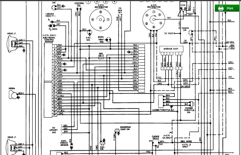
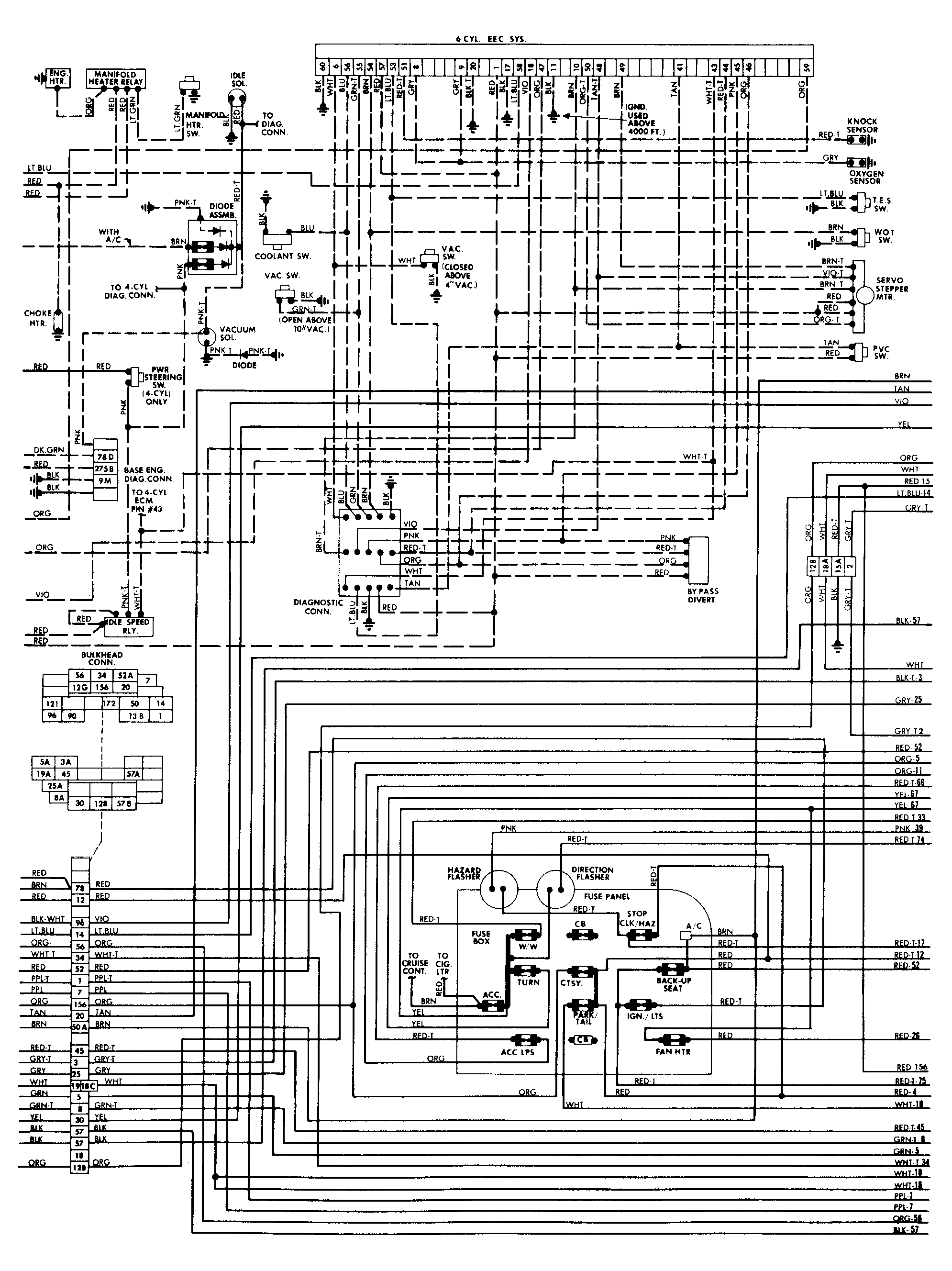
There is no power to the fuse box underneath the dash panel on the drivers side if I turn the key to the "on" position.
I do not know if this means the ignition switch or the key cylinder is bad.
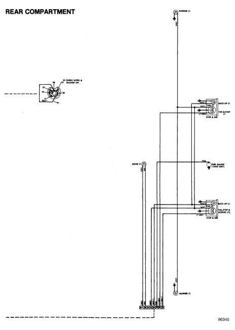
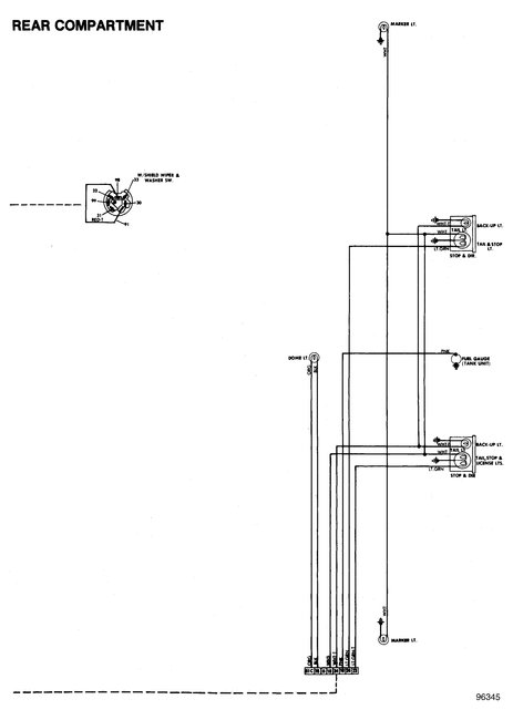
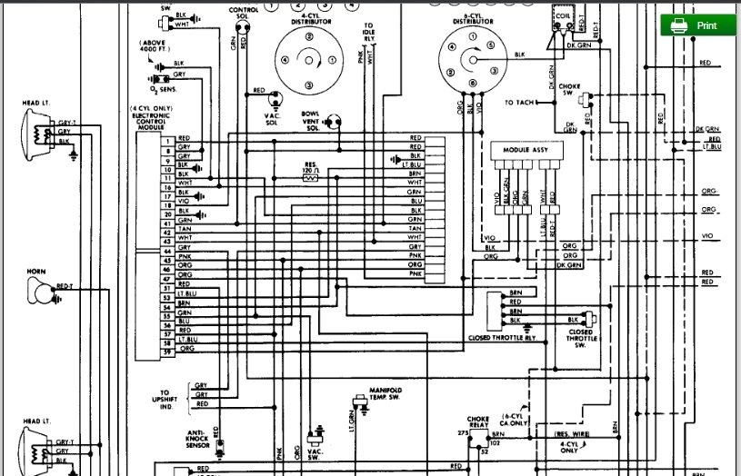
I have done a ton of reading on other fusible links, but can't find where they may be.
Can anyone help where I should look next?
Sunday, December 16th, 2018 AT 10:24 AM




































