1984 BMW 528e cranks but won't start. There is no spark at the coil. The coil is new. All the fuses are OK.

Tiny
JONIS
  • MEMBER
  • 1984 BMW 528E
  • 120,000 MILES
The car has new battery, new coil, all the fuses are OK
Wednesday, October 12th, 2011 AT 9:04 AM

1 Reply

Tiny
DRCRANKNWRENCH
  • MECHANIC
  • 3,380 POSTS
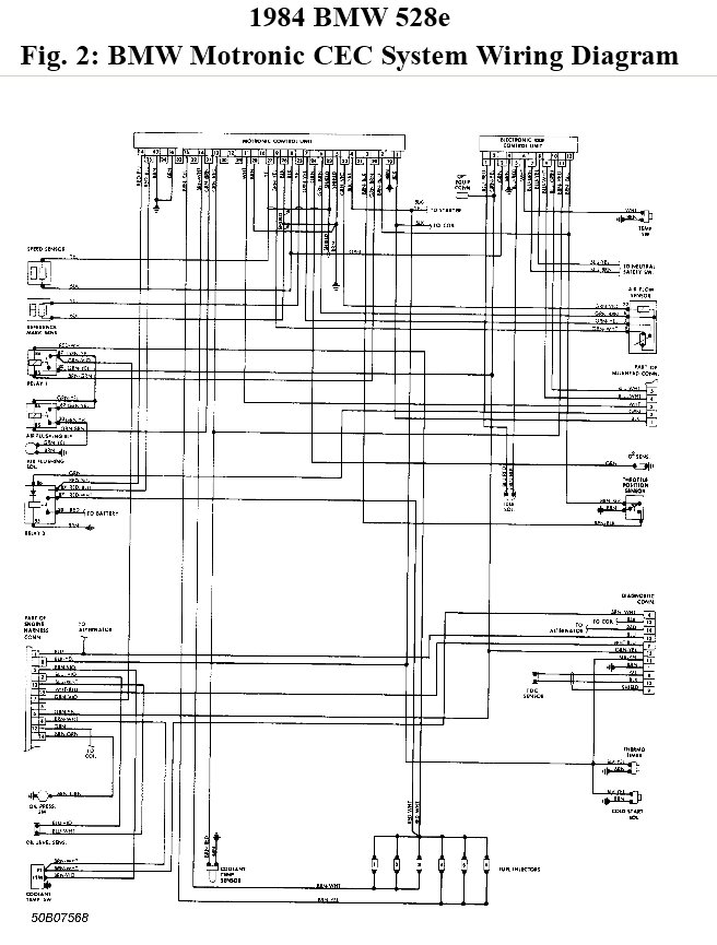
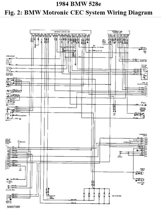
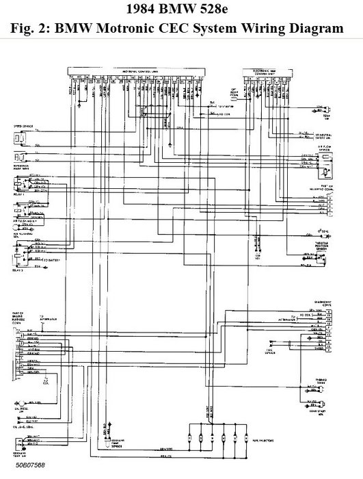
The crankshaft and camshaft position sensors may be failing or the oder of the pins into the coil. The temperature time switch could be bad, as well as the distributor itself.
These are some things to check before diagnosing the Motronic Control System.
Double check all wire connections for a tight fit and corrosion.
There is a special part number BMW has to test the Motronic System and I do not have access to parts list, but I have test instructions, which have the part number, and the diagrams you will need to test the unit.
Was this
answer
helpful?
Yes
No
+1
Wednesday, October 12th, 2011 AT 9:33 AM

Please login or register to post a reply.