Monday, March 25th, 2013 AT 4:43 AM
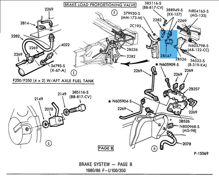
Ok replacing rear brake hose mounted on rear axle. The bolt (BANJO) WAS RUSTED COMPLETELY RUSTED OFF. I need to know what part am I looking for. The banjo has a hose connected to the top that is the vent made to be turned by a wrench. I need to know what size that banjo is and where would I find such a part. Finding a used has been unsuccessful. Also can I use a newer model that maybe uses same setup. So far ive had no luck with that also. If I knew the exact size the local auto parts may have a replacement, any help would be appreciated.

