Monday, March 10th, 2014 AT 11:28 AM
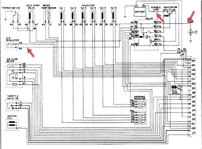
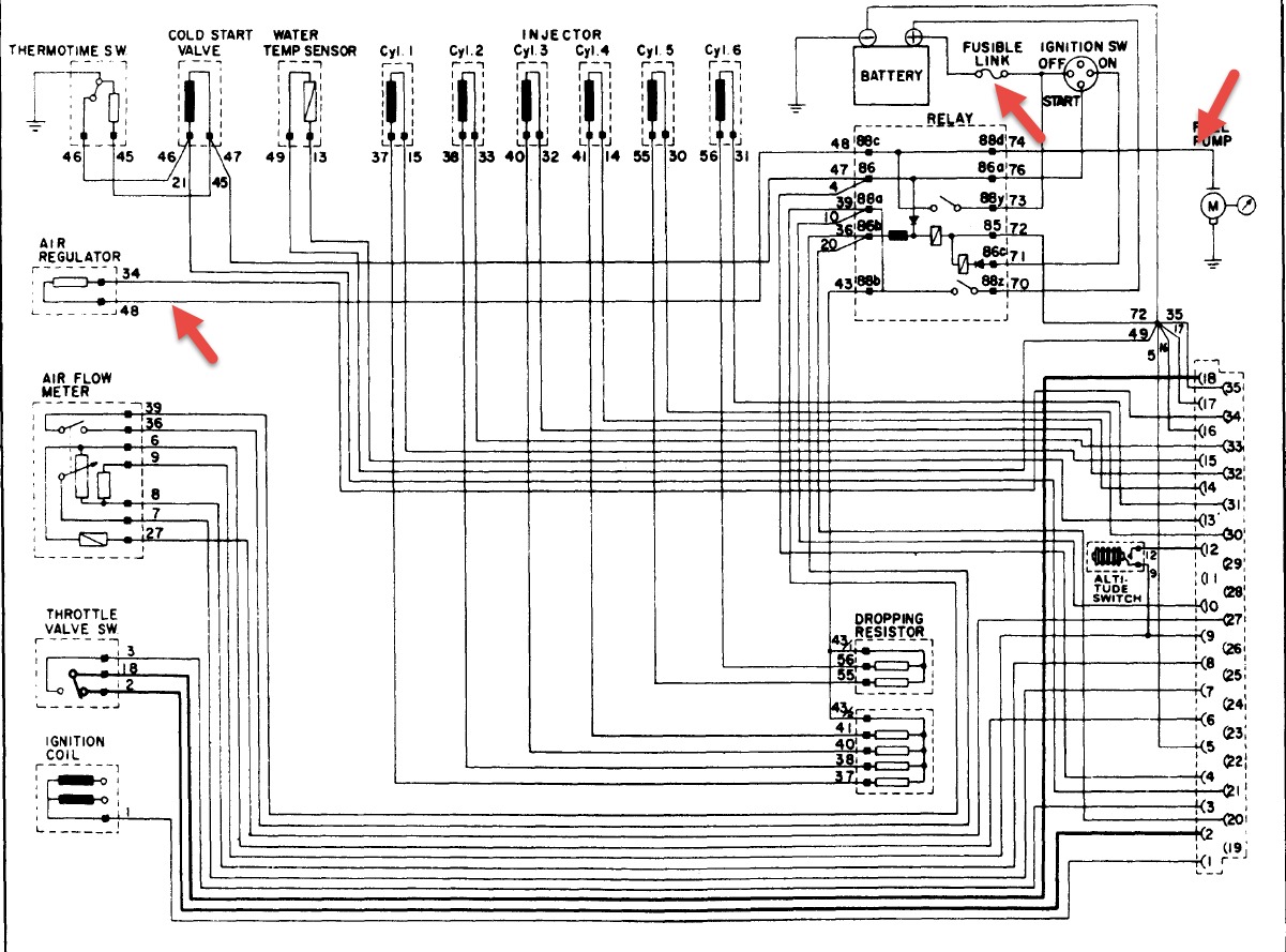
I have a 1977 280z base inline 6 engine. I've been trying to turn it on but it seems like no fuel is getting into the fuel injections. What can I do to solve this problem.I have changed the old fuel pump which I found out was still good, I checked the relay and it seems to be clicking when I try and turn on the car, I put starter fluid into the injection and it turns on but it doesn't stay on because it doesnt get any more gas



