Saturday, August 22nd, 2015 AT 11:38 AM
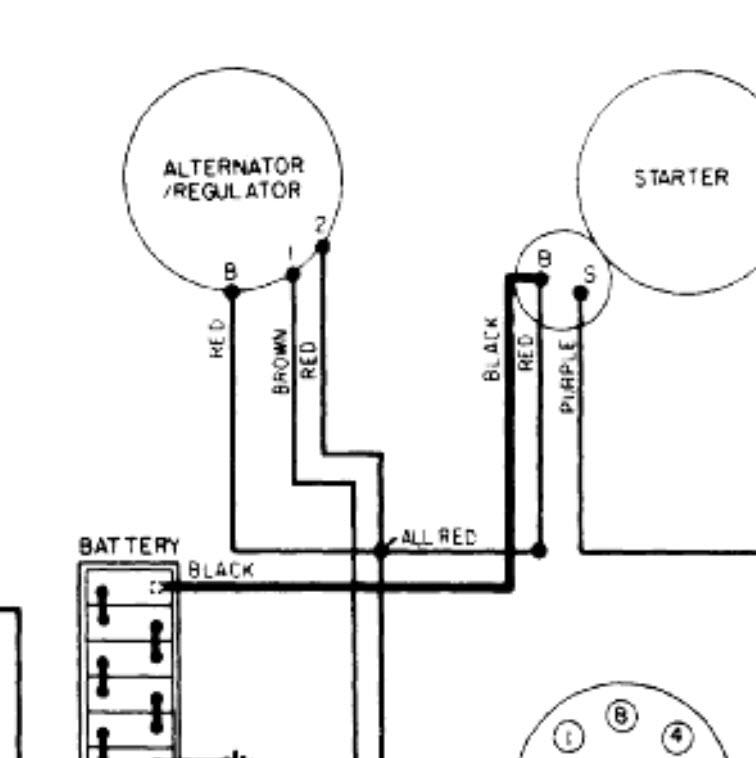
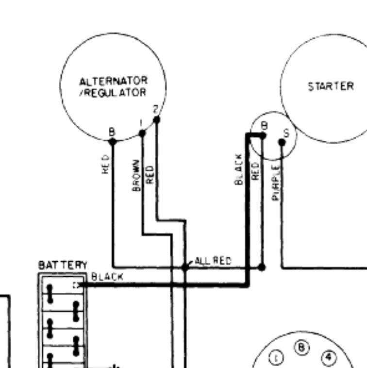
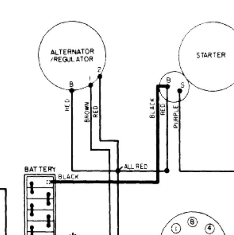
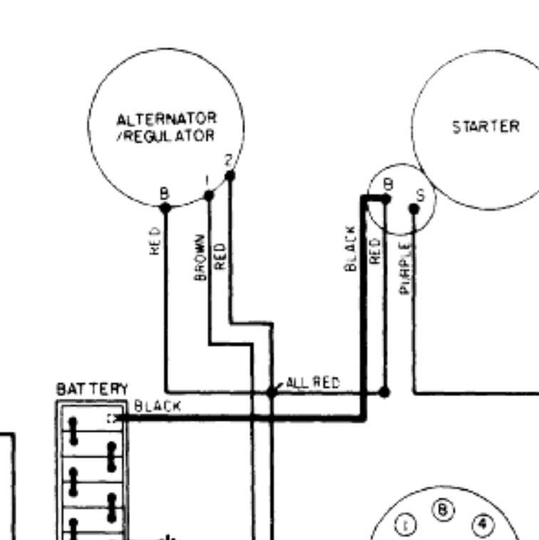
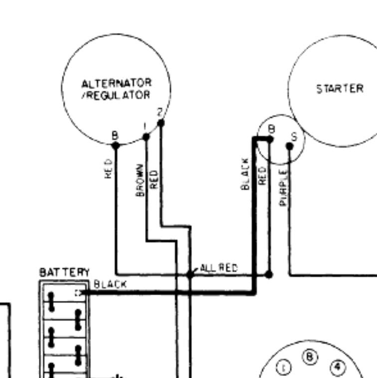
Recently I broke the white plug for the voltage regulator on the alternator and then replaced it with solderless terminals as I could not find an in stock replacement and the nearest scrap yard is 100 miles away. Since then my battery drains overnight. Is it possible that I've hooked the wires up to the terminals backwards? If so will it run after boosting the battery? The alternator charges the battery fine when engine is running but overnight the battery drains. I put a meter to each terminal and to ground and can see the voltage dropping on either of them but would like an experts advise before I reverse my wires on it in fear of doing damage to my electrical.



