Car starting

Tiny
MATTHEWWALTON419
  • MEMBER
  • 1970 PONTIAC TRANS AM
  • V8
  • 2WD
  • AUTOMATIC
  • 140,000 MILES
My 1970 trans am is hard to start. Its worse when warmed up. Seems like there is not enough power
Wednesday, January 5th, 2011 AT 6:57 PM

6 Replies

Tiny
JDL
  • MECHANIC
  • 16,098 POSTS
If your saying it cranks good but won't start, try some starter fluid in the intake. I usually open the choke valve, spray a little in there. Stand back away from the vehicle, have helper crank, see if it helps? How long since a tune-up?

There is always a safety issue with using a flamable spray, safety is your responsibility.

Also, with an extended crank, you can remove airhorn from carb without removing carb, depending on the carb, see if any gas in the float bowl. Do you see any gas squirt in the throttle-bore, when you work the throttle-linkage?
Was this
answer
helpful?
Yes
No
Wednesday, January 5th, 2011 AT 7:48 PM
Tiny
MATTHEWWALTON419
  • MEMBER
  • 3 POSTS
When the car is warmed up it cranks slow like when you have a weak battery. Even with a new battery. Once the car cools down it generally starts fine. I have put on a starter heat shield and larger battery cables but that only helped a little.
Was this
answer
helpful?
Yes
No
Thursday, January 6th, 2011 AT 5:38 AM
Tiny
JDL
  • MECHANIC
  • 16,098 POSTS
On older GMs I have heard of using a ford starter relay up high on the fender lining, to get away from the heat. I'll look for the diagram, don't know if it will help?
Was this
answer
helpful?
Yes
No
Thursday, January 6th, 2011 AT 4:32 PM
Tiny
JDL
  • MECHANIC
  • 16,098 POSTS
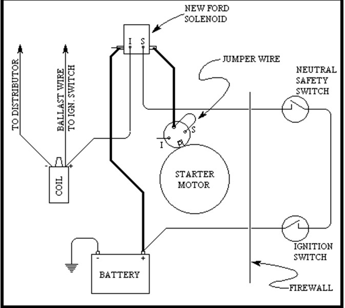
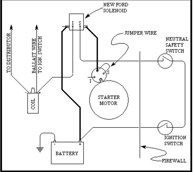
Using the ford solenoid is supposed to supply more current. The diagran came from chevelles. Com, don't know if it will help?
Was this
answer
helpful?
Yes
No
Thursday, January 6th, 2011 AT 4:42 PM
Tiny
MATTHEWWALTON419
  • MEMBER
  • 3 POSTS
Thank you. I will try this first when I get the car out of storage
Was this
answer
helpful?
Yes
No
Thursday, January 6th, 2011 AT 5:59 PM
Tiny
JDL
  • MECHANIC
  • 16,098 POSTS
Hope it helps.
Was this
answer
helpful?
Yes
No
Wednesday, March 2nd, 2011 AT 4:59 PM

Please login or register to post a reply.