14 wire pin plug on the transmission?

Tiny
MARK MCCOY
  • MEMBER
  • 2015 VOLKSWAGEN GOLF
  • 1.8L
  • AUTOMATIC
  • 200,000 MILES
I need to know where the blue wire goes in the plug.
Monday, January 20th, 2025 AT 12:47 PM

9 Replies

Tiny
KEN L
  • MASTER CERTIFIED MECHANIC
  • 55,322 POSTS
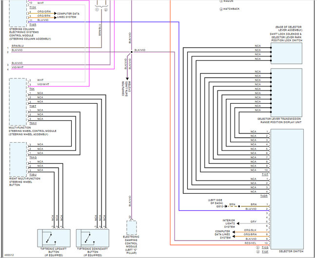
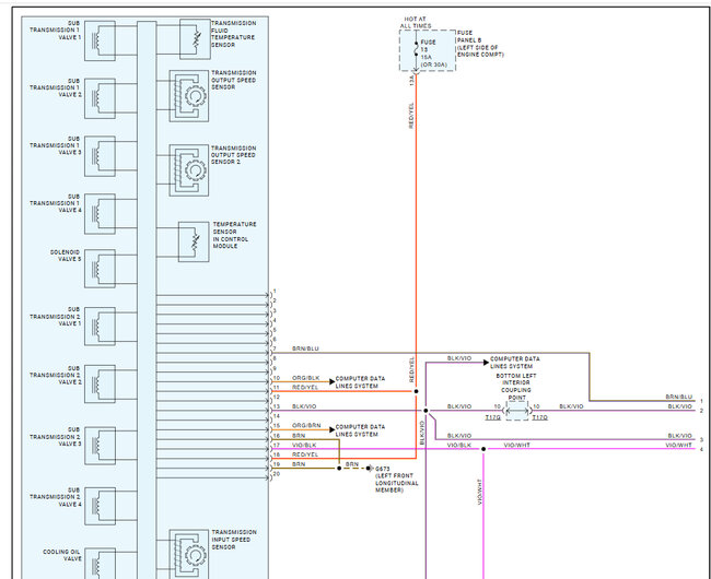
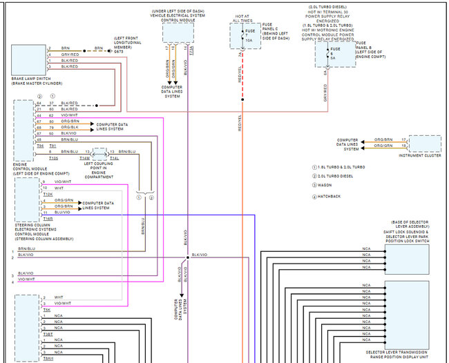
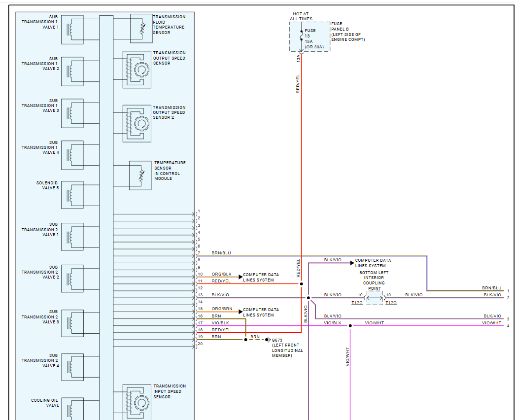
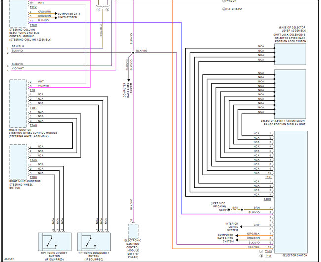
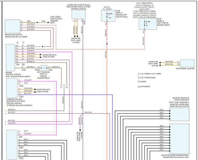
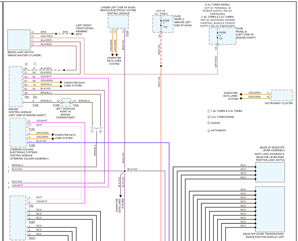
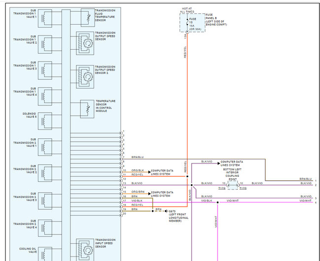
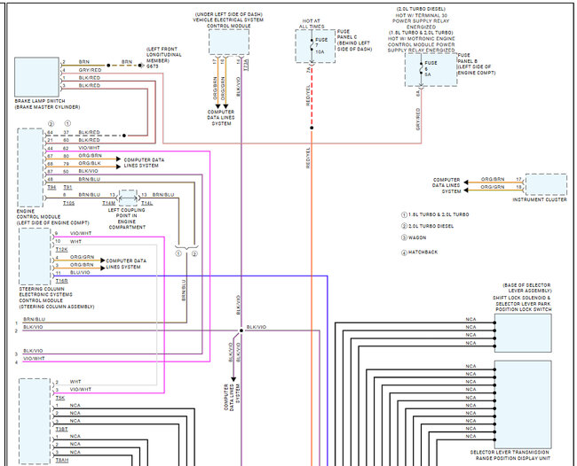
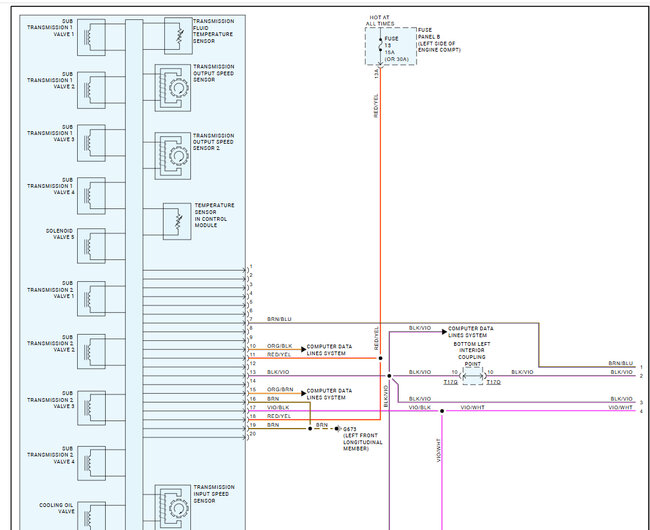
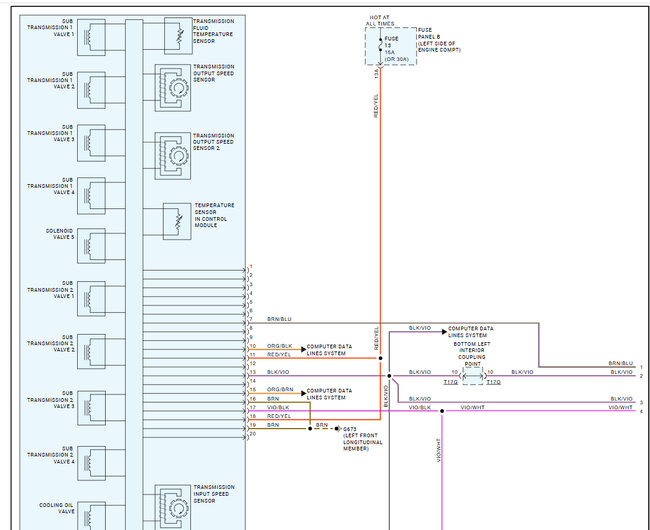
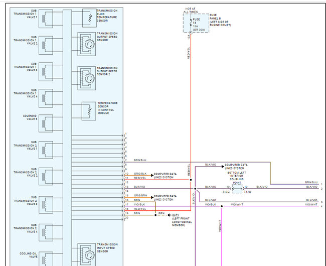
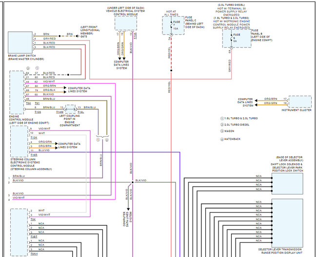
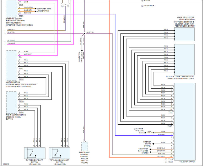
Here are the wiring diagrams for the transmission, I don't see a plain blue wire? Check out the images (below). Let us know if you need anything else.
Was this
answer
helpful?
Yes
No
-1
Tuesday, January 21st, 2025 AT 11:20 AM
Tiny
MARK MCCOY
  • MEMBER
  • 6 POSTS
Thanks Ken, here are a couple of pictures of the factory harness and the number that’s on the harness.
Was this
answer
helpful?
Yes
No
Wednesday, January 22nd, 2025 AT 12:57 PM
Tiny
KEN L
  • MASTER CERTIFIED MECHANIC
  • 55,322 POSTS
Okay, it looks like someone has done some wiring repairs/modifications to the harness. Does this car have a different transmission than stock?
Was this
answer
helpful?
Yes
No
Thursday, January 23rd, 2025 AT 10:54 AM
Tiny
MARK MCCOY
  • MEMBER
  • 6 POSTS
  • 2015 VOLKSWAGEN GOLF
  • 3.0L
  • 4 CYL
  • 2WD
  • AUTOMATIC
  • 200,000 MILES
Here is a picture of the plug a the blue wire that is in the harness 14 wires in the plug a part number of the wire harness. Anyone know where it goes in the plug
Was this
answer
helpful?
Yes
No
Thursday, January 23rd, 2025 AT 1:19 PM (Merged)
Tiny
MARK MCCOY
  • MEMBER
  • 6 POSTS
I did the repairs wires got rip out an I have put them back together it’s the factory transmission and the factory wire harness the blue wire was t added it was in the factory harness when I took the factory tape off the harness the photo you sent is way more than 14 wires that the plug has almost all of the wires are yellow with a color strip 1 red wire 1 black wire no one has added to it. The car is a turbo auto trans 6 speed auto transmission there are so many models still not sure exactly what car. It is has the big sunroof.
Was this
answer
helpful?
Yes
No
Thursday, January 23rd, 2025 AT 1:39 PM
Tiny
MARK MCCOY
  • MEMBER
  • 6 POSTS
I took a picture of the wire harness part number to help narrow it down.
Was this
answer
helpful?
Yes
No
Thursday, January 23rd, 2025 AT 1:41 PM
Tiny
KEN L
  • MASTER CERTIFIED MECHANIC
  • 55,322 POSTS
It looks like someone might have installed an older transmission or wiring harness, there is no straight blue wire, please reference the wiring diagrams above. I am not sure what to tell you here, the wiring has been tampered with. Here is the pin out for the connector.
Was this
answer
helpful?
Yes
No
+1
Friday, January 24th, 2025 AT 9:19 AM
Tiny
MARK MCCOY
  • MEMBER
  • 6 POSTS
Thanks Ken L.
Was this
answer
helpful?
Yes
No
Friday, January 24th, 2025 AT 10:27 AM
Tiny
KEN L
  • MASTER CERTIFIED MECHANIC
  • 55,322 POSTS
You are welcome, please use 2CarPros anytime we are here to help.
Was this
answer
helpful?
Yes
No
+1
Saturday, January 25th, 2025 AT 4:15 PM

Please login or register to post a reply.